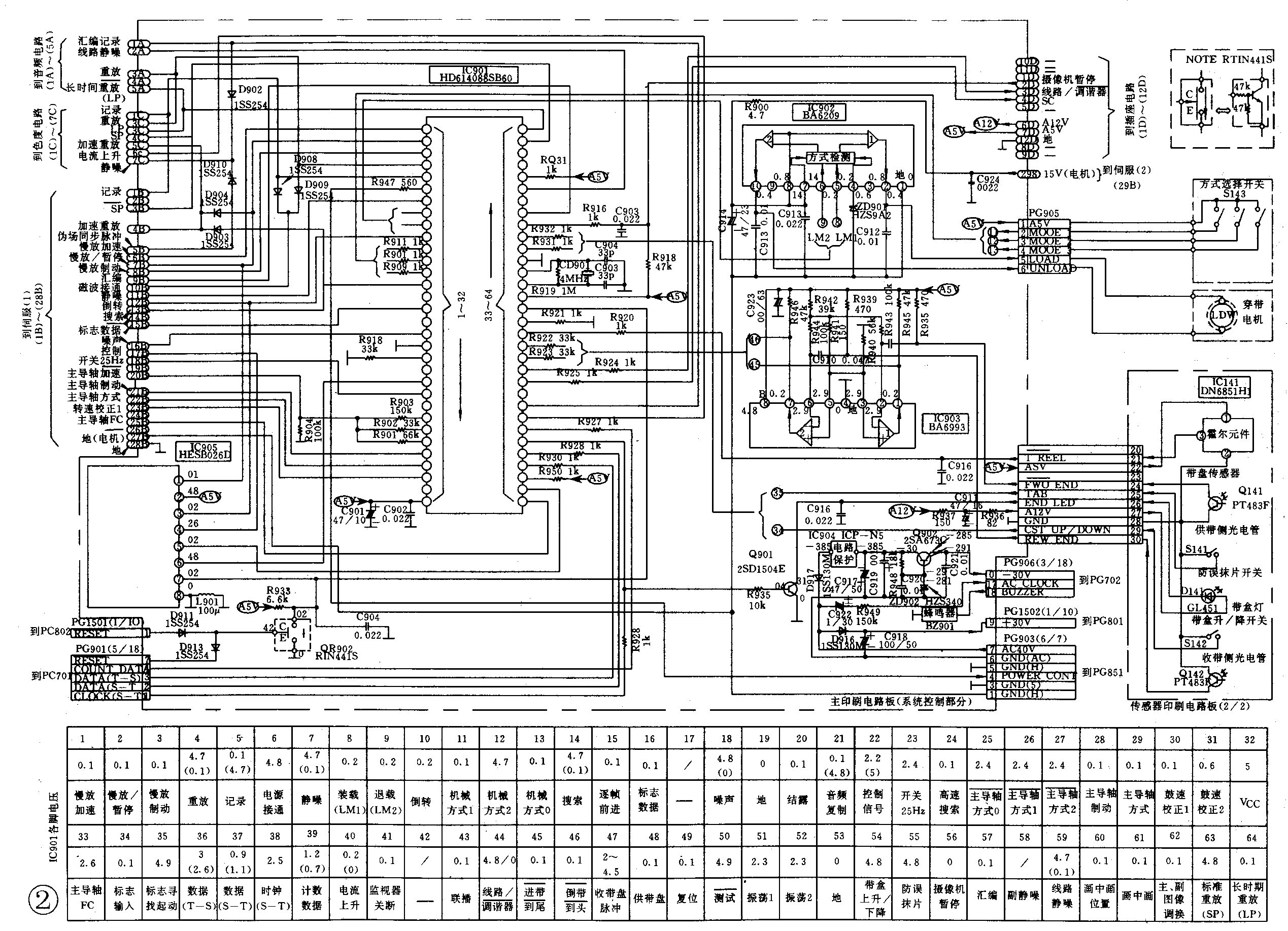
图1所示为426E机的系统控制电路框图。由图可见,微处理器IC901、IC701要处理(控制)“操作键状态处理、红外遥控信息处理、自动停机保护、机械动作控制和电路控制”等5大类。其中“红外遥控电路”已在第五部分中介绍过了,“操作键状态处理”将在下文(十一)中讲述;本文要讲解的是以IC901为核心组成的自动停机保护、机械和电路控制系统的原理和检修,该范围的实际电路见图2。


1、自动停机保护
自动停机保护系统由各种传感器和检测开关与微处理器IC901相应端子的内电路组成。426E机的自动停机保护电路主要包括以下几种。
(1)带头带尾保护电路 该电路由带头传感器(即收带侧光电管) Q142、带尾传感器(即供带侧光电管) Q141、带盒灯D141、倒相放大集成电路IC903(BA6993)和微处理器IC90112内电路等组成。D141是红外发光二极管,它由IC901输出的时钟脉冲(S—T),经Q901放大后的脉冲电流驱动发光(红外光,肉眼不可见)。当带仓中无盒带时,D141发出的光使带仓两侧的Q141和Q142受光而不断导通(脉冲状导通),通过C909和C910,使IC903中两个放大器的反相输入端②、⑥电平为低,故输出端①、⑦电平为高,即IC90112为高电平,此时IC901便判断带仓无带,不接收上带指令。当带盒插入带仓后,D141发出的光线被磁带遮挡,Q141和Q142因无光照射而呈高阻态,对IC903不起作用,此时IC903①、⑦输出电平由放大器输入固定电平决定(取决于R940~R944等的分压比),两者皆为低。IC90112受到此两低电平后,便判断带仓中有盒带,可接受录放,进倒及搜索等操作指令。当磁带在重放、快进等运行中到达带尾透明引带部分时,D141光线透过引带照射Q141,使IC903①和IC9011平变高,而IC9012为低电平,此时IC901便判断磁带已运行到尾端,故发出指令使走带停止,然后再自动倒带。倒带(或倒放)结束时,D141光线透过带头部位的引带照射Q142,使IC903⑦和IC9012高电平,而IC9011低电平,此时IC901便认为磁带运行到头端,故指令走带先停止,然后自动快进,将透明引带卷回收带盘,当IC9012为低电平时再停机,以便接受下次的录/放等操作指令。
(2)收带盘停转保护电路 由霍尔传感器IC141和IC9013电路等组成。IC141装在收带盘座下部。当装有磁环的收带盘转动时,掠过IC141的磁通不断变化,使IC141产生相应收带盘转动的脉冲信号,它从③端输出后,经PG141、PG904和R920送入IC9013如果收带盘因故不转或旋转异常,只要IC141输出的脉冲信号频率低于1/6Hz(录/放和搜像状态时)或1/3Hz(快进倒状态时),IC901便判断收带盘停转而指令录像机停机,以防止出现磁带溢出、绞乱等现象和避免某些机件损坏。
(3)防误抹保护电路 由防误抹开关S141和IC9015电路组成。当插入去掉防误抹挡舌的盒带时,S141闭合,使IC9015低电平,此时IC901不接受任何记录操作指令,若按动录像键,盒带将自动排出,从而防止了磁带上原记录的信号被误抹消。当插入防误抹挡舌未被去掉的盒带时,S141断开,IC9015高电平,此时录像机可执行录像操作。
(4)磁鼓停转保护 该项保护是通过检测IC901上的25Hz磁头切换脉冲是否正常而实现的。磁鼓旋转时,鼓FG发生器产生300Hz旋转信号,经伺服集成电路IC601分频成25Hz磁头切换脉冲,除用于切换视频磁头外,还加到IC901,作为鼓停转保护电路的检测脉冲。当磁鼓因故不转或转动异常时,只要输入IC901的脉冲频率因此而低于10Hz,IC901便断定鼓停转,发出停机指令,使录像机进入保护停止状态,以避免发生磁带被磨坏或拉坏等现象。
(5)主导轴停转保护 此项保护是通过在检测磁带卸载过程中IC901的主导轴FG信号是否正常而实现的。磁带卸载时,主导轴应反转,带动供带盘将磁鼓上退下的磁带收回盘中。若卸载时主导轴因故不转,则磁带会松散在机内,极易发生缠带等故障,因此在这种情况下,IC901只要没有正常的FG信号,IC901便立即指令退带停止,并使录像机进入“电源切断”保护状态,以便人们及时处理故障,避免损失扩大。
426E机除了上述自动停机保护电路外,还有装载(盒)和卸载(盒)保护、暂停状态保护、电源中断保护等。它们大都与下述内容有关,将在下面附带提及。应该说明,426E机的IC901虽有结露(潮湿)保护端(,但没使用,故无结露保护功能,不过可由鼓停转保护电路间接实现结露保护。
2、机械控制系统
(1)装盒和出盒控制 装盒和出盒的动力主要来自主导(轴)电机,主导电机的转向和速度等则受控于微处理器IC901⑩、输出电平(代码);装盒和出盒过程中盒带的升、降位置检测由开关S142担任。装盒时,盒带插入带仓前,S142断开,IC9017高电平,此时录像机处于“出盒”状态,方式选择开关(机构状态开关)S143也处于 “排出”位。插入盒带时,S142受装盒机构开关杆触压而闭合,使IC9017为低电平。IC901收到此低电平装盒信息后,便向主导电机发出装盒指令,由IC901⑩、出相应代码,令主导电机正转,带动带仓机构将盒带拉入仓内。盒带降至仓底到位时,S142被复位断开,使IC9017平由低变高,IC901便判断装盒到位而令主导电机停转,停转中IC901时输出制动信号,使主导电机迅速刹车。盒带到位后,IC901⑧、⑨还发出指令使上带电机正转,于是磁带被拉出上带,同时方式开关S143转动,数秒钟后方式开关S143转到“停止”位,IC901~接受到方式开关的“停止”代码后就令上带电机刹停。至此装盒过程结束,磁带此时仅被拉出少量,处于“预加载”的停止状态(图3),以后录像机就可执行录/放、进/倒等各种操作指令了。

出盒过程大体是装盒的逆过程,但出盒指令来自“出盒键”。出盒过程简述如下:按压出盒键→定时微处理器IC701向IC901传送出盒信息→IC901⑩、出相应指令,使主导电机反转约0.2秒,驱动供带盘卷紧松弛的磁带→IC901⑧、⑨发出退带指令,使磁带卸载,同时供带盘继续卷带,并且上/退带电机带动方式开关S143旋转→数秒后,退带完毕,S143转到“排出”位,装载电机和主导电机均刹停→然后,IC901⑩、令主导电机反转,带动装盒机构将带盒座升起→带盒升至顶部时S142受触压而闭合,使IC9017低电平(此时装载电机刹车过程结束)。待带盒被排出时,S142复原而断开,IC9017为高电平,IC901判定出盒完毕,便令主导电机刹停,出盒过程即告结束。
由上可见,装盒和出盒过程实际上是主导电机和上带电机相互配合、有规律转动,进而带动相应机构动作的结果。而主导电机主要受控于S142,上带电机则主要受控于S143,当然S142、S143是通过IC901及相应的驱动电路去控制电机工作的,IC901在这里及录像机的其它绝大多数控制中都起“指挥中心”的作用。
(2)上带和退带控制 上、退带过程实际在上述装、出盒过程中已基本提及,只是装、出盒时IC901接受的是装、出盒指令,故相应的上、退带范围仅在预装载和磁带完全卷入带盒之间,而上、退带时磁带是在包绕于磁鼓和预装载状态间转换。上带时(如按压放像键),IC901接受到来自IC701的上带信息后便从⑧、⑨发出上带指令(⑧高电平,⑨低电平),通过电机驱动集成块IC902(BA6209),使上带电机正转,带动加载臂将磁带拉出并包绕于磁鼓上,与此同时,S143同步转动,S143转到“放像”位时,IC901~得到相应的机构状态代码,即判定上带到位,随之发出指令使上带电机刹停,上带完成,录像机进入放像状态。退带基本上是上带的反过程,只是磁带从磁鼓上退出时,主导电机也反转,带动供带盘卷回磁带。
主导电机在装、出盒和上、退带等(除录放外)工作状态下主要直接受控于IC901。其中IC901制主导电机转速;IC901⑩电平决定转向,L(低电平)正转,H(高电平)反转;IC901主导轴制动控制端,L时主导轴正常运转,H时刹车;IC901主导轴方式控制端,L时主导电机由伺服电路控制转速,H时则由IC901制转速,除录放及其相关的状态外,IC901为H。与装、出盒和上、退带有关的其它IC901引脚电平(代码)与相关状态的关系已示于图1中。
在装、出盒和上、退带过程中,若IC901得不到正确的盒带位置代码(IC9017平)和机构状态代码(IC901~电平),IC901便判定装、出盒或上、退带发生故障,指令装盒或上带机构回到起始状态,若机构受阻回不到始态,则切断电源,从而实现装盒及装载失灵保护。此外,磁带在运行中若遇断电,再通电时因IC901~代码不是停机状态代码,便令录像机自动回复到停机状态,以免损坏机构或磁带等,这就是电源中断保护。
(3)录/放像走带控制 在录/放、搜像、慢动作及静像等状态下,磁鼓和主导轴的转速及相位调整主要是由伺服电路控制的,系统控制微处理器IC901则对伺服电路发出建立上述工作状态的指令和进行某些辅助调整(主要是特技重放)。与这些状态控制有关的IC901引脚有①~⑤、、、、8,它们的功能说明已示于图2中,有关工作原理及检修内容将结合伺服电路在“第十二篇”中介绍。
3、电路系统控制
微处理器IC901对电路系统的控制可分为视频、音频、输入选择和电源等方面,具体情况见附表。

IC901还对组合编辑和自动检索(INDEX)进行控制,因与伺服电路密切相关,故也放入“十二”中简介。此外,IC901还有时钟振荡端复位端3其相接电路原理将与下文中IC701的相同功能电路一并介绍。(未完待续)(王德沅)