笔者制作了一个小装置,可以控制彩电在未收到电视信号时,自动出现蓝色背景和静噪。
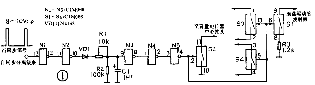
电路见图1。识别电视机有无信号是靠识别同步分离级有无同步信号输出来实现的。有信号时,同步脉冲经N1、N2整形,VD1检波,使N3输入端保持一个较高的直流电位,经N4、N5整形后输出低电平。此时模拟开关S1~S4全部截止,对电视机正常收看无任何影响。当无信号时,同步脉冲消失,N3输入端为低电平,N5输出高电平,模拟开关S1~S4导通。S1的一端接到电视机蓝枪驱动管的发射极,另一端经一只1.2kΩ电阻接地,S1导通时,使蓝枪发射电子增多,由此在屏幕形成蓝色背景。需要说明的是:蓝枪驱动管由于S1的接入并未超出正常工作范围,因此不会对显像管和蓝驱动管带来任何影响,某些遥控彩色电视屏上显示就是靠此办法实现的。S2的一端接至音量电位器中心抽头或非接地端,S2的另一端接地,S2导通时将声音短路或将音量控制电压短路,形成静噪功能。S3、S4闲置未用,读者可用来自行设计控制亮度、对比度或用于自动关机等,本文不再赘述。

图2是2∶1印制板图。

安装调试方法:按图安装无误后(IC最好使用插座并特别注意安装方向),首先在电视机电路板上找到+12V、地和同步信号输出点(一般标有“SYN”字样),这3点一般均有测试脚引出,并用较粗的裸导线分别与本控制板上对应点连接,这样还起固定作用。S1和S2至蓝驱动管和音量电位器的连线使用一般多股导线即可。蓝驱动管在显像管底座上,一般标有“BLUE OUT”或“B-DRIVE”字样。当然,如果读者对红色背景或绿色背景感兴趣,可以将S1接至相应管的发射极。连接完毕后打开电视机电源,分别切换到有信号和无信号的频道,调R1使N5分别输出低电平和高电平即可。操作时一定要注意安全,调R1要用绝缘螺丝刀。
此电路用于控制黑白电视机时,只有S2起静噪效果,此时可以利用空闲的模拟开关同时去控制亮度。但由于黑白机中亮度是通过调整高压来完成的,模拟开关不能直接接入,可以使用一只高反压三极管来代替模拟开关,原理是类似的。(王昕)