LM324是四运放集成电路,它采用14脚双列直插塑料封装,外形如图1所示。它的内部包含四组形式完全相同的运算放大器,除电源共用外,四组运放相互独立。

每一组运算放大器可用图2所示符号来表示,它有五个引出端,其中“+”、“-”为两个信号输入端,“V\(_{+}\)”、“V-”为正、负电源端,“V\(_{0}\)”为输出端。两个信号输入端中,Vi-(-)为反相输入端,表示运放输出端V\(_{0}\)的信号与该输入端信号的相位相反;Vi+(+)为同相输入端,表示运放输出端V\(_{0}\)的信号与该输入端信号的相位相同。LM324的引脚排列见图3。


由于LM324四运放电路具有电源电压范围宽,静态功耗小,可单电源使用,价格低廉等优点,因此被广泛应用于家用电器、电子玩具、报警装置、自动控制等电路中。下面介绍应用实例。
一、反相交流放大器。
电路见图4。此放大器可代替晶体管进行交流放大,可用于扩音机前置放大等,特点是电路无需调试。放大器采用单电源供电,由R\(_{1}\)、R2组成\(\frac{1}{2}\)V\(_{+}\)偏置,C1是消振电容。放大器电压放大倍数A\(_{v}\)仅由外接电阻Ri、R\(_{f}\)决定:Av=-R\(_{f}\)/Ri。负号表示输出信号与输入信号相位相反。按图中所给数值,A\(_{v}\)=-10。此电路输入电阻为Ri。一般情况下先选取R\(_{i}\)与信号源内阻相等,然后根据要求的放大倍数再选定Rf。C\(_{o}\)和Ci为耦合电容。

二,同相交流放大器。见图5。同相交流放大器的特点是输入阻抗高。其中的R\(_{1}\)、R2组成\(\frac{1}{2}\)V\(_{+}\)分压电路,通过R3对运放进行偏置。电路的电压放大倍数A\(_{v}\)也仅由外接电阻决定:Av=1+R\(_{f}\)/R4,电路输入电阻为R\(_{3}\)。R4的阻值范围为几千欧~几十千欧。

三、交流信号三分配放大器(图6)。此电路可将输入交流信号分成三路输出,三路信号可分别用作指示、控制、分析等用途,而对信号源影响极小。因运放A\(_{1}\)输入电阻较高。运放A1\(_{4}\)均把输出端直接接至负输入端,信号输入至正输入端,相当于同相放大状态时Rf=0的情况,故各放大器电压放大倍数均为1,与分立元件组成的射极跟随器作用相同。R\(_{1}\)、R2组成\(\frac{1}{2}\)V\(_{+}\)偏置,静态时A1输出端电压为1;2V\(_{+}\),故运放A2\(_{4}\)输出端亦为\(\frac{1}{2}\)V+,通过输入输出电容的隔直作用,取出交流信号,形成三路分配输出。

四、测温电路(图7)。感温探头采用一只硅三极管3DG6,把它接成二极管形式。硅晶体管发射结电压的温度系数约为-2.5mV/℃,即温度每上升一度,发射结电压便会下降2.5mV。运放A\(_{1}\)连接成同相直流放大形式,温度越高,晶体管BG1压降越小,运放A\(_{1}\)同相输入端的电压越低,输出端的电压也越低。这是一个线性放大过程。在A1输出端接上测量或处理电路,便可对温度进行指示或进行其它自动控制。

五、有源带通滤波器(图8)。许多音响装置的频谱分析器均使用此电路做为带通滤波器,以选出各个不同频段的信号,在显示器上利用发光二极管点亮的多少来指示出信号幅度的大小。这种有源带通滤波器的中心频率f\(_{0}\)=\(\frac{1}{2πc}\)\(\sqrt{1;R}\)3(\(\frac{1}{R}\)\(_{1}\)+1;R2),在中心频率f\(_{0}\)处的电压增益A0=B\(_{3}\)1,品质因数Q=\(\frac{1}{2}\)R\(_{3}\)(1;R1+\(\frac{1}{R}\)\(_{2}\)),3dB带宽B=1;π·R3·C。也可以根据设计确定的Q、f\(_{0}\)0值,去求出带通滤波器的各元件参数值。R\(_{1}\)=\(\frac{Q}{2πf}\)0A\(_{0}\)C,R2=Q;(2Q\(^{2}\)-A\(_{0}\))·2πf0C,R\(_{3}\)=\(\frac{2Q}{2πf}\)0C。上式中,当f\(_{0}\)=1KHz时,C取0.01μ。此电路亦可用于一般的选频放大。此电路亦可使用单电源,只需将运放正输入端偏置在1;2V+并将电阻R\(_{2}\)下端接到运放正输入端即可。

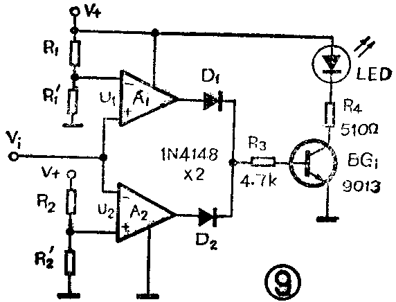
六、比较器。当去掉运放的反馈电阻时,或者说反馈电阻趋于无穷大时(即开环状态),理论上认为运放的开环放大倍数也为无穷大(实际上是很大,如LM324运放开环放大倍数为100dB,即10万倍)。此时运放便形成一个电压比较器,其输出如不是高电平(V\(_{+}\)),就是低电平(V-或地)。当正输入端电压高于负输入端电压时,运放输出高电平;当正输入端电压低于负输入端电压时,运放输出低电平。图9中使用两个运放组成一个电压上下限比较器,电阻R\(_{1}\)、R′1组成分压电路,为运效A1设定比较电平U\(_{1}\),电阻R2、R′\(_{2}\)为运放A2设立比较电平U2。输入电压U\(_{i}\)同时加到A1的正输入端和A2的负输入端之间,当Ui>U\(_{1}\)时,运放A1输出高电平;当Ui<U\(_{2}\)时,运放A2输出高电平。运放A1、A2只要有一个输出高电平,晶体管BG1就会导通,发光二极管LED也就会亮。若选择U\(_{1}\)>U2,则当输入电压U\(_{i}\)越出[U2,U\(_{1}\)]区间范围时,LED点亮,这便是一个电压双限指示器。若选择U2>U\(_{1}\),则当输入电压Ui在[U\(_{1}\),U2]区间范围内时,LED点亮,这是一个“窗口”电压指示器。此电路与各类传感器配合使用,稍加变通,便可用于各种物理量的双限检测、短路、断路报警等。

七、单稳态触发器。见图10。此电路可用在一些自动控制系统中。电阻R\(_{1}\)、R2组成分压电路,为运放A1负输入端提供偏置电压U\(_{1}\),做为比较电压基准。静态时,电容C1充电完毕,运放A1正输入端电压U\(_{2}\)等于电源电压V+,故A1输出高电平。当输入电压U\(_{1}\)变为低电平时,二极管D1导通,电容C\(_{1}\)通过D1迅速放电,使U\(_{2}\)骤然降至地电平,此时因U1>U\(_{2}\),故运放A1输出低电平。当输入电压变高时,二极管D1截止,电源经R\(_{3}\)给电容C1充电,当C\(_{1}\)上充电电压大于U1时,即U\(_{2}\)>U1,A1输出又变为高电平,从而结束了一次单稳触发。显然,提高U\(_{1}\)或增大R3、C\(_{1}\)的数值,都会使单稳延时时间增长,反之则缩短。如果将二极管D1去掉,则此电路具有加电延时功能。刚加电时,U\(_{1}\)>U2,运放A1输出低电平,随着电容C\(_{1}\)不断充电,U2不断升高,当U\(_{2}\)>U1时,A1输出才变为高电平。请参见图10中的波形图。

以上介绍了LM324四运放的几种典型应用,读者可以将这些应用电路加以组合、改进,以能重新构成新的功能电路。
在使用LM324集式块时,最好加装IC插座,以方便焊接和维修。初学者在实验时,最好按图11制作一块印板,将14脚IC插座先焊好,然后就可以利用这块IC实验板来做各种电路实验了。在实验时,注意首先焊接好外围元器件,最后再插入LM324集成块。当然,这块实验板不仅可以做LM324电路实验,还可做任何14脚或8脚IC(如555时基电路)电路实验。使用时注意分清引脚标号,切勿插反或插错。(李洪明)
