为了满足广大无线电爱好者和致力于开发数字电调谐音响设备厂家的热切要求,今提供一个完整的四波段数字电调谐收音机电路,借此电路简要地说明数字电调谐收音机的工作原理。
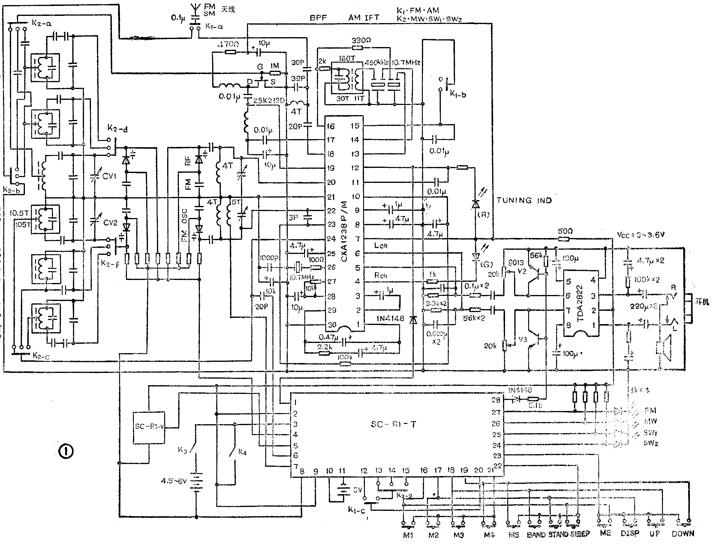
由图1可以看出,它主要由四大部分组成:CXA1238P/M及其外围电路、TDA2822及其外围电路、SC-R1-T及SC-R1-V。CXA1238P/M是一片高度集成的单片调幅/调频收音机专用芯片,调频部分具有高频前端电路、中放、鉴频器、立体声解调器、净噪电路、调谐指示等电路;调幅部分具有高频前端电路、中放、检波、调谐指示等电路。除音频信号功率放大外,收音信号的其它全部处理功能都是由CXA1238P/M完成的。TDA2822是双声道功率放大芯片,用于双声道功率放大输出。SC-R1-T是数字电调谐中心控制单元,它是由一片数字电调谐专用芯片和外围接口电路组成的。数字电调谐专用芯片在SC-R1-T单元功能中起着主要作用,它实质上是一片四位CMQS单片微处理器,内装有液晶屏(LCD)驱动器、数字锁相环(PLL)频率合成器、中央控制器和时钟信号发生器。它是一片功能很强的CMOS大规模集成芯片,专为工作在FM、MW、LW和SW频段的便携式收音机和收录机设计的。SC-R1-T单元里还装有有源环路滤波器,它和PLL电路一起同收音机单元的本振组成完整的数字频率合成器,提供本振信号供收音机前端电路调谐用。为了消除频率合成器失锁时产生的噪音,收音机失谐时中央控制器提供净噪控制电压,使音频功率放大器闭锁;待收音机调谐后再开启功率放大器,使其发声。除此之外,SC-R1-T还有存储预选电台频率、时钟、定时开关机、睡眠定时关机等功能。SC-R1-V是直流电源变换器,输出正12伏直流电压供SC-R1-T内的环路滤波器使用。CV1、CV2、CV3、CV4是四个变容二极管,分别接入调幅和调频的前端高频回路替代通常收音机中的四联变容器。

在电路里使用了12个按键。M1、M2、M3、M4、M5是五个存储键,和ME存储允许键配合可以把当前正在接收的电台频率存储到寄存器里。由寄存器调出预先存储的电台频率,只要按动M1~M5的相应键即可,无需再使用ME键。UP、DOWN键为电台频率上调和下调键,按动两键中的任何一个都可以调谐收音机。按动键的时间小于0.5秒时,按一下键电台频率步进一个步长;如果按动键的时间大于0.5秒后释放按键,即转入自动调谐工作状态,系统即以每秒3个步长的速率改变频率,直至达到调谐为止。DISP键用于液晶屏显示类型转换。SC-R1-T的工作状态由初始化条件确定,初始化要求液晶屏平时显示时钟时间。按一下DISP键,显示当前接收电台频率,再按一下DISP键,即显示定时器设置时间。只有在液晶屏显示频率时才能对电台频率进行存储。DISP键在收音机关机时按动,液晶屏显示仅在时钟时间和定时器设置时间之间交换。STANDBY键为允许定时键(在电路图上标为STAND),按下此键,液晶屏上出现“STANDBY”的字样,于此同时启动定时器工作,待定时时间到,即接通收音机电源使收音机工作,120分钟后自动关机,“STANDBY”消失。若在收音机开机后不到120分钟即按动STANDBY键,“STANDBY”由屏上消失,取消定时功能。SLEEP键为睡眠定时键,按下此键屏幕上显示“SLEEP”睡眠定时开始,收音机开机,60分钟后自动关机。如果屏上已显示“SLEEP”,按动SLEEP键即取消定时,“SLEEP”也同时消失,收音机关机。定时开关机时开关K4一定要处于开路状态。BAND键用于切换数字电调谐专用芯片的FM和AM工作状态,四波段收音可以省去此键不用。
本文的四波段收音机电路有三种开关机方式:人工开关机、定时开关机(STANDBY)、睡眠开关机(SLEEP)。现以人工开关机方式为例说明数字电调谐收音机的工作过程。
闭合开关K3、K4电源经K3、K4输入到各单元。假定K1处在“调幅”、K2处在“中波”。液晶屏上立即显示‘MW 531kHZ’字样,显示约5秒后即改为显示时钟时间“1:00PM”。按压UP键0.5秒后释放,由液晶屏上可以看见频率显示连续增加,说明收音机工作在自动调谐工作状态。进入以上工作状态后,SC-R1-T中的控制器自动向锁相环中的可变分频器置数。分频系数值每增加一,经过数字锁相环的调整即输出一相应的控制电压。此电压分为两路:一路加到本振电路致使本振频率增加9kHZ;另一路加到输入回路改变变容二极管的结电容,使输入回路谐振频率和本振频率作同步变化,搜索无线电台信号。分频系数每增值一次,电调谐控制单元提供一个与它相应的调谐控制电压,同时将MUTE净噪端拉向高电平。此高电平加到V2、V3的基极使两管饱和导通,双声道功率放大芯片TDA2822的信号输入端通过V2、V3接地,功放无信号输入,收音机寂静无声。中央控制器还周期地巡回测量调谐指示SD端的电位。SD信号取自CXA1238P/M的12端,即收音机的调谐指示端,收音机失谐时为高电平,调谐后变为低电平。中央控制器一旦监测到SD端电平回零,停止向分频器置数,自动调谐停止,净噪MUTE端电压回零,晶体管V2、V3开路,双声道音频信号经TDA2822的5、6端输入功率放大芯片,收音机即发出清脆悦耳的音响。如果想把当前正在接收的电台频率存储到寄存器里,便于今后随时调用,可以按如下方式进行:先按动DISP,液晶屏显示出电台频率后再按动存储允许键ME,屏上出现ch闪烁,此时按下M1~M5中的某个键,电台频率存入寄存器。在一个波段里重复以上操作可以存入五个电台频率。按动键DOWN也可以进行自动调谐,只是频率由高端向低端走。电调谐控制板SC-R1-T的10、11端接入3伏电源,收音机关机后所有存储频率都有效,时钟照常走时,允许定时器设置启动。
数字电调谐专用芯片对调幅中频有两种选择:459kHz或450kHz,具体选择哪个中频值由初始化条件定。依照国际《GB9374-88》规定,初始化芯片时选取450kHz作为中频频率。收音机的中频频率应和以上选择相同。如收音机选用其他中频频率,则液晶屏显示的频率和实际收到的电台频率不一致。
线路中使用的调幅输入回路线圈和本振线圈需根据使用的变容二极管的结电容做适当修改,否则锁相环无法正常工作。在调试过程中会遇到系统锁死的现象,多数是因送入锁相环的本振信号太小,锁相环中的分频器无法工作所引起的。最好加一级场效应管放大器,场效应管输入阻抗高对本振槽路负载影响小,又能将取样信号放大使分频器工作稳定。
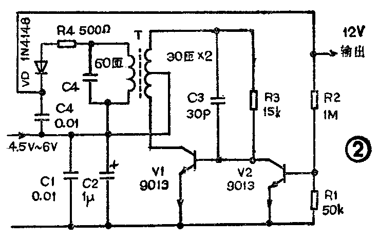
线路中还有一个正12伏的升压换流器SC-R1-V,我们提供一个电路供大家参考(见附图2)。

在图2中晶体管V1和振荡线圈T的初级组成振荡器,振荡幅度约为电源电压的二倍。正弦电压由T的次级耦合输出,经二极管VD整流后和电源电压叠加输出。输出电压也不要太高,否则击穿变容二极管。输出电压同时加到晶体管V2的基极,输出电压高时,降低了V1基极的输入信号,使其输出电压下降;反之使输出增强。振荡线圈可用中波振荡线圈磁芯绕制。本级工作电流约2到3mA。统调时,将CXA1238P/M的12端信号引出,放大倒相再送入SC-R1-T1端,以增加灵敏度。(宋岗 林书椿)