笔者近来利用M9081C型彩色电视机遥控器改装了黄河、乐声、日立等几台电视机,结果令人满意,现介绍给广大爱好者。
遥控器工作原理简介
M9081C型彩电遥控器采用了专用电脑芯片,红外线发射和接收,能遥控8个频道,具有音量、亮度、色度及对比度调节以及消音、开关机等功能,遥控距离达6米以上。
图1为发射电路原理图,它是以IC1芯片为主的脉冲编码调制器,主要由3部分组成:4×8键盘矩阵,该机只利用了其中22个键,键功能位置排列见图1所列的键功能对照表;IC1芯片(M9082)由振荡电路、分频器、定时门、键输入、键输出、数据寄存器、控制器和缓冲器等组成,内部振荡频率由455kHz陶瓷振荡器决定,驱动放大电路,IC1产生的编码脉冲经三极管V1和V2放大到足够的功率,去驱动红外发光二极管(SE 303)产生红外线光脉冲发射出去。

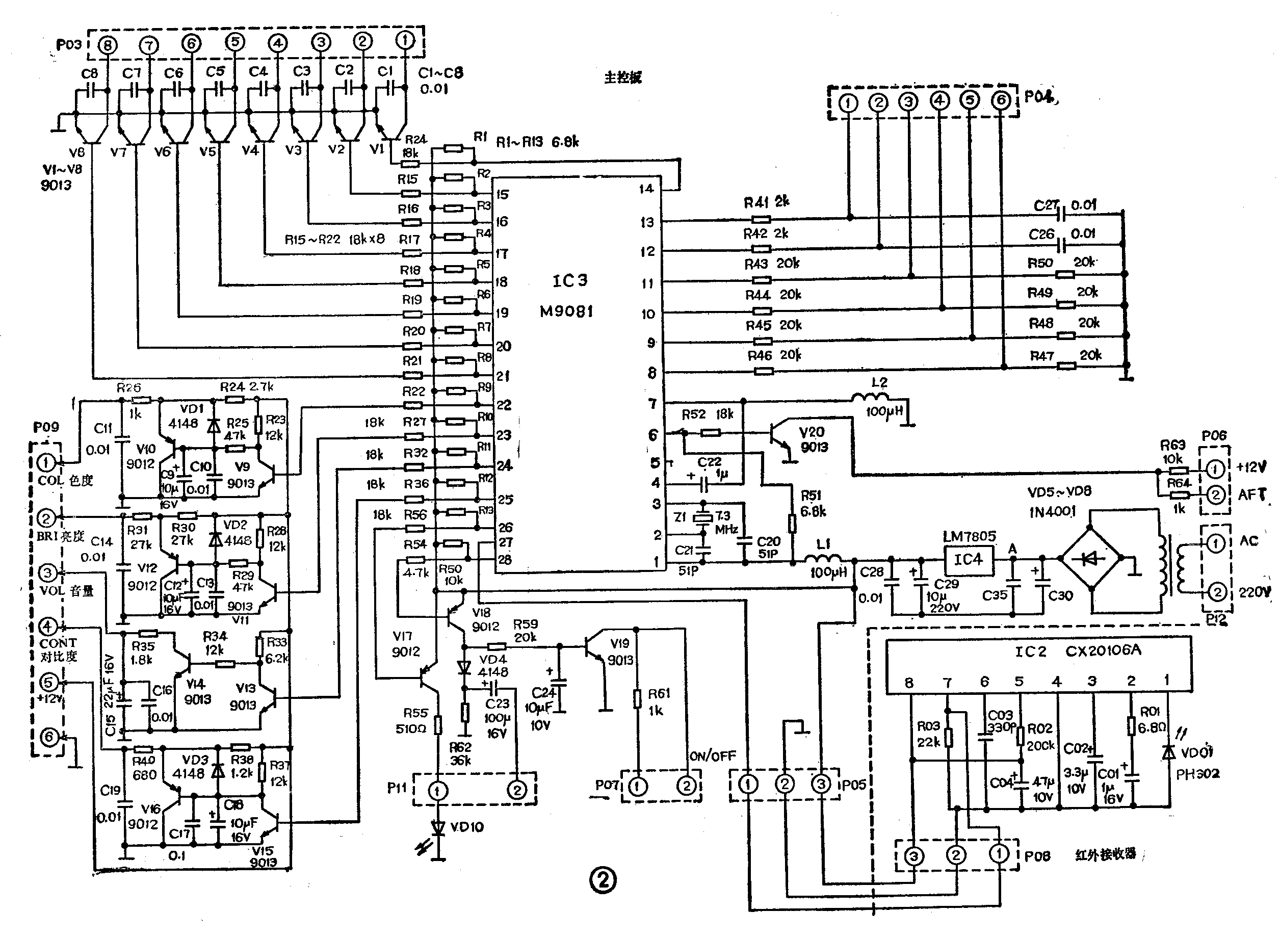
图2为红外线遥控接收控制器原理图。红外线遥控接收电路主要由红外接收二极管(PH 302)和前置放大集成电路IC2(CX20106A)组成。它的作用是接收与放大由发射器辐射来的红外线指令信号,并将其转变为电信号给微处理器(CPU)IC3的第27脚。根据不同的编码信号,经CPU解码处理后,输出相应的控制信号。发射器的1~8号键对应控制IC3的第14~21脚8种不同输出状态,如按1号键,则第14脚输出高电位(5V),其余各脚为低电位(0.25V),依次类推。第14~21脚分别控制V1~V8三极管构成的电子开关,并通过P03的①~⑧接口去控制外电路。IC3第22~25脚为4个模拟量输出控制端,这些模拟量分别为色度(COL)、亮度(BRI)、音量(VOL)和对比度(CONT)。通过控制发射器的功能键,使得IC3的22~25脚的输出电压在0.2V~4.7V范围变化,这个电压变化量通过由V9~V16组成的相应接口电路去控制相应的模拟量。接口电路分别为P09的①~④。需要说明的是:当按消音键时,伴音消失,再接一次则伴音恢复。IC3第8~13脚组成2×4键盘输入矩阵,控制IC3的第14~21脚的8种不同输出状态,第8~13脚对应P04接口的⑥~①。第26脚为定时显示控制输出端,按发射器1小时定时键(SLEEP),1小时定时开始,指示灯VD10亮,再按一次则定时消除。第28脚为开关机控制键,通过发射器可控制电视机的开、关状态。开机时,第28脚输出低电平,关机时则第28脚输出高电平,通过V18、V19连接接口电路P07。第6脚为AFT控制端,每当切换频道预选器时,该脚输出一个低电位(0V)使V20截止,V20集电极与接口电路P06①相连。第6脚还可用来控制电视机的静噪等。

改装实例
以黄河牌HC47-IV型电视机为例,说明改装的一般方法。
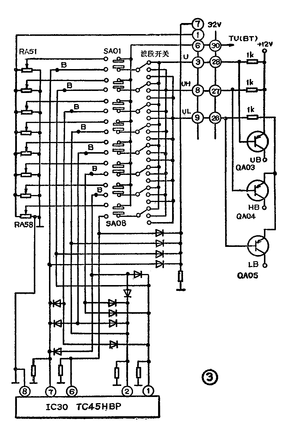
1.频道遥控的改装:HC47-IV型机的预选板电路如图3所示。它由SA01~SA08共8个频道预选开关和RA51~RA58共8个调谐电位器以及8个波段开关等组成。当按下某一预选开关时:①将调谐电位器滑动点接入TU,使调谐电压送至高频头;②接通波段某一开关(UL、UH或U)使QA03、QA04、QA05之一导通,将约11.7V电压供给高频头,同时,三极管基极上的高电位经编译码后触发数码管显示相应的频道数。

(1)调谐电压控制的改装:图4为改装后的调谐电位器控制图。从图中看出,图3中电位器(RA51~RA58)接地端切断,分别接到P03①~⑧接口。如按发射器1号键,则P03①输出低电平(其余各输出端悬空),此时相当于电位器RA51的一端接地,选中1频道预选电位器。为防止未选通频道反灌电压,故接了8个1N4148开关二极管。该组手动开关断开后暂时空着。主控板中备有P02接口,其电路如图5所示,用来输出调谐电压。大部分电视机能实现这种遥控。但有些电视机预选器采用一体化结构,只有一个公共接地点,找不到图4所示的控制端,可以采用图6所示控制方式,图中只画出一组。当1频道选通时,P03①低电位,9012(PNP)三极管导通,调节预选器电位器,则有一变化电压输出到高频头。应选用漏电流极小的9012型管,以防止漏电流引起调台互相干扰。



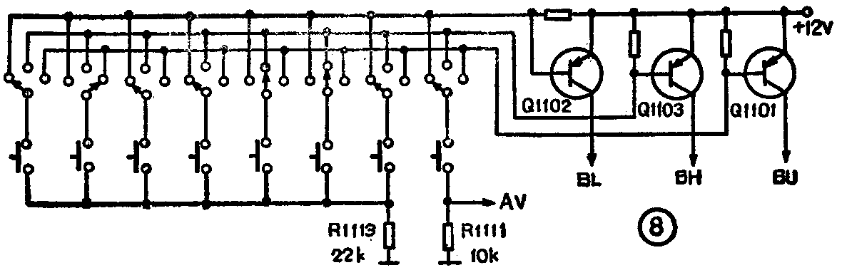
(2)波段控制的改装。改装的目的:①能够选通与预选器相应波段;②能够触发数码显示。为此,图7中打“×”处切断后,接入8个9012三极管(图中只画出一组),其基极接5.1kΩ电阻后再接控制接口P03①~⑧,即该控制接口与图4中P03①~⑧并联。三极管集电极接图3中B点。当按1号键时,P03①低电平,三极管导通,其集电极呈现高电平,触发数码显示;同时,由于该管导通,亦足以使QA03、QA04和QA05之一导通。该组开关SA01~SA08断开后空着不用。

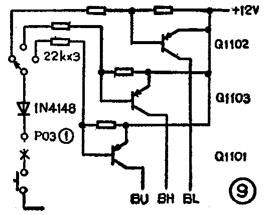
对不同电视机,波段控制方法可能不同。如图8为日立NP82C8电视机频段控制电路图,图9为改装后的波段控制电路(1~7频道均如此控制)。图10为第8频道控制图,按第8号键,选通第8频道时,经PNP型9012管(发射极接+12V)给出AV信号。对于日立CPT1888电视机并无上列两例的控制点,应利用P08接口控制继电器触点实现预选节目。不同电视机,改装办法虽然不同,但以上几例具有普遍意义,只要掌握了这几种电视机的改装,那么其它电视机节目预选的改装也可仿此法进行。



(3)琴键开关的改装:通过以上改装后,琴键开关即失去作用。可利用图4中独立出来的一组琴键开关,按图11接到电脑主控板P04接口,即可实现手动控制电视机频道。但要注意:应去掉电视机上8个琴键开关用于互锁的弹簧,使按键作为轻触键使用。

通过以上改装,在不影响电视机原有功能基础上,实现了频道遥控功能。
2.音量、亮度、对比度及色度控制的改装:
(1)音量控制:黄河HC47-Ⅲ机的伴音电路采用TA7680AP芯片,音量控制电位器连接见图12,改装后的音量控制见图13,只须把电位器接地端悬空后接主控板VOL控制端,并将R614(3.3kΩ)改为1kΩ即可。这样改接后,即可实现音量遥控又可保留手动控制功能。对上海Z647-1A型电视机,伴音芯片为TA7243P,是采用交流控制方式。可将TA7243P第1脚悬空后接入VOL控制端即可实现音量遥控。


日立NP82C8型机的伴音芯片是μPC1382C,图14为其音量控制图,改装后音量控制如图15所示。但应注意,此时应将VOL输出极的部分器件稍作更改。图16为改动后的电路图,其中将图2中V14三极管改为9012(PNP管),R35(1.8kΩ)短接不用,另加一4.7kΩ电阻,电路接法如图16所示。平时音量控制电位器的滑动点应置中间偏上一些为宜。



日立NP80C2电视机的伴音控制见图17,采用交流控制方式。对这种电路只须将伴音芯片LA1363第6脚悬空(打“×”处切断),再将VOL控制信号接入第6脚即可实现控制。而北京83P-1型电视机,其伴音芯片是AN340,亦采用交流控制方式,只须将第4脚悬空后再接入VOL控制端即可。以上仅举几例供参考。

(2)亮度、对比度和色度控制:这3种控制一般只须把控制板的P09的各控制端连到相应电位器滑动点即可,如黄河HC47-IV电视机。有些电视机如熊猫471,须把主控板亮度控制输出级的R30电阻拆掉方可实现正常控制。又如日立NP82C8机须将V12(9012)管改为9013管,并将R31电阻改为10kΩ,同时将对比度输出级R40(680Ω)电阻改为27kΩ,如图2所示。
3.电视机电源控制:图18为电源控制电路图,利用P07的接口②控制继电器J。图②中VD5~VD8整流输出(A点)约12V,继电器J可选用HC4123直流继电器,其常开触点用来控制电视机电源进线,主控电脑板工作电源P12接口接至电源开关后边,这样可利用电源开关来关断电视机及遥控器工作电源。当按发射器1~8号任意键,P02②输出低电平,继电器J吸合而接通电视机电源;按下关机键时,V19三极管关断则继电器释放,关断电视机电源。此时,遥控器处于待命状态。

组装与调试
1.焊接:(1)将新增元器件安装在设计好的印制电路板上,检查无误后用导线将主控板和电视机连接。(2)如果直接将元器件焊在预选板上,必须保证焊牢且勿碰线。注意:改装时应先找出最佳焊接位置。
2.接收器安装:M9081C红外接收器与主控板用屏蔽线连接,安装部位可视具体情况而定。黄河机已留有接收窗口可以利用,而大部分机未留接收窗,可在扬声器旁铝丝网后挖个洞安装接收头,这样既不影响美观又不影响接收。也可以把电视机面板装饰条拆下,在相应孔位挖一透明小窗,并用滤光胶片或深红色有机玻璃装饰。有些机种无处可挖窗口,则可把接收头引到机外,装在有窗口的塑料玩具盒(有些电视机底板带电,注意安装时应断电进行)。这样不会影响接收,不过这种情况较少出现。
3.电脑主按板安装:一般电视机内左右两侧均有较大空间,可用螺钉将主控板固定于底座上,也可以用一塑料(或木板)支撑件粘贴于机壳内壁上,然后再将主控板插上或用螺钉紧固。
4.发射器安装:M9081C机为半成品,厂家已安装调试好,只须装上两节5号电池即可使用。
5.连机调试:完成电脑主控板与电视机连接,并确定无误后即可接通电源试机。
接通电源后,电视机应工作在1频道,若装有指示灯则显示为“1”。然后按发射器各功能键,电视机应工作在相应的状态下,此时改装完毕。注意:在调试4个模拟量控制时,应配合电位器调节。
需要M9081C彩电遥控器者,请看本期48页配文邮购消息。(江修波)