测向机主要由测向天线。接收机和指示器3部分组成。根据工作频段和使用场合的不同,测向机中的天线、电路结构、指示方法以及设备的简繁程度将各有不同,下面分别介绍无线电测向竞赛中使用的80米和2米波段测向机。
80米波段测向机
图1所示的是80米波段测向机原理框图。限于篇幅,本文不再给出具体电路图。从图1可以看出,80米波段测向机与一般收音机的电路很相似。由于在无线电测向活动中,运动员需手持测向机在野外奔跑,所以测向机还有一些自身的特点,现介绍如下:

1. 80米测向机的接收频率范围在3.5~3.6MHz。考虑到外界温度、湿度、振动等各种因素对频率的影响,频率范围的上下端应再富裕出10~30kHz,以保证接收频率覆盖整个频段。
2. 具有较高的灵敏度,以便收测到几公里远处的小功率电台所发出的信号。80米测向机的灵敏度通常不低于50μV/m(信杂比为3∶1),因此80米测向机一般都设有一级高频放大器。
3. 具有良好的方向性,以准确判断电台的方向。为使测向机具有良好的方向性,在结构和电路上一般采取以下措施:
①对包括磁性天线线圈在内的全部电路进行严格的屏蔽。除直立天线外,整机其它部件不能接收外来电磁波,同时也不受人体等外部因素的干扰。所以常见的测向机均使用金属外壳。电路中,磁性天线的屏蔽罩须按图2所示那样,开一条1mm的缝隙,以防有用信号被涡流短路。有时还可在线圈和磁棒之间增设一个用铜箔制成的内屏蔽层。

②设置近台区衰减开关,以避免在距所找电台较近时出现信号阻塞。方向反应迟钝、模糊甚至反向,确保在数公里到1米左右间距时,测向机均有良好的方向性。一般在高放级设置衰减开关,使强信号在前级受到足够的衰减。
③不设自动增益控制(AGC)电路。为使测向机的输出信号随天线方向变化而明显变化,测向机中没有设置象收音机中为提高接收信号稳定性用的自动增益控制电路。
④增设差拍振荡器,使测向机具有接收等幅电报的能力。
⑤采用耳机作为终端指示器,以减小外界声音的干扰。
⑥整机在结构上为适合野外运动的特点,尽量做到操作简单。携带方便、机械强度高以及防雨防潮。
80米测向机在电路方面也有些特殊考虑:
1.场效应管高放电路典型的高放电路见图3,其特点是:

①采用场效应管极联电路,具有高输入阻抗及与磁性天线耦合方式简单的特点,同时提高了本级工作的动态范围。
②天线回路与高放输出回路不与本振跟踪统调。考虑到在3.5~3.6MHz范围内应具有较均匀的放大量,这两个回路分别调谐于3.525和3.575MHz,从而简化了线路,也便于调整。
③S1为单向开关,常态时,直立天线的输入信号被短路掉。S2为近台区衰减开关。
2.直立天线电流放大电路
80米测向机的直立天线的长度一般在40cm以上,为了操作和携带的方便,通常采取可伸缩的拉杆天线。为了将天线进一步缩短,有些80米测向机增设了一级直立天线电流放大电路见图4所示,该电路首先将直立天线的信号进行放大,再把放大后的信号与磁性天线信号混合。这样,直立天线的长度可缩至数厘米,显得十分小巧。

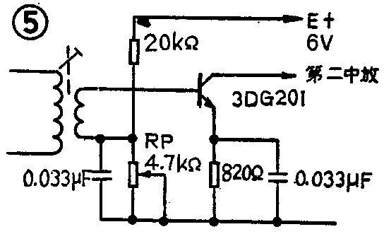
3.手动增益控制电路
80米测向机在第二中放级设置了手动增益控制电路见图5所示,用来衰减强信号。这部分电路取代了收音机中的低频音量控制电路。从图中可以看出,电位器RP用来控制第二中放管的基极的工作点,从而改变增益。(未完待续)(冯昶 陈惠琼)
