本文介绍一种实用、新颖、有趣的电路。其功用是:当有人进门时,能自动发出“欢迎光临”的声音。当有人出门时,能自动发出“谢谢光临”的声音。使人感到亲切。若把本电路装于大型玩具体内,发声时配以一定的机械动作,则更添情趣,特别适用于装在商店,宾馆的大门处以吸引顾客。
电路工作原理
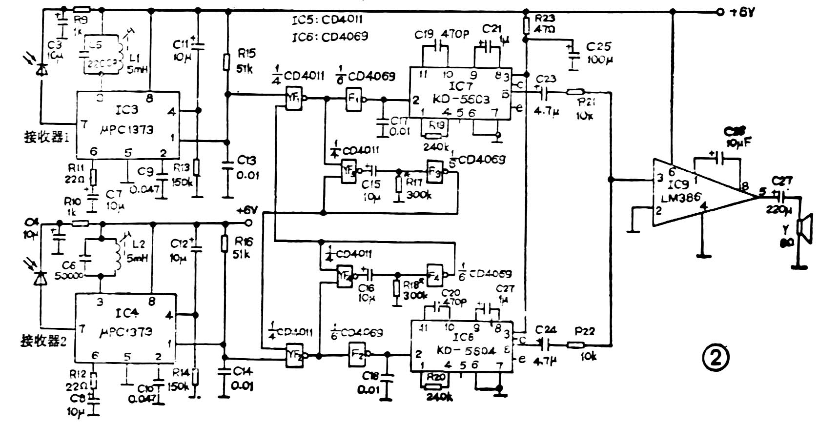
电路包括发射、接收、逻辑触发、发声及音频功放五个部分。
发射及接收部分:包括两套独立的常用红外发射和接收电路。采用红外线对人的“进”、“出”进行检测,其优点是控制距离大,抗干扰能力强。图1是两个发射电路。“555”组成多谐振荡器,占空比约6∶1。为在一定程度上避免两套发射和接收电路产生交叉干扰,发射器1的频率为48kHz,发射器2的频率为32kHz;接收部分见图2,接收器通过C5L1谐振于48kHz,接收器2通过C6、L2谐振于32kHz。μPC1373是专用红外线前置放大器。


逻辑触发部分;它完成对人的“进”、“出”两种状态的识别。其识别原则是;先挡住JS1则为“进”,先挡住JS2则为“出”。FS1、FS2、JS1、JS2的平面布置图可参考图3。YF3和F3、YF4和F4分别组成单稳态电路,其暂态时间为2s左右,略大于一声“欢迎光临”或“谢谢光临”的持续时间。在无人进出时,两单稳态电路处于稳态,皆输出高电平,接收器1、2收到红外信号,IC3、IC4的①脚皆输出低电平,则YF1、YF2输出高电平,F1、F2输出低电平,IC7、IC8不触发,喇叭无声。当有人进门时,必定先挡住JS1,IC3的①脚跳变为高电平,YF1输出低电平,F1输出高电平,触发IC7,发出“欢迎光临”。同时,YF1输出的低电平触发YF3和F3组成的单稳态电路,使其进入暂态,F3输出低电平,强制YF2输出高电平,从而禁止在“欢迎光临”发声期间“谢谢光临”被触发,这时进门者即使挡住JS2也不能触发“谢谢光临”。当“欢迎光临”说完后,暂态随之结束,电路又恢复常态。当有人出门时的触发过程同上。

发声部分:由两片语言发生集成电路KD-5603(欢迎光临)、KD-5604(谢谢光临)组成。两片IC均采用正触发,触发一次,发出一声,持续时间约1.5s。
音频功放部分:由LM386担任。IC7、IC8输出的信号分别通过C23、R21和C24、R22输入LM386放大,推动喇叭发声。由于前面的逻辑触发电路,两路声音实际上不可能混合,而为单路输出。
元件选择及调试安装要点
FS1和JS1、FS2和JS2均采用市售红外线对管。L1、L2为5mH左右的可调电感线圈,可用中周改制。方法是在中周骨架上用φ0.08mm的漆包线密绕300匝,然后旋入磁芯。YF1~YF4采用CD4011与非门,F1~F4采用CD4069六反相器,其中两个反相器空着不用。
本电路只要照图安装无误,调试较容易。主要调两点。1.使发射器1、2分别与接收器1、2的频率一致。2.使两个单稳态电路的暂态时间路大于语言发生电路的持续时间。调试步骤如下:将FS1、FS2分别靠近JS1、JS2,这时只要元件参数基本无误,喇叭应无声。否则应调R1或R2,甚至调L1或L2。此步调好后,仍然让FS2靠近JS2,而让FS1与JS1逐渐拉开距离至最大,调R1,保证喇叭无声。同理可调R2,让FS2与JS2拉开距离至最大。这时若挡住JS1应发“欢迎光临”,若挡住JS2应发“谢谢光临”。若不行,则应检查电路是否有误。最后调R17和R18,以调暂态时间,阻值越大,暂态时间越长。
安装时,FS1、JS1和FS2、JS2可装于高地面0.9m左右处,分别位于大门两侧。安装平面图建议用图3,使JS1、JS2分别位于FS2、FS1的辐射角之外,避免产生交叉干扰。(王洪伟)