色度信号处理电路工作原理
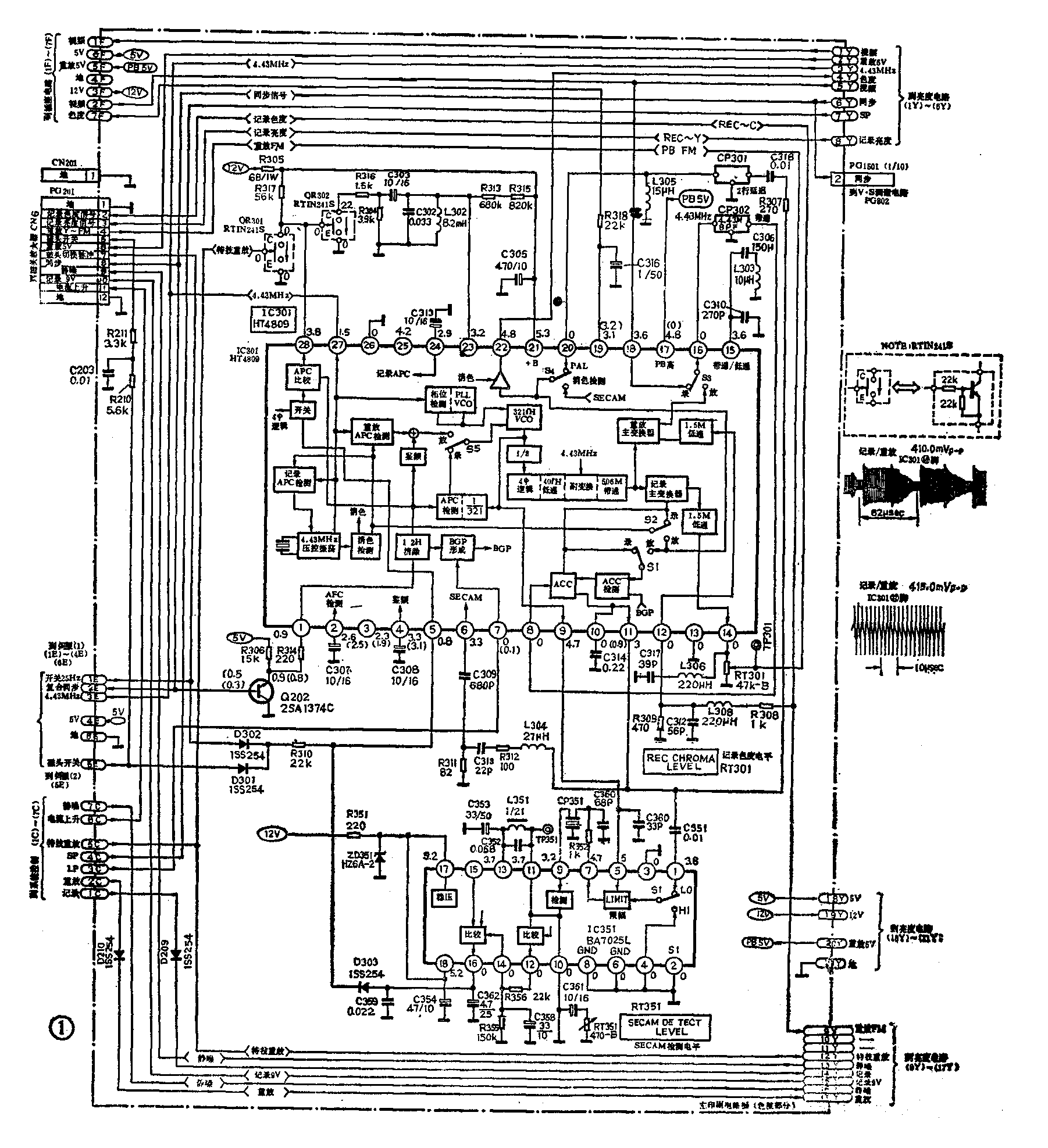
426E录像机的色度信号处理电路如图1所示。该电路是以色度处理集成块IC301(HT4809)为核心组成的。图1中的另一集成电路IC351(DA7025L)是SECAM制色度信号检测和控制器件,仅在处理SECAM制信号时起作用。在IC301中有不少功能电路是记录及重放通道公用的,电路的录、放工作状态转换由IC301内的电子开关S1~S5控制,而S1~S5的切换则受控于IC301脚上的PB5V电压。重放时,系统控制微处理器IC901④脚输出5V重放控制高电平,使亮度电路IC202②脚输出PB5V电压,加到IC301脚,因而IC301内的S1~S5均切换至“放”(P)位,色度电路工作于重放状态。记录时,IC901④脚输出低电平(低于0.1V),使IC202②和IC301脚为低电平,故IC301内的S1~S5均切换至“录”(R)位,色度电路工作于非重放(包括记录、停止、快进、快倒等)状态,即PB-态。

在IC351中也有一个电子开关S1。S1受IC351②脚电平控制。当②脚为低电平时,S1切换至“Lo”位,即S1切换“刀”与IC351①脚接通;当②脚被加上5V高电平时,S1切换至“Hi”位,即S1切换刀与IC351④脚连通。426E录像机中的IC351②脚接地,故S1始终切换在Lo位,实际上不起作用。在427E录像机中,IC351内的S1受控于PB5V电压,是有作用的。
下面分别讲解426E录像机色度信号记录通道和重放通道的简要工作原理。
1.色度信号记录通道
在图1中,由插座电路(2F)来的视频信号从IC301送入IC301,经S3后,由IC301脚送出至4.43MHz带通滤波器CP302,滤除亮度信号后,将4.43MHz色度信号从IC301⑧脚送到ACC(自动色度增益控制)电路。控制ACC电路增益的直流控制电压来自ACC检测电路。从亮度电路IC201③脚来的行同步脉冲经Q202缓冲放大后送入IC301①脚,由1/2f\(_{H}\)消除器去除半行脉冲干扰后分两路输出。其中一路加到AFC检测电路(见后述);另一路经色同步门脉冲BGP形成电路延迟倒相后,变成与色度信号中的色同步脉冲时间(相位)上对齐的色同步选通脉冲BGP。BGP加到ACC检测电路,从同时加到ACC检测电路的色度信号中选通出色同步脉冲,并进行峰值检波,然后由IC301⑩脚外接电容C341滤波,得到代表色度信号幅值变化的直流控制电压,去调整ACC电路的增益,使色度信号幅度稳定。
2.色度信号重放通道
当图1电路工作于重放状态时,来自磁头放大器(PG201④)的重放FM信号经R308、L308加到IC301脚。然后→1.5MHzLPF(滤去1.5MHz以上高频信号,取出627kHz色度信号)→重放主变换器(将627kHz和5.06MHz两个相旋信号混频并输出差频及和频等信号)→S3、脚、CP302(提取5.06MHz-0.627MHz差频信号,获得还原的4.43MHz色度信号)→IC301⑧脚→ACC电路(对重放色度信号稳幅。ACC及ACC检测电路均与记录时一样,只是ACC检测信号取样于2行延迟线CP301的输出端)→脚、R307、C318、CP301(消除邻迹色干抗)→、S4→消色放大器、脚→亮度电路中的QR202、IC202⑤脚(将色度信号与重放亮度信号混合成成彩色视频信号输出)。
在上述流程中,2行延迟线CP301实际是个梳状滤波器,它用来消除因视频磁头跟踪不准、邻迹信号串入重放通道而造成的色干扰。色度信号进入CP301后被分成直通和延迟2行两路,然后相加。结果是主磁迹信号相加后得到2倍于输入信号的幅度输出,而串扰信号因反相而被基本抵消,故有效克服了邻迹色干扰。
图1中IC331脚内接的放大器具有消色功能,它受控于ACK(自动消色控制)检测电路。当重放色度信号幅度太小或相位偏差太大时,ACK检测电路输出一控制信号给消色放大器,使其关断,IC301脚不输出色度信号,重放图像无彩。426E机的ACK还受后背板上的开关S1501控制。S1501置“自动”位时,S1501无作用,ACK正常工作。将S1501置“彩色”位时,图1中的R318上端通过7F线、S1501(在插座电路中)而接地,使IC301置低电平,ACK无作用,IC301脚内的放大器始终工作。
重放通道中也有与记录通道中相似的APC检测电路,但重放APC检测输出不是去控制4.43MHz晶振电路,而是施加于321f\(_{H}\)压控振荡器,这主要是为了实现“伪时基校正”。
重放APC检测输出信号与频率鉴别器输出信号相加后去控制321f\(_{H}\)振荡器,后者在正常情况下不起作用。当APC输出误差信号太大、APC环路失锁(失控)、321fH振荡信号频率偏差太多时,频率鉴别器输出控制信号使321f\(_{H}\)振荡频率拉回至正常,保证APC电路正常工作。
在重放静像期间,IC301⑤脚被施加由伺服系统IC602①脚经D301、R310送来的高电平,使4φ逻辑电路只输出相位为0°的627kHz信号。因为静像期间CH2、CH3磁头均扫描同一场不旋相的信号,故加到副变换器上的627kHz信号不需逐行移相。
3.SECAM制信号录/放电路
426E机能录放SECAM-D/K制彩色电视信号。SECAM制与PAL制录像机相比,只是色度信号的记录(重放)方式不同。SECAM制采用逐行轮换调频制,有4.41MHz和4.25MHz两个色副载波,而且副载波逐场倒相,邻迹色干扰不明显,因此在录放时均不需将主变换器的本振5.06MHz信号隔场旋相,当然在重放通道中也不需要2行延迟线了。
在426E机中,IC351组成SECAM检测电路。IC351①脚输入的检测信号来自IC301脚输出的色度信号。如果IC351①脚进入的是SECAM色(副载波)信号,则该信号经限幅、4.41MHz副载波滤除(CP351)、检测和比较放大之后,使IC351脚输出高电平,并通过D303加到IC301⑤脚,使4φ逻辑输出0°相位信号,录/放工作于SECAM状态。若IC351①脚输入PAL色信号,则IC351检测电路使脚为低电平,故电路工作在PAL录/放状态。该电路主要对色度信号中的色同步脉冲(行识别脉冲)进行检测,因此由IC351内的检测器和外接L351、C352、C361、RT351等组成的检测放大器是其核心。在检修中若调乱L361或RT351就会使检测失效。在重放SECAM信号时,IC301内的消色检测器还会输出一控制信号将开关S4切换至SECAM位,这样由IC301输出的色度信号(脚)便改从L304、R312、C313、C309、IC301⑥、4S这一路径加入重放消色放大器,2行延迟线CP302此时没有作用。
应该注意,426E类机的SECAM录放电路与正规SECAM录像机是有区别的,一般只能自录自放,否则色度电路不能正常工作,重放图像无彩色(自录自放包括同类机间的录、放)。
色度信号处理电路检修
检修色度电路故障前一般应先确认亮度电路工作基本正常,否则须先排除亮度电路故障。检修色度电路时则通常先查重放通道有无故障。
1.重放无彩色(不论S1501置哪位)
重放标准像带或良好节目带时有正常黑白图像而无彩色,这表明磁头放大器及亮度电路等均正常,故障出在色度电路中,应检查色度重放通道,范围是从图1中R308右端至亮度电路(见上期图1)中IC201⑤脚。由于IC301输出的4.43MHz晶振信号是作为伺服电路基准信号用的,该信号不正常便不能获得正常稳定的重放图像,因而还可据此基本排除4.43MHz晶振电路出故障的可能。此外,SECAM检测电路发生故障时一般也不会造成无彩色现象(重放PAL像带),故可把IC351电路也排除在外。
检修本故障时,若有示波器,可按图2所示的故障寻迹流程表较迅速地查到故障部位。但这种检查往往较粗,最终确定具体故障元器件或故障点还需借助下述方法。

在没有示波器时(当然能有条件先用示波器检查一下最好),主要用直流电压测量法和替代、短接法来判断故障,具体是:首先测量色度电路的5V、12V、PB5V三个电压是否正常。若均正常,再测IC301各脚电压,其参考正常值均已示在图1中,无括号为重放时电压,有括号是记录态电压。若实测电压明显不符或很不稳定,可检查相应引脚外接元器件及印制线路是否良好,倘无问题便可判断IC301损坏。当IC301内某部分电路损坏时,其相应引脚电压大多会有较明显改动,因此通常不难判断。
如果经上述检查均没发现问题,则至少说明IC301各脚内、外接电路的直流工作状态是正常的,造成重放无彩色故障的原因很可能是重放色信号通道中存在交流开路、短路或阻塞点。对此,可先测量亮度电路中的IC201⑤脚和QR202的各极电压。若发现异常,应检查QR201、OR202及其控制电压是否有问题。如IC201⑤脚外接电路均正常,说明IC201内的Y/C混合放大器的C输入电路有故障,不过这种可能较小。当实测IC201⑤脚电压正常时,就可基本上排除IC301脚至IC201⑤脚间电路的出故障可能性。再测同步管Q202各级电压是否正常。若正常,再依次用好的元件替代CP301及CP302,和用一只0.1μF电容跨接在C318、R307两端及L308、R308两端,替代或跨接到哪个元件时彩色出现,就表明该元件损坏或脱焊、线路断裂等。如果无CP301、CP302替代件,也可用0.01μF电容代替。
2.重放彩色不稳定
重放黑白图像正常但彩色时有时无、忽浓忽淡(甚至色调也会出现变化)时,说明重放色度信号被衰减过大或重放通道工作不稳定。检修时,应先将S1501打到“彩色”位,若彩色随之始终出现,一般是像带不良所致,应换标准试验带或由426E类(427E、136E、547E、747E)机录制的良好节目带后再检查。
检查本故障的方法与检查第1种故障相似,只是应重点测量IC301④、⑩、、、脚的电压是否明显波动,发现有异即查相应外围元件,特别要着重检查C308、C314、C305等。另外也要重点注意CP301、CP302、C318、L308及相应印制线路是否不良,可以仍用替代或短接法进行判断。
3.记录图像无彩色
本故障的检修范围主要在色信号的记录通道,并可基本排除ACC检测和ACC电路出故障的可能,还可确认CP302是正常的,步骤如下:
(1)测量IC301脚电压是否正常,非重放状态该电压应为零。(2)在视频输入线(2F)与IC301脚之间跨接一只0.0047μF电容,若故障随之消失,说明IC301印线断路或IC301内的S3损坏。(3)关机后在路测量IC301脚对地电阻,正常值无论正反测均为4.7kΩ左右。若实测远小于正常值,应变脚外接的L306、C317、RT301等是否对地漏电:若正常,表明脚内电路有问题。(4)检查RT301(4.7kΩ)是否良好。试调RT301时需记下原来位置,以便复原。(5)在RT301中心端与磁头放大器中IC1间跨接0.01μF电容,若彩色出现,说明故障是接插件CN6、PG201接触不良、C19失效或相应的印制线路断裂引起的。(6)经上述检查还未发现故障点,表明故障发生在IC301或IC1内。可进一步用示波器探测TP301点的色度信号是否为150±10mV\(_{PP}\)。若没有信号或幅度很小,说明故障在IC301内;否则便是IC1不良。没有示波器可将万用表改作峰值电压表测量。
4.记录图像彩色淡或时有时无
这主要是记录色度信号幅度太小或不稳定所致,检修方法相似于第3种故障,但一般可从测量TP301点信号电压入手进行检查。
5.记录图像有网纹或菱形干扰
这主要是色度记录信号幅度过大所致。因为录像机亮度信号是调频的,记录采用无偏磁方式,而627kHz降频色度信号记录偏磁则由亮度信号的高频部分承担,所以亮度信号幅值或者说亮、色信号幅值比对记录效果,尤其是色信号记录效果影响很大。亮度信号幅值是否正常一般可测TP202点电压,正常应在540~600mV\(_{PP}\)。适当调整RT301便可排除。
6.记录图像有木纹干扰
出现此故障往往同时带有彩色弱的现象,其原因是记录色度电流太小,可按上述第3、4条检修。
7.427E机色度电路检修说明

427E色度电路基本原理同426E机一样,故上述内容原则上也适用427E机。但427E机的IC301已改用HES8455E。因该IC内电路进一步简化及合理化(与日立547E所用IC301相同),故外围电路及SECAM检测部分略有不同,限于篇幅,这里只能示出HES8455E的内框图和SECAM检测的不同点,如图3。在SECAM检测电路中,重放色度信号(IC301经C355送入IC351④脚,记录色度信号(IC301③)经C351送入IC351①,由IC351内的电子开关S1进行切换。重放时,PB5V经R357加到IC351②脚,使S1切换至④脚,非重放时IC351为低电平,S1切换至①脚。该检测电路在日立547E、747E(UK)及松下L10MC、L15MC等许多新型录像机中均是极相似的,用S1切换输入检测信号主要是为了适应IC301的结构。HES8455E与426E的HT4809各脚功能对照见下表。分析及检修时可参考本表、图3及上述内容进行。(王德沅)
