特点
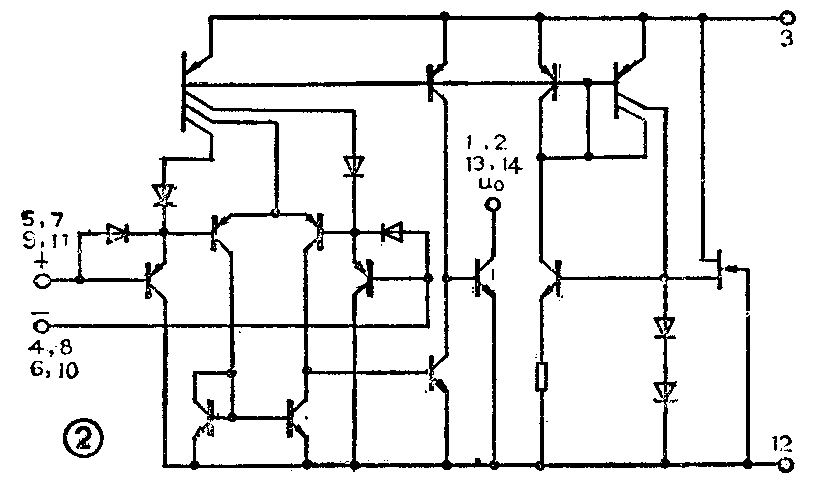
LM339集成块内装有四个独立的电压比较器,该电压比较器的特点:1.失调电压小,典型值为2mV。2.电源电压范围宽,单电源为2~36V,双电源为±1V~±18V。3.对比较信号源的内阻限制较宽。4.共模范围很大,为0~(U\(_{CC}\)-1.5)V。5.差动输入电压范围较大,大到可以等于电源电压。6.输出端电位可灵活方便地选用。
工作原理
从图2我们不难看出,它类似于增益不可调的运算放大器。每个比较器有两个输入端和一个输出端。两个输入端一个称为同相输入端用“(+)”表示,另一个称为反相输入端,用“(-)”表示。用作比较两个电压时,任意一个端加一个固定电压作参考电压(也称为门限电平它可选择LM339输入共模范围内的任何一点),另一端加一个待比较的信号电压。当电压高于1时,输出管截止,相当于输出端开路。当电压高于时,输出管饱和,相当于输出端接低电位。两个输入端电压差别大于10mV就能确保输出能从一种状态可靠地转换到另一种状态,因此,把LM339用在弱信号检测等场合是比较理想的。LM339的输出端相当于一只不接集电极电阻的晶体三极管,在使用时输出端到电源正电一般须接一只电阻(称为上拉电阻选3~15kΩ)。选不同阻值的上拉电阻会影响输出端高电位的值,因为当输出晶体三极管截止时,它的集电极电压基本上取决于上拉电阻与负载的值。各比较器的输出端允许连在一起使用。
由于LM339使用灵活、应用广泛,所以世界上各大IC生产厂、公司竟相推出自己的四比较器集成块,如IR2339、ANI339、SF339等,但参数基本一致。
应用
1.单限比较器电路
图3(a)示出一个基本单限比较电路。输入信号U\(_{in}\),即待比较电压,它加到同相输入端,在反相输入端接一个参考电压(门限电平)UR。当输入电压U\(_{in}\)>UR时,输出为高电位U\(_{OH}\)。图3(b)为其传输特性。

图4为其仪器中的过热检测保护电路。它用单电源供电,1/4LM 339的反相输入端加一个固定的参考电压,它的值取决于R\(_{1}\)与R2(U\(_{R}\)=R2R\(_{1}\)+R2·U\(_{CC}\))同相端的电压就等于热敏元件Rt的电压降。当机内温度为设定值以下时,电压大于电压,U\(_{o}\)为高电位。当温度上升为设定值以上时,电压大于,比较器翻转,Uo输出为零电位,使保护电路工作,调节R\(_{1}\)的值可以改变门限电压即设定温度值的大小。

2.加正反馈的单限比较器——迟滞比较器
前面介绍的单限比较器,如果输入信号U\(_{in}\)在门限值附近有微小的干扰,则输出电压将产生相应的抖动(起伏)。在电路中引入正反馈可以克服这一缺点。
图5(a)给出一个迟滞比较器,人们所熟悉的“史密特”电路即是有迟滞的比较器。图5(b)为迟滞比较器的传输特性。

不难看出,当输出状态一旦转换后,只要在跳变点电压值附近的干扰不超过担涑龅缪沟闹稻徒俏榷ǖ摹5嬷吹氖欠直媛式档汀R蛭猿僦捅冉掀骼此担荒芊直娌畋鹦∮牧礁鍪淙氲缪怪怠3僦捅冉掀骷佑姓蠢】梢约涌毂冉掀鞯南煊λ俣龋馐撬囊桓鲇诺恪3艘酝猓捎诔僦捅冉掀骷拥恼蠢『芮浚侗鹊缏分屑纳詈锨康枚啵食僦捅冉掀骰箍擅獬捎诘缏芳纳詈隙淖约ふ竦础
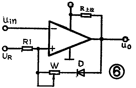
如果需要将一个跳变点电压固定在某一参考电压值上,可在正反馈电路中接入一个非线性元件,如晶体二极管,利用二极管的单向导电特性、便可实现上述要求。图6为其原理图。

图7为某电磁炉电路中的电网电压过压检测电路部分。电网电压正常时,1/4LM339的U\(_{4}\)<2.8V,U5=2.8V,输出开路,过压保护电路不工作,作为正反馈的射极跟随器BG\(_{1}\)是导通的。当电网电压大于242V时,U4>2.8V,比较器翻转,输出为0V,BG\(_{1}\)不导通,U5的电压就完全决定于R\(_{1}\)与R2的分压值,为2.7V,促使U\(_{4}\)更大于U5,这就使翻转后的状态极为稳定,避免了过压点附近由于电网电压很小的波动而引起的不稳定现象。由于制造了一定的回差(迟滞),在过压保护后,电网电压要降到242-5=237V时,U\(_{4}\)<U5,电磁炉才又开始工作。

3.双限比较器(窗口比较器)
图8示出由两个1/4LM339组成的一个窗口比较器。当被比较的信号电压U\(_{in}\)位于门限电位之间时(UR1<U\(_{in}\)<UR2),输出为高电位(U\(_{O}\)=UOH)。当U\(_{in}\)不在门限电位范围之间时,(Uin>U\(_{R2}\)或Uin<U\(_{R1}\))输出为低电位(UO=U\(_{OL}\)),窗口电压経R2-U\(_{R1}\)。它可以用来判断输入信号电位是否位于指定门限电位之间。

4.用LM339组成振荡器
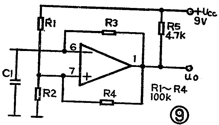
图9为由1/4LM339组成的音频方波振荡器的电路。改变C\(_{1}\)可改变输出方波的频率。本电路中,当C1=0.1μF时,f=53Hz;当C\(_{1}\)=0.01μF时,f=530Hz;当C1=0.001μF时,f=5300Hz。

LM339还可以组成高压数字逻辑门电路,并可直接与TTL、CMOS电路接口。
注意事项
1.LM339是一种高增益宽带器件,在印刷电路板布局时应注意输入信号线与输出线不要靠近,以免输出信号通过分布电容耦合到输入端引起比较器自激。并注意地集成块的接地端应与整机的接地点尽可能靠近,以减少接地阻抗。
2.LM339的驱动电流取决于它的偏置电路,而与工作电源电压基本无关。(周富发)

