本文介绍的微型电压指示器不用表头,采用10位LED发光管来显示直流0~100V和交流0~220V电压。它具有体积小、成本低、使用方便的特点,通过发光二极的亮灭读数,清晰直观。
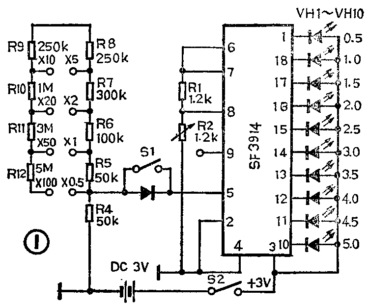
图1是微型电压指示器的电路原理图。其中SF3914是上海无线电七厂生产的高阻抗缓冲输入10级电压比较器集成电路。它由缓冲放大,基准电压源、工作方式选择放大、10级分压器及10电压比较器组成,可与LM3914直接互换使用。输入的信号经缓冲放大后直接加到10级电压比较器的反相输入端,然后与基准电压源(共分10级)电压比较,并由发光二极管显示比较结果。发光二极管的亮度由R1的阻值决定,即I\(_{LED}\)=1.25/R1+Vref/2.2。当9脚悬空时,发光二极管呈点状显示;当9脚接高电平时,则10只发光二极管呈线状显示。SF3914的主要性能参数如下:电源电压2.8V~20V,基准电压V\(_{ref}\)在1.2V~12V可调,发光二极管驱动电流ILED为2~30mA,分压器电阻为10kΩ,精度0.5%,静态电流6mA。

在图1电路中,测试电压经R4~R12分压后,所分电压加到SF3914的输入端5脚。基准电压V\(_{ref}\)=1.25V(1+R1/R2)+R2×80μA对于×1档,可指示0.5V~5.0V电压。S1用作交、直流测量转换,合上时测直流,断开时可测交流,且交流电压等于直流电压除以0.45。
选择元器件时,要求所有电阻有足够精度。(许清明)