数字开关又叫拨盘开关,它是一种以机械回转操作方法显示数字或符号的开关。在各种仪器仪表和控制器中,作置数、整定、预选及显示等用。数字开关按拨动方式不同可分为指轮式(KL型)和按键式(KSA型或KA型)见图1。前者正面上有带数字的字轮,用手指拨动字轮的凸齿,就能改变开关的数字。后者面板上有“+”、“-”按键。按一下“+”键,字轮的数字正跳一个数字;按一下“-”键。字轮的数字逆跳一个数字。KSA型还具有防尘装置,能在恶劣的环境条件下使用。不论指轮式或按键式的数字开关都可以任意多个组装在一起,组成多位数字开关。数字开关切换的电压不能大于27V,电流不能大于0.1A,接触电阻一般不大于100mΩ,寿命可达2万次。

数字开关常用的有:二位重复(+、-;0、1;0.5)、编码三进制(0~3)、编码五进制(0~5)、五进制(0~5)、十进制(0~9)、BCD编码(8421码)等数字编码。各种数字开关尾部各个端子都标有数字,如C、0、1……,数字开关的切换取决于是哪些端子与公共端C相连。
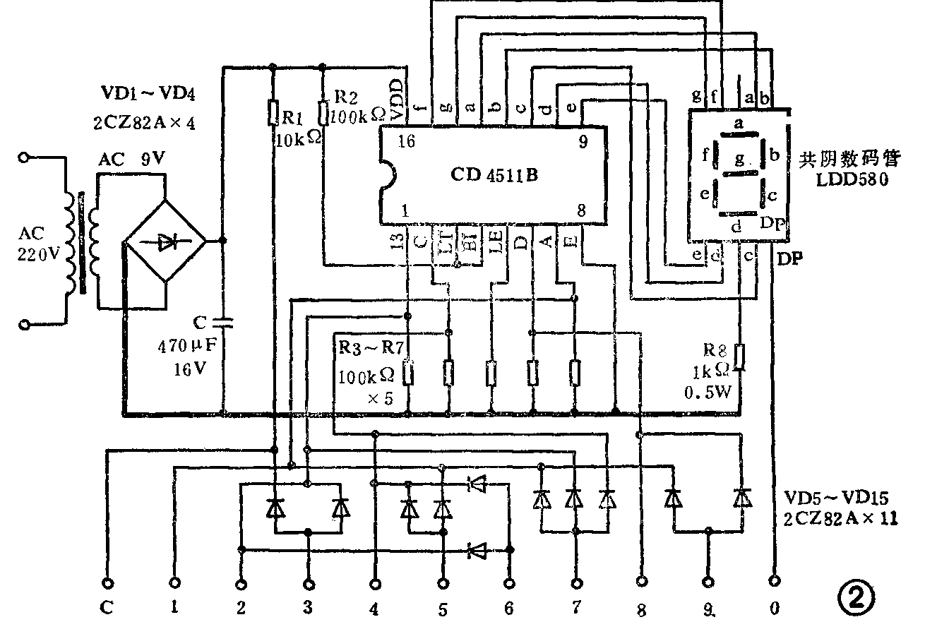
数字开关状态检测电路
一般的检测方法是用万用表的电阻档来测量数字开关的状态,即哪些端子与C端相连。这里再介绍一种显示直观的数字开关状态检测电路见图2。该电路采用了CD4511B二进制BCD锁存7段译码集成电路,二极管VD5~VD15构成0、3、5、6、7、9数字显示功能。按原理图连接好以后,接通电源,则数码管显示为“0”。然后将C端与1、2、3、4、5、6、7、8、9端逐个接触,观察显示是否正确,C端与0端接触时显示为“0”,且小数点也应发光。

当检测十进制(0~9)数字开关时,将原理图中的C、0、1、2、3、4、5、6、7、8、9端焊在与数字开关尾部数字对应的插座上,然后将数字开关插入插座,拨动(或按一下)数字开关,数码管所显示的数字应对应于开关的数字。当开关数字为“0”时,数码管中也应为“0”,且小数点也应发光。则说明开关接通和切换状态正确。若出现数码管变暗或对应数字错位等,说明开关切换接触有问题。
当检测BCD码(8421码)数字开关时,将原理图中的C、8、4、2、1端焊在与数字开关尾部数字对应的插座上。再将数字开关插入插座。拨动(或按一下)数字开关,则数码管所显示的数字应对应于开关的数字,说明开关接通和切换状态正确,否则接触和转换有问题。检测其它数字开关也可以参照上述两种方法进行连接。(夏克奇)