NE5534N是美国Signetics公司生产的高速低噪IC,具有很好的性能,如下表:

需要特别指出的是这种IC的下列特性:
1.转换速率(瞬达响应)极优,达13V/μs;
2.频带宽达10MHz;
3.噪声电平极低,仅4nV/Hz(1/2),比TL082、TL072、LF353等低得多;
4.输出阻抗仅0.3Ω;
5.输出电压高,达±15V(RL=1kΩ时)。
由这几项特性,使该IC极适合制作前置放大电路和电压放大级电路,笔者亦由此几项特性而引发制作这套Hi-Fi电路的。下面就是使用NE5534N作放大单元的唱机均衡放大电路、磁头放大电路、图示式音调电路、功率放大电路以及电源供给电路。
一、电唱盘均衡放大器
电唱盘均衡放大器的电路和印制板图如图1、图2所示。该均衡放大电路使用了比较流行于高档唱机且听感极好的RIAA网络,这种CR-RC均衡网络的增益约为-20db,频响10Hz~30kHz±0.3db。为了提高信噪比以及过载能力,将该网络插在两级放大器之间,并且将第一级放大器的增益设计为20db,以抵消RIAA网络的负增益,使过载能力不至于恶化,至于第二级的放大量设计为20~40db可调,以适应不同唱头的要求。


该放大器的制作除了使用的NE5534N必须是正品以保证电路性能要求外,所用的电容电阻特别是RIAA网络的电阻希望能使用1/4W~1/2W误差1%的电阻,而电容应用损耗较小且精密度较高的聚苯乙烯电容器,其它耦合电容最好使用钽质电解或用音箱分频器专用的无极性电容器。信号引线必须使用屏蔽线。如有兴趣,可用铁皮制作一铁盒将整个放大器屏蔽起来(笔者使用可上锡的易拉罐剪开敲成),这样对提高放大器的抗干扰能力,提高信噪比有利。
用该放大器和以前的用TL084、LF353等制作的放大器作试听比较,不论是高频响应或是音乐的解析力、乐器的定位等等均有明显提高。如能用该放大器替代一些成品唱盘的用JRC4558等制成的均衡放大器,可令唱盘马上升级,效果立竿见影。
二、磁头放大器
该线路和一般的磁头放大器没有什么区别,其补偿点设在3180μs和120μs(70μs—金属带时),关键是使用了NE5534N,使电路性能极佳。由于使用了±15V电源供电,其正负输入端的直流电位为零,故将常见的输入耦合电容取消,这样做不仅减少了由于耦合电容带来的噪声,而且使低频频响可更好一些(注意如果±15V电源不严格对称时,则该电容不能少)。同样,电阻、电容元件要注意质量,尽量用些高品质的,信号线用屏蔽线,整个磁头放大器可能的话用铁皮屏蔽起来。
三、图示式十段音调电路
十段图示式音调电路如图5(有关电路的设计本刊已介绍过,这里不赘述了),印制板图如图6。由于使用了NE5534N,使这个十段图示式均衡放大器不但噪声极低、升降明显,而且层次分明,解析力极佳。与用LM324等通用电路组成的十段均衡放大器相比较,听觉上明显不同。


如果制作十段音调器嫌成本太贵,可作五段均衡。用NE5534N制作的五段均衡器的效果已是很好的了。线路板的改制也很简单,将其中五段不要即可,电路的元件数值见图5。使用的元件要注意质量,特别是电容器要用损耗小、误差小的。
四、功率放大器
本功放电路(线路如图7、印制板如图8所示),首先,使用了瞬态响应达13V/μs、输出电压达±15V的NE5534N作电压放大级,其次是提高后级电源电压(±30V~±45V,视功放管耐压而定),后级采用一致性较好的达林顿功放对管或功放模块(如TD5BC10等)。因而,虽然从电路上初看变化不大,但音质与原来用工业用IC作电压驱动的电路相比,可谓是天壤之别。本功放电路在±35V电源供电,R\(_{L}\)=8Ω时输出功率达50W,音质透明清澈,乐器定位准确。


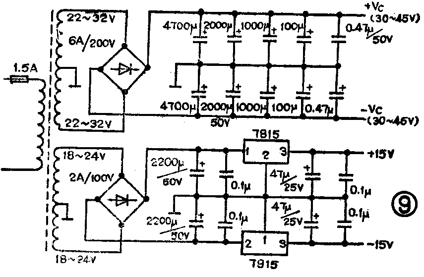
五、电源供给电路
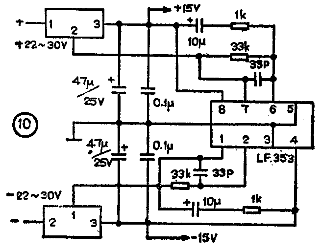
比较简单且效果较好的是用图9的电源电路。功放级用简单的整流滤波电路,前置、音调和电压驱动级电路用7815和7915稳压后供给。如想让音质更好,前置和音调、驱动级可用Technice研制的有源伺服电源。这种有源伺服电源不单在频率很低的直流范围性能很好,而且由于使用了高速运放(本文用LF353瞬态响应达13V/μs)与三端稳压集成电路搭配,由高速运放对高频段进行补偿,使高频特性得到大幅度的改善,且噪声较其它电源也要低得多。该直流伺服电源电路如图10,印制板见功放板(图8)虚线部分。(郑世明)



