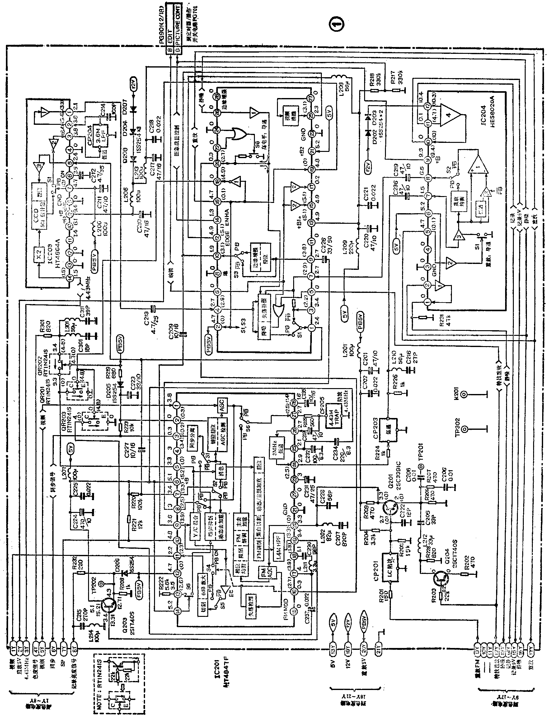
426E录象机的亮度信号处理电路见图1所示,是以IC201~IC204四块集成电路为主构成的。427E录象机的亮度信号电路与图1基本相同,仅少数几处有所差别,即:427E机中没有L301、C301、L307、C311;在IC203③脚与CP204之间增设了一个100μH电感L216;IC204改用HES8083(426E机为HES8020A)等。HES8083的主要特性则与HES8020A相似,两者引脚功能完全一样,可以互换。因此下面以426E机为例,讲解的电路原理和检修内容同样适用于427E机。图1亮度电路包括了记录和重放两个通道,现分别予以介绍。

1.亮度信号记录通道
亮度电路的录、放工作状态转换由集成电路内的电子开关(S1、S2……)控制,IC201~IC204中均有这种电子开关。电子开关的切换则受控于来自微处理器IC901④脚输出的重放控制电平。重放时,IC901④脚输出5V高电平,分别加到IC204⑤脚和IC202脚,使IC204内的电子开关S1、S2等导通或切换至PB端(重放端),并使IC202内的S1、S3也被切换至PB,同时由IC202②、输出PB5V(重放5V)电压。IC202②脚的PB5V电压分别加到IC201脚和IC203的⑦脚,使IC202和IC203内的电子开关S1等均切换至PB或PB ON(重放接通)位。IC202输出的PB5V则加到色度电路。此外,PB5V电压还使Q201管工作,让重放亮度信号通过Q201放大后加到IC201;PB5V亦使开关管QR202导通,让重放色度信号进入IC201。
记录时,IC901④脚输出低电平(0.1V),使IC201~IC204内的电子开关均切换至断开位或PB-位(即非重放位,包括记录、停止及快进等)。此时因PB5V电压为零,Q201不工作,同时IC202输出高电平使开关管QR201、QR203导通。另外,记录时微处理器IC901⑤脚输出5V高电平加到IC204脚,使IC204⑩脚输出“记录”9V电压,通过15Y连接线等送入磁头(前置)放大器,使其进入记录工作状态。
亮度电路(和色度电路)的5V和12V电源电压则直接来自电源稳压电路,只要按下录象机操作开关的5V、12V电压就加到亮度电路。
录象机处于记录状态时,从IC201①脚输入的视频信号由AGC电路对其稳幅。这是因为亮度信号调制载波范围固定为3.8MSHz~4.8MHz,输入视频信号幅度必须稳幅。但这里的稳幅是指稳定视频信号的峰峰值,即同步头幅值,而不是稳定与图象内容有关的视频(图象)信号幅度。因此检测视频同步头幅度的参考脉冲要进行钳位定幅。图1中,将IC201⑦脚输入的亮度信号经消色、同步分离和键控钳位后,得到一个由行同步信号延迟钳位形成的定幅参考脉冲和经钳位的亮度信号两者叠加后产生的AGC检测电压。该电压由AGC检测器检出与视频信号峰峰值大小相关的AGC电压,经IC201②脚外接电容C223滤波之后去控制AGC电路的增益,从而使AGC电路输出稳幅视频信号。
AGC电路输出分成两路。一路是作为E—E(电—电)信号,经IC201内的S3从⑧脚送出,然后通过C226、IC202⑨、⑩脚间的S3(直通)和C209送回IC201(⑨脚),再由E-E放大器放大,并通过S5加到切割钳位和6dB放大器处理后从脚输出。IC201脚送出的视频信号经YCT电路处理后,从视频输出插座输出,或经射频变换器转换为射频信号输出,以供电视机监视记录中的图象。应该注意,E—E信号并没经过磁头记录,电视机所监视的图象仅代表送入录象机后经AGC等少量电路处理过的视频信号。但设置E—E电路便于检查、监视录象机的记录等工作情况,也有助于判断某些故障。
AGC电路输出的另一路视频信号经IC201内的S6、、R225后加到4.43MHz陷波器CP205上,由CP205滤去4.43MHz色度信号,分离出亮度信号。亮度信号再经C233、IC201送到3MHz低通滤波器,然后通过、R224,由低通滤波器CP203和L210、C216组成的陷波器进一步滤波和延时处理之后,取出上限频率为3.5MHz左右的亮度信号,并通过C236送入IC204⑦脚。IC204在记录状态主要起降噪作用。从⑦脚进入IC204的亮度信号先经放大器3放大,之后由低通滤波器、运放电路2和1组成的降噪电路减小噪声,再通过IC204⑧脚、C219、IC202⑦脚、IC202的S1和①脚、C227加到IC201⑦脚,这就是前述AGC电路中提到的⑦脚亮度信号。
IC201⑦脚的亮度信号除供AGC电路用外,更重要的是要经消色、钳位、动态预加重、主预加重、黑白切割、调频及高通滤波等一系列处理后,变换为调制载波频率范围固定为3.8~4.8MHz左右、整个信号频谱范围约为1~8MHz的FM(调频)亮度信号,以供视频磁头记录用。这一系列的处理电路均集成在IC201内,图1中已将各个处理电路的功能框示出,其中1.4MHPF为1.4MHz高通滤波器。
2.亮度信号重放通道
重放在原理上是记录的逆过程,亮度信号流程与记录时相反,是从磁头到视频输出端。但对具体的重放通道来讲,其中的少数处理环节并不是记录的逆过程,如失落补偿电路等。由于有了上述记录原理基础,重放通道的大部分电路就很容易理解了,因此下面仅以简单形式说明重放信号流程,然后对少数非记录逆过程的重放环节作简要讲解。
重放信号流程:视频磁头→前置放大器→R201→CP201(提升被衰减的5MHz左右区域的FM高频信号)→Q201(预放)→L202、C207(滤去1MHz以下的色度信号)→IC201、FM AGC(调频信号幅度稳定)→相位均衡(补偿高频信号相位失真)→限幅(切去调频信号中的调幅成份,避免调幅干扰)→FM解调(将亮度FM信号解调,还原成原来的调幅亮度信号)→主去加重→S6→IC201R225、CP205、C233、IC2013MHz低通→R224、CP203→IC204⑦→放大器3→重放均衡(延时亮度信号相位,使之与色度信号相位一致)→S2→IC204⑧、C219、IC202⑦→失落补偿、YNR(含失落检测及IC2031行延迟线)→IC202①、C227→IC201⑦→S2→动态去加重→噪声抑制→S3、IC201⑧、C226、IC202⑨(噪声抑制后的亮度信号另一路径IC201的S1、同步分离电路后,分出同步信号加到色度和伺服电路去)→钳位和边缘增强(恢复亮度信号的直流成份,使同步头对齐,并使图象边缘黑白变化增强,提高图象鲜明度)→IC202⑩、C209、IC201⑨→Y/C混合(将⑨脚亮度信号与⑤脚色度信号混合)→S4、S5→切割、6dB放大、IC201→视频信号输出、YCT(最后两节与前述E-E电路相同)。
在亮度信号重放通道中,失落补偿和YNR(亮度降噪)电路由CCD(电荷耦合)一行延迟器件(即IC203)和IC202相应内电路组成。CCD延迟线是两电路公用的,其输入、输出端(⑤、①脚)直接和通过C213与IC202①(降噪输出端)、④(失落补偿输入端)连接。失落检测信号来自IC201,加至IC202当IC201内的失落检测电路检出信号失落时,IC201输出控制信号,通过IC202至失落补偿电路,该电路便将经延迟的前一行信号补偿失落行信号。由于CCD延迟线实际上是作为失落补偿(和降噪)电路的一行延迟反馈元件使用,电路是一个闭环系统,因此对1行以上的行相关失落信号均可进行补偿,或者说对某一行上的亮度失落点可用前1行、2行、3行……相关信号重复补偿,直至失落信号基本被补偿为止,因而补偿效果甚佳,明显改善了旧带重放效果。YNR电路也是采用类似失落补偿的行相关性处理方法,并利用信号相加、相减原理,使相邻两行信号的噪声相抵消或缩减,而亮度信号不受影响,信噪比因此得到改善,一般可改善3~4dB。
IC202⑥脚是编辑(EDIT)控制端。当用426E机作复制象带的放象机时,将编辑开关S752(在定时/操作电路中)置ON位,则5V高电平通过S752等加至IC202⑥脚,使降噪电路停止工作。这样可避免可能会由YNR电路引起的少量行间信号干扰现象,使转录图象更为清晰。
IC201脚除有失落检测输出功能外,还有静噪和模拟场同步输入作用。在上带加载过程中,从系统控制IC901的静噪高电平加到IC202然后从IC202出,送入IC201内,使开关S4断开,重放通道被切断,故无任何输出信号,起到静噪作用。上带结束后,S4接通,重放图象出现。在特技重放期间,因从磁带拾取的场同步信号幅小且不准,故从伺服系统IC602引出伪(模拟)场同步信号,经隔离二极管后同样由静噪控制线加入IC201;不同的是伪场同步脉冲经S4而混入视频信号,以保证特技重放时的图象稳定。
亮度信号处理电路检修
虽然亮度信号电路比较复杂,环节很多,但因大部分电路都在IC201~IC204中,外围元器件较少,所以只要熟悉了上述信号流程及基本处理过程,再掌握有关技术数据后,就不难排除各种常见故障。
1.重放无图象(有噪或无噪)
重放良好象带而无图象,如果屏幕上可见噪粒,故障在FM解调电路之前,一般以IC201之前的Q201预放级或CP201损坏的可能性较大。如果检查IC201电压正常,且Q201、CP201也无问题,一般是磁头或磁头前放器故障,可参考上期文章予以检修。若IC201电压异常,且外围直流回路及IC201供电电压无故障,说明IC201内电路损坏。
当发生重放无图象也无噪粒或噪声极微故障时,表明亮度重放通道的电源电压或静噪电路、FM解调器之后的电路中有问题。对此故障,首先应检查亮度电路的供电电压(5V、12V)和PB5V是否正常。若均正常,再查IC201各脚电压和IC202~IC204与重放通道有关的引脚电压。IC201~IC204各脚电压均已注在图1中,其中没括号值为重放时的电压,有括号值为记录时的电压。应注意,原版图纸上少数电压标注有误,图1中已改过。另外由于测量电表及电路元器件、供电电压等存在一定差异,因此实测值与图示值可能出现10~30%的差别。不过当IC201~IC204内电路发生故障时,其相关引脚电压大多会产生明显改变,因此若实测电压与图示电压相差过大,且排除了相关外围元件引起故障的可能,便可判断IC损坏。
在检查IC201各脚电压时,可以先测量⑥脚电源电压和脚静噪电压。若⑥脚电压正常而脚电压不正常(一般2.5V以上),说明静噪电路有故障,应进一步检查IC202系统控制IC901静噪电压。这样可很快找到故障点。若测量IC201⑥和电压均正常,就可首先排除电源及静噪方面的原因。
如果检查电源电压、静噪电压及IC201~IC204各脚电压后均没发现异常,说明FM解调电路之后的重放通道存在交流开路、短路或阻塞故障,一般大多是外围耦合电容,如C227、C226、C236、C219等开路或失容所致,少数情况下也可能是重放通道流程中的电阻变值、印制线断裂或集成块内电路失效而引起。通常,在IC203⑤脚电压大体正常情况下,IC203内电路损坏不会引起无图象故障,故可排除其引起故障的可能性。此外,判断IC202是否损坏可用一只33μF电容分别跨接于IC202①、⑦间和⑨、⑩间,若图象随之出现(图质不去管它),便表明IC202内电路有故障。同理,也可在IC204⑦,⑧间跨接同样电容来判断IC204是否损坏。倘若经查IC202~IC204均无故障,那么就将故障范围缩小到IC201内FM解调器之后的电路及其为数很少的几个外围元件上了。
2.重放图象噪点多
重放良好磁带而图象噪点多,一般是亮度信号在重放通道中受到较大衰减所致,应重点检查FM解调器之前的电路。通常以Q201、CP201等不良的可能性为大。这种故障大多是视频磁头脏污或磨损等造成,磁头后级电路的原因较少见。
3.重放图象有斜纹干扰
在用监测器(电视机)监视录象机视频输出信号时,重放图象出现斜纹干扰,这一般是色度信号干扰亮度信号所致,应重点检查滤波元件CP205、CP203及L210、C216等是否良好。
4.重放静象不稳定
出现这种故障时,特技重放图象(静止期)的场同步均不稳定,图象垂直抖动,但正常放象时同步良好。检查时应试调录象机面板上的垂直同步钮(RV702),看图象能否稳住,以排除RV702调整不当的可能。若调RV702无效,应查伺服系统IC602来的伪场同步脉冲是否正常;若正常,说明IC201损坏。
5.记录无图象
重放正常而记录无图象,表明亮度记录通道出了问题。对此故障,先应检查是否有E-E信号输出。如果能看到E-E通道送出的图象,就可排除从视频(或天线)输入端至视频(或射频调制)输出端之间所有电路出故障的可能性,而且还可初步判定IC201损坏的可能性很小。接着可检查与记录通道相关的IC201、IC202、IC203的各脚电压,先测量记录控制电平(IC202)、记录9V输出(IC202⑩)及PB5V(应为0V)是否正常。再检查IC202①脚输出的静噪电压,该电压在记录中应为0V,仅在磁带上带过程中给磁头前放器送去一个高电平,以切断视频信号通路,防止在上带中记录上不稳定的图象信号。若实测IC202①为3V以上高电平,大多是IC204损坏。如果上述检查均没发现问题,说明记录通过存在交流开路或短路等故障。(王德沅)