常见的小型便携式立体声单放机,通常只能用阻抗为32Ω的立体声耳机供个人使用。如想外接一个音箱,使之扩大聆听范围,应该如何改制呢?下面我们就此介绍改制的方法和经验。
一般来说,单放机的功率集成电路都适合工作于低电压(3~4.5V)。如常见的无锡产M923型、文乐168A型、百灵BX222型、宝利PJJ878型所使用的CXA1034P集成电路,日产CLIP使用的CXA1005P电路,日产KASUGA、KC-238中使用的μPC1263集成电路,皇冠CS-55型使用的LA4570电路,厦华CT141使用的AN7108集成电路,厦华402型所用的TA8111AP,京华JM—92型使用的BA3520电路,其它还有μPC1350、LA4520等集成电路,它们在负载阻抗为32Ω时输出功率约为25~35mW左右。
由于集成电路的输出功率太小,如CXA1034P集成电路,在32负载时,失真度为10%,才25mW,如接上8Ω的扬声器,其输出功率至多为100mW,仅能带动两个2.5英寸、0.25VA的小扬声音箱,但放音不令人满意。若要获得大些的输出功率,那就应该给放音机加功率接续器,以推动较大功率的音箱。
.5W功率放大器
图1(a)是用分立元器件装制的0.5W功率放大器,最大功率可达1W(指不削波输出)。这个电路装置非常简单,只要将元件焊入印刷板,无误后,测得整流滤波电压为10V,然后调W\(_{1}\),使A点对地电压为5V(此时W1值约为16kΩ),再调W\(_{2}\),使8050功放管集电极电流为10-15mA(此时W2值约100Ω)所选3DG6的β均应大于80,NPN8050与PNP8550是一对互补管,若不易找到,也可用3DG12、3DK4、3DK9与3CG3、3CK9等中功率管代用,β值大于150为好。

电源变压器的铁芯截面积为5cm\(^{2}\)(即舌宽乘迭厚的积)选用优质硅钢片,初级绕组用φ0.18的漆包线绕2200圈,次级用φ0.51的漆包线双线并绕70圈,初、次级之间要用屏蔽层并妥善接地。
电源变压器也可使用次级电流为1A、输出有双9V、12V、15V的成品变压器。
图1(b)是它的一个通道的印刷电路板,读者装制立体声放音机的接续器,应制作同样板子两块,而共用一个电源电路,即将印板上B点与另一块B点用粗线连接,接地点也应与接地点相连,这样左右通道就可共用一个电源了。电位器W最好用双连电位器,以使同步调节。该电路BG\(_{1}\)组成电压跟随器,设置的目的是可使该接续器适用立体声唱机等放唱用,如果仅用于放音机扩声,那么信号可直接从电容C的“+”端直接输入,BG1与其有关元件全部可以不用,但C\(_{L}\)不能去掉。音量控制也可直接用单放机的,且单放机音量不宜输出太大,以免扩声部分产生信号削波而失真。

扬声器可选用4Ω阻抗、功率为1VA的。
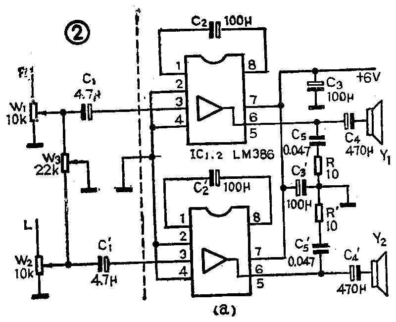
小功率立体声放大器制作
图2(a)(b)是用两块LM386制作的小功率立体声放大器,它在8Ω负载下,每个声道可输出0.5W功率,若用4Ω扬声器,则可输出1W功率,但C\(_{4}\),C4'改为220μ电解电容器,W\(_{1}\)与W2可用双连电位器,W\(_{3}\)是平衡电位器,本机无须调整,如果接线无误,输入信号就能正常工作。


本机电源变压器与整流滤波部分与图1同。若用一块三端稳压器7805与一些器件可供接续器使用。当使用4Ω扬声器时7805最好加上适当的散热器。7805器体作稳压器见图2(C),其Vi输入点即图1(a)虚线部分右边的Vi点,这样接片可使输出达到6V以上。

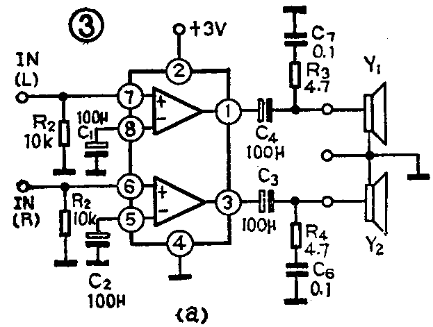
图3(a)是用TDA2822M装制的立体声功率接续器,这是一块体积小巧,电性能优良的功放集成电路,它使用的外围元件很少。R\(_{1}\)、R2为输入电阻,C\(_{1}\)、C2提供交流负反馈通路,C\(_{3}\)、C4是输出电容,R\(_{3}\)、C5与R\(_{4}\)、C6用以抑制高频高次谐波,使音色纯正,这个电路在9V电压、8Ω负载时每声道可输出1W功率。而6V电压、4Ω负载时,每声道能得到650mW功率。图3(b)是它的印板电路,这个电路的输入端也应加上如图2(a)虚线左边的输入电路,如不需要立体声平衡电路,也可将W\(_{3}\)去掉。即将图3(a)的⑦、⑥端分别接图2(a)虚线左边,即C1'与C\(_{1}\)的正端即可。(未完待续)(张国华)

