T6668语言集成电路它是目前国内市场上能购买到的较理想的语言集成电路之一。2分钟的录放时间往往觉得短了,能否延长时间,又如何使装置更经济,是广大业余无线电爱好者的共同愿望。这里介绍点滴体会,供大家在使用T6668集成电路时参考。
工作原理
T6668各引脚功能及其运用在《无线电》已有专门介绍,这里详细地介绍对延长录放时间有用的引脚及功能。6脚(EXT)是外接扩展存储器输出端,平时为低电平。在录音工作状态下,T6668内部计数寻址达1M(外接4个256k DRAM)时,此端输出一个20m。左右的高电平脉冲,当寻址小于1M时,6脚保持0电平不变。在放音过程中,寻址小于1M时,6脚为0电平;当寻址达1M时,6脚输出为高电平。41脚(EoS)是工作状态指示输出端。当电路在非工作状态时,此端为高电平。当电路为录音或放音工作状态时,此端为0电,一旦录音或放音结束,此端恢复高电平。根据这两脚的输出状态,可外接存储器进行延长录放时间。两脚不同的是6脚仅当寻址达1M时,方有信号输出,而41脚在寻址过程中,只要工作状态结束,输出就改变,当寻址达1M时,工作状态也自动停止,随之输出也变化。
多台联机
多台使用T6668的固体录音装置,可以自动地扩充录音和放音时间。如图1所示,A、B是使用T6668语言电路安装的固体录音装置。启动开关接于A中T6668之32脚,6脚接一级单稳电路(单稳可用4013D触发器安装,电路参考图3)的输入,单稳始出送至B装置中T6668的启动端32脚。装置A、B的录放选择开关,采用联动开关。其工作情况如下:当联动选择开关置于录音档,启动工作开关,A装置开始录音,A装置寻址达1M时,A的录音工作状态自动结束,同时6脚的输出信号使单稳电路输出一个高电平脉冲,随即B装置被启动,开始录音工作状态。如果A、B联机录音时间尚太短,可再接单稳启动下一级T6668录音装置。当录放选择为放音时,工作过程与录音类似。这里用6脚的输出信号作下一级启动信号,若用41脚信号反相后送入单稳电路,同样可以启动下一级工作。不过,当录放内容短,不需下一级时,采用41脚信号,会产生误动作,第一级寻址不足1M,工作状况结束后41脚输出也变化,即会使下一级自动转入工作状态。取6脚信号,启动下一级,需加抗干扰措施。多台联机共“清零”、“停止”可参考T6668的要求联接。


开关选择RAM
录放时间小于4分钟的固体录音设备可以采用扩充RAM的步法,如图2所示。T6668最多可取用4块DRAM41256,使用四单刀双掷开关,可扩充4块41266。因此,录放时间可以扩大一倍。当连续录音时,可使用6脚、或41脚的指示信号,及时更换开关位置,延长录放时间。

用四组联动的单刀双掷开关选择RAM,延长录音时间,其方法简单,但对于连续录音时。需人工切换开关,稍不注意会影响录音的连续。
自动选择RAM
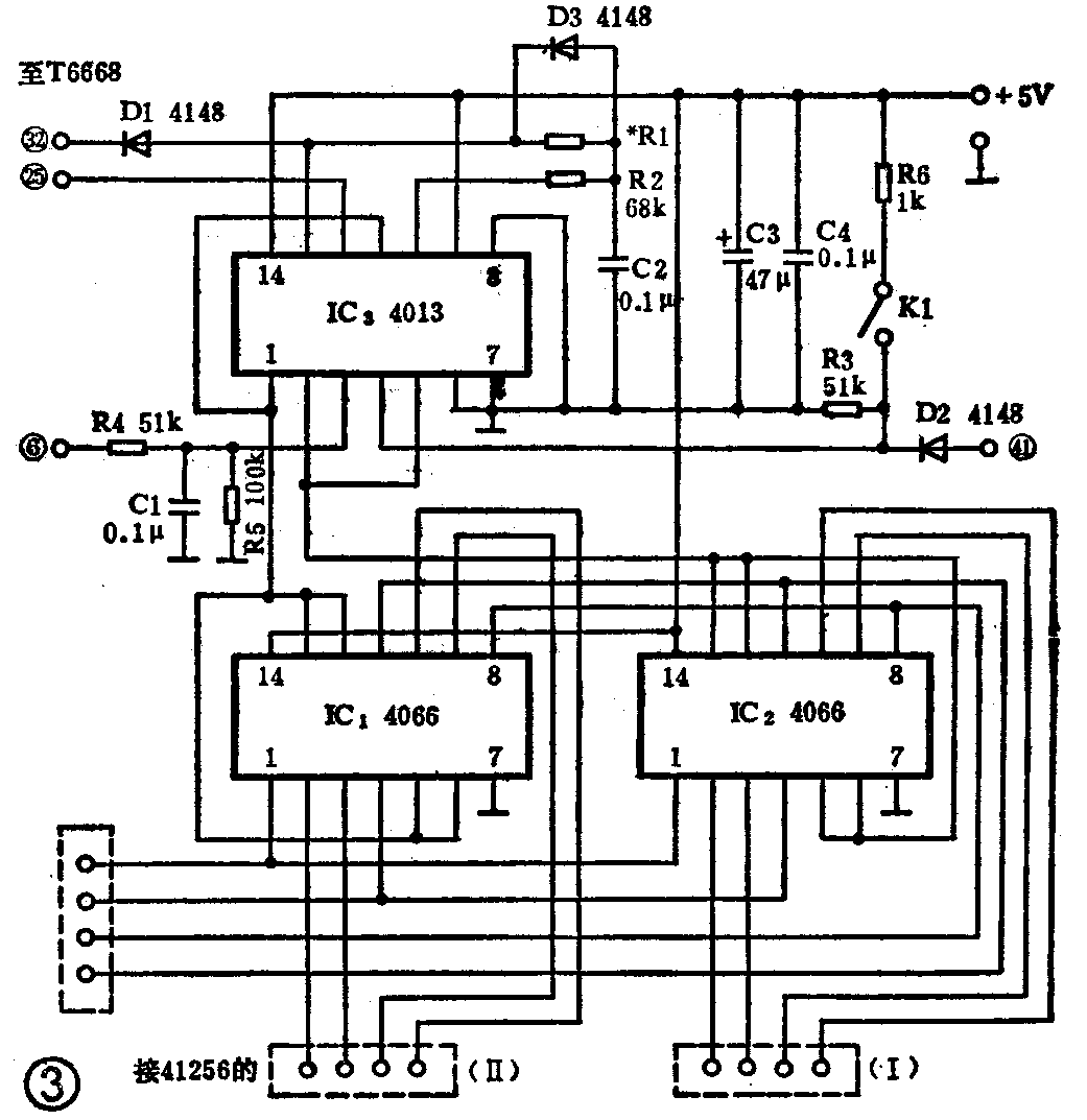
图3是自动选择RAM的一种方法。图中用4066四双向模拟开关组成单刀双掷开关。4066引脚功能参阅图4。当控制端C为高电平时,I与O之间导通,当控制端C为零电平时,I、O之间为高阻,相当于开关关闭。用两个4066构成图2中的四组单刀双掷开关。开关的公用端,即4066的4组I端分接接至T6668的1、2、4、5各脚,8个O端分成两组,接41256的15脚。二组控制端C,分别接4013的Q和Q-,因此,两组41256只有一组导通,当Q=1,Q-=0时,则Ⅰ组导通,Ⅱ组关闭;当Q=0,Q-=1时,Ⅰ组关闭,Ⅱ组导通。4013一半组成双稳状态,另一半组成单稳工作状态。当T6668开始录音工作时,4013的Q\(_{1}\)=0,Q-1=1,则Ⅰ组41256被选通。寻址1M后,录音工作停止,6脚输出一个约20ms宽的高电平脉冲,送入4013的CP\(_{1}\)端,因41脚为低电平,R1=0,所以触发器翻转,Q\(_{1}\)=1,Q-1=0。Ⅱ组41256被选通,Ⅰ组41256被关闭,Q\(_{1}\)转为1时,触发CP2,使Q\(_{2}\)单稳,输出一个大于50ms的高电平脉冲,送至32脚,重新启动T6668录音工作,此时Ⅱ组存储器被选通。当录音工作结束时,41脚由0上升1,这时R1=1,Q\(_{1}\)由1下降0,Q-1由0上升1,恢复到Ⅰ组选通,Ⅱ组关闭,等待了一次工作。当放音时,过程与录音相似,从第Ⅰ组开始放音,到第Ⅱ组选通直至到放音结束然后存储器仍恢复到Ⅰ组选通,Ⅱ组关闭的初始状态。图3电路中主要检测点的波形见图5。在图3中当开关K\(_{1}\)闭合时,4013始终保持Q1=0,Q-\(_{1}\)=1,即录音时间短于2分钟,只要Ⅰ组41256工作而设置的,当K1打开时,为延时扩充状态。4013的Q-\(_{2}\)输出可供T6668的25脚,作清零信号,保证在第二次录音前T6668先清零。使用清零信号必须与录音工作开关同步接通,放音状态必须切断,防止放音时25脚清零信号使录入的内容被清除。(天文)

