LED点阵管是为大屏幕显示而设计的一种通用型组件,常见的7行×6列点阵管如图1所示,其内部是由35枚发光二极管组成,不仅可以显示数字、还可以显示西文字母及符号,因此,LED点阵管在大屏幕显示、智能化仪器仪表及家用电器中有着广阔的应用前景。

2157型和1035型是常见的共阳极LED点阵管,两者封装尺寸不同,但引脚功能相同,图2是它们的内部接线及引脚图。对于共阴极的2057型图2中的LED极性相反,引脚号不变。

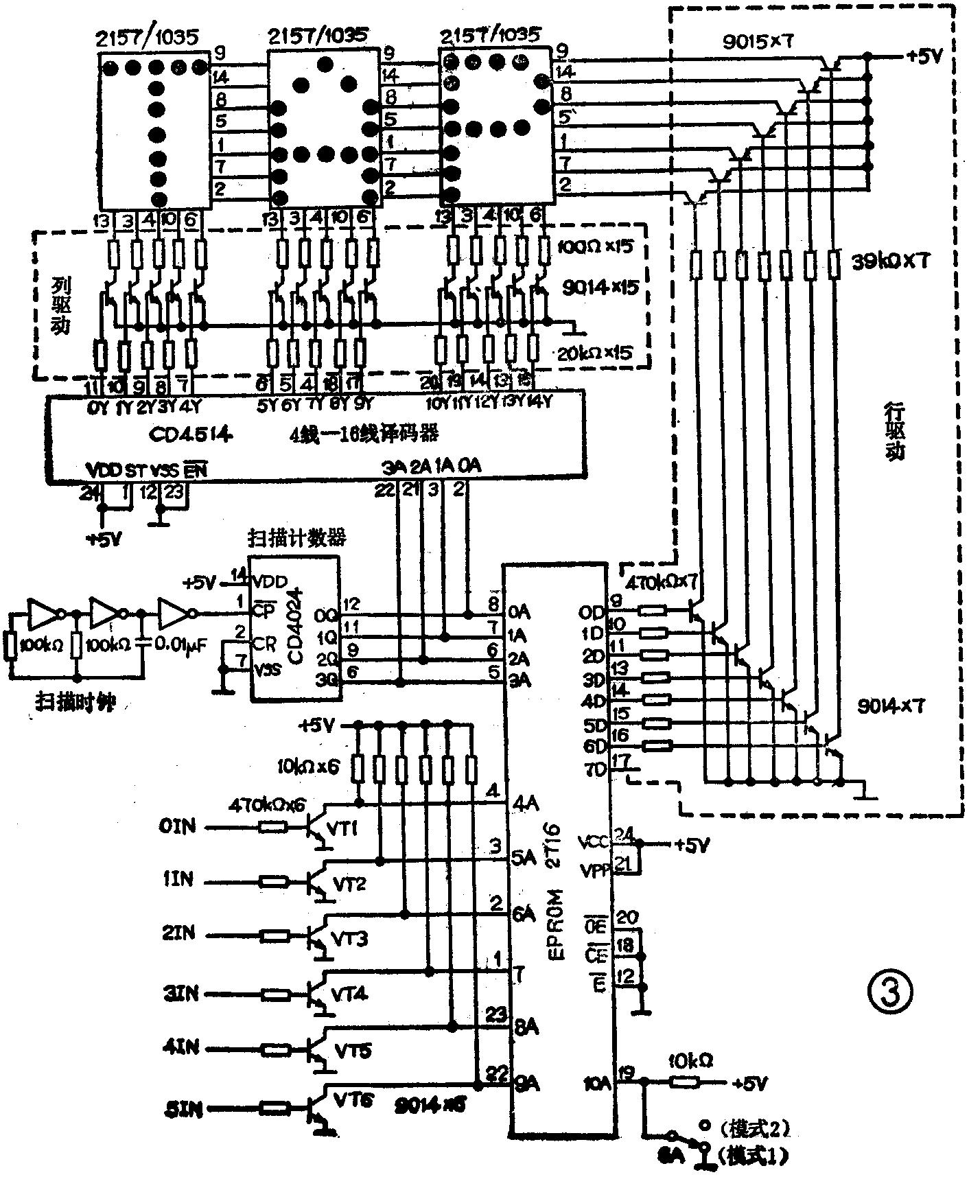
LED点阵管采用动态扫描方式,在实际应用中,大多数是由微机系统或单片机驱动。对于不具备计算机开发能力的爱好者来说,有时仅需要使用少数的几位点阵管作显示器存在一定的困难。针对这一问题,本文介绍一个设有微处理器的点阵管驱动电路见图3。这是一个实用的音响功能显示器。若把它安装在带有遥控系统的家用音响上,在远处可以清楚地看出音响当前所处的功能状态,如PHONO(唱机)、TUNER(调谐器)等。电路的核心器件是一片EPROM2716,其内部固化有显示所需要的点阵数据。

基本原理
图3中,EPROM输出的数据(只用了七位)经驱动电路驱动点阵管的七行;扫描计数器的输出一路接EPROM的4位地址线,另一路经十六线译码器驱动点阵管的列。由于每个点阵管有5列,因此可以驱动3个点阵管;在每一时刻点阵管只有一列被选通,而该列中LED的亮暗是由EPROM的输出数据线控制(高电平点亮);对应点阵管的每一列,扫描计数器会有不同的值,从而选中EPROM的不同单元,使其输出不同的数据控制每一列中LED的亮暗。
EPROM的地址线4A~9A被定义成功能选择输入端,用于选择显示字符。晶体管VT1~VT6对输入电平进行反相转换,增加了该电路的适应能力。图3电路有两种工作模式,由地址线10A的电平决定,低电平为模式一,高电平为模式二,下面分别介绍:模式一:0IN~5IN为功能输入端,每个输入端对应一种音响功能,当某一端呈高电平、其余端为低电平时就会显示出相应的功能字母。
表 1
输入端 对应EPROM首址 显示 功能
OIN 3EOH CD 激光唱机
1IN 3DOH PHO 普通唱机
2IN 3BOH TAP 磁带机
3IN 37OH TUN 调谐器
4IN 2FOH A/N 视听输入
5IN 1FOH LIN 线路输入
由于该模式没有全部利用0IN~5IN的二进制组合,放在EPROM内部存在一些空白区域,当有误操作使多个输入端同时接高电平时,就会选中某一个空白区域,从而造成显示混乱,为避免这种现象的发生,在EPROM内部采用了优先编码方式,即把0IN~5IN对应功能的显示数据按优先等级复制到上述的空白区域,这样当有多个输入端同时接高电平时,仍然会显示出优先等级较高的功能字母。优先等级以0IN端为最高依次降低。表1列出了输入端和显示功能的对应关系。
模式二:该模式使用点阵管的前两位显示功能,后一位显示操作符号。0IN~2IN为功能编码输入端3IN~5IN为操作符编码输入端,这样就有八种功能编码和八种操作符编码,见表2。

制作要点
EPROM建议使用IC插座;图3中的行、列驱动电路是用作共阳极的点阵管,对于共阴极点阵管读者可以自行设计其驱动电路。为了保证点阵管的使用寿命,流过每只LED的平均电流不宜超过15mA。(王建华)