例5故障现象:一台参花828F-AR型汽车收、放机,收音正常,用磁带放音时出现时响时不响故障,且在放B面磁带时还会出现A、B两面串音现象,放A面磁带时不串音。
故障分析:故障表现为收音正常,说明整机供电正常;用磁带放音时,出现时响时不响故障,说明整机电路工作基本正常,只是某处有接触不良现象,在B面磁带放音时出现的A、B面串音现象也属接触方面的问题。所以,故障原因可能是:(1)自动放音转换机构异常;(2)经过长期振动以后,放音磁头移位或松动。
故障检修:打开机盒,直观检查怀疑部位的元器件未发现有异常现象。重新调整磁头方位角,故障依然存在,说明故障并不是因磁头移位造成的。检查A、B两面自动放音转换机构的机械系统,当用手将转换开关使劲往左拉且向下按住时(见图4中所示)。串音和时响时不响故障均消失,说明故障是因转换开关不到位,且存在接触不良引起的。检查夹在转换开关钮两端的钢丝,发现其已变形,用万用表R×1Ω档检查转换开关触点间有接触电阻存在,且电阻值还会发生不稳定的变化。用尖嘴钳将变形的钢丝校正好;用充满酒精的医用注射针管的针头,沿转换开关的缝隙处灌入无水酒精,然后,反复来回拨动开关,直至触点间接触电阻为零时,通电试机,串音和时响时不响现象均消失,故障排除。

例6故障现象:一台日产汽车上的立体声收、放机,无论是收音或放音,均出现只有左声道有声,而右声道无声现象。
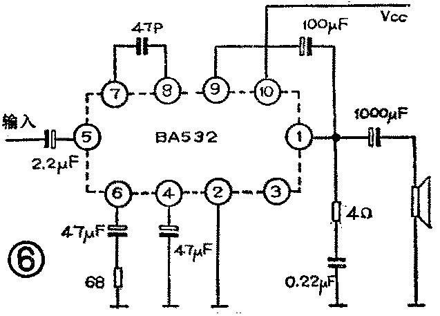
分析与检修:检查发现故障是因机内功放集成电路TA7229右声道电路损坏所致。TA7229是一块20脚双列直插式塑封结构的音频功放IC,其内部是由两组功能相同且相互独立的电路组成,其实际应用电路见图5所示。由于TA7229仅右通道损坏,左通道是完好的,如将其报废确实可惜,况且这种型号的IC也很难买到。试另找一块与损坏部分功能相同的单声道功放ICBA532(其典型应用电路见图6所示)来代替损坏的右声道,让其恢复整块IC的功能,经实际使用,效果不错。现将修理方法介绍如下:先用剪刀将TA7229损坏的右通道引脚①、②、③、④、⑤、⑥、⑦、⑨沿其根部剪断,将BA532用502胶水或环氧树脂粘在TA7229集成块的顶部(详见图7中所示),引脚朝向需要焊接的方向,然后用塑料软导线按表5所列的对应关系将BA532的各脚引焊到剪断的、与印制板相连的对应脚上即可。最后对比图5与图6,将原电路中①、②脚间的47kΩ电阻和③、⑨脚间的47Ω电阻拆除,其余元件不必再动,替换即告结束。经检查无误后,无需调整,机器就可恢复正常工作。如故障是由另一通道损坏引起,可用同样方法修复,对应引脚请看表5。




例7故障现象:一台参花牌828F-N型立体声汽车收、放机,收音正常,放音时完全无声。
故障分析:故障表现为收音正常,说明整机供电正常、功放电路也无故障,故障出在放音前置放大电路中。这部分相关电路见图8所示。其原因可能为:(1)放音磁头电路有故障;(2)集成块IC3本身损坏或其外围电路不良。

故障检修:直观检查磁头表面磨损不太严重,磁头引线也未脱焊,IC3及其外围元件没有碰线、脱焊、接触不良等异常现象;用万用表10V或50VDC档检查IC3各脚电压与表6所列的正常值对比,除④脚Vcc端正常外,其余各脚均与正常值相差较大,检查其外围元件,未发现有异常现象,怀疑是IC3损坏,将其拆下,测其开路电阻值与表6所列的正常值对比有较大的差别。所以,“确诊”是集成块LA3160损坏。由于本地市面上一时无此型号的IC出售,经查阅有关资料,发现价格便宜且市场上货源充足的BA328的引脚功能与之完全相同,外型及外电路连接形式也十分相似,放采用BA328来替换LA3160方法如下:在LA3160的位置将BA328焊好,然后用裸铜线将原机中的D8、D9两只二极管两端短接(见图8中虚线所示)。其余元件均不动,仍用原机的。只要连接无误,无需调整,就可获得成功。
注:BA328是一种较典型的双声道前置放大集成电路,它具有噪声低、外接元件少等特点。所以,它可以替换多种型号的汽车音响IC,除本例机型外,它还可以替换凯歌4B20型汽车收、放机内的LA3161;新丽声汽车收、放机中的M5152L及其它型号汽车音响中的BA3302、IR3R16(其⑨脚为空脚)M51522L、MB3105、μPCll86H、μPC1228、IX1116AFZZ、KA2221等。
例8故障现象:一台进口汽车收、放机内功放集成电路μPC1185H2损坏。

分析与检修:集成块μPC1185H2是日本电气公司的产品,国内市场上较难买到,参考该机的电原理图图9,用手头上现有的一块D7240AP对其进行代换,取得成功。μPC1185H2与D7240AP同是12脚单列直插式结构,其外围电路基本相同,内部功能也基本一样,区别只是在引脚上,除⑤、⑥脚功能相同外,其余引脚功能均不同。用D7240AP代换时,需将不同脚的印制板连接铜箔用小刀切断,将D7240AP装在原散热片上(需重新打两只孔固定),并将散热片和铁质机壳固定好,然后用塑料软导线,按表7的对应关系将D7240AP连接好,再对外围元件进行如下修改:(1)焊下电容C212接地端,将其改接到D7240AP的⑩脚;(2)在D7240AP两输入端与前级电路之间各串接一只1μF/10V的电解电容(详见图9中虚线所示)。其余元件仍用原机的,至此替换结束。(孙余凯)