磁鼓是一个组件,它由上鼓和下鼓两部分组成,如图1所示。上鼓主要用于安装视频磁头,并带动磁头以每分钟1500转高速旋转,对磁带进行扫描,在磁带上记录或拾取视频磁迹信号。426E录象机的上鼓中装有3个视频磁头,其主要结构见图2所示。视频磁头CH1和特技重放磁头CH3为两合一复合磁头,是装在一起的。 CH3的方位角与装在磁鼓另一相对面的视频磁头CH2方位角相同,在静止放象和慢速重放的静象期间,CH3和CH2扫描同一条视频磁迹,以获得无噪扰、不晃动的静止画面,即采用场静象方式。而在常速放象(或记录)等期间,CH3不工作,由CH1和CH2各自拾取(记录)方位角不同的视频磁迹,每拾取(记录)两条磁迹(一个磁头一条),就是拾取(记录)了两场视频信号,组合后就是一帧完整的信号。


下鼓主要由鼓电机、旋转变压器、FG(鼓频率发生器)和PG(鼓相位信号发生器)等元件组成。鼓电机是直接驱动式DD型电机,电机轴即磁鼓的旋转轴,转轴带动旋转变压器初级和上鼓转动。由于视频磁头工作时高速旋转,难以用连接导线取出或送入视频信号,故用旋转变压器来完成此任务。旋转变压器是一种初级绕组随上鼓同步转动、次级绕组固定不动的宽带变压器,视频磁头与录象机电路间的信号传递通过旋转变压器初、次级的磁通耦合而实现。鼓电机由定子线圈、外转子(磁环)和旋转轴、转子位置检测器等组成。PG和FG实际上是磁感应测速(TACH)检测器。鼓电机和PG、FG很少发生故障(驱动电路除外),且属伺服系统范围,故这里不作深入讨论。
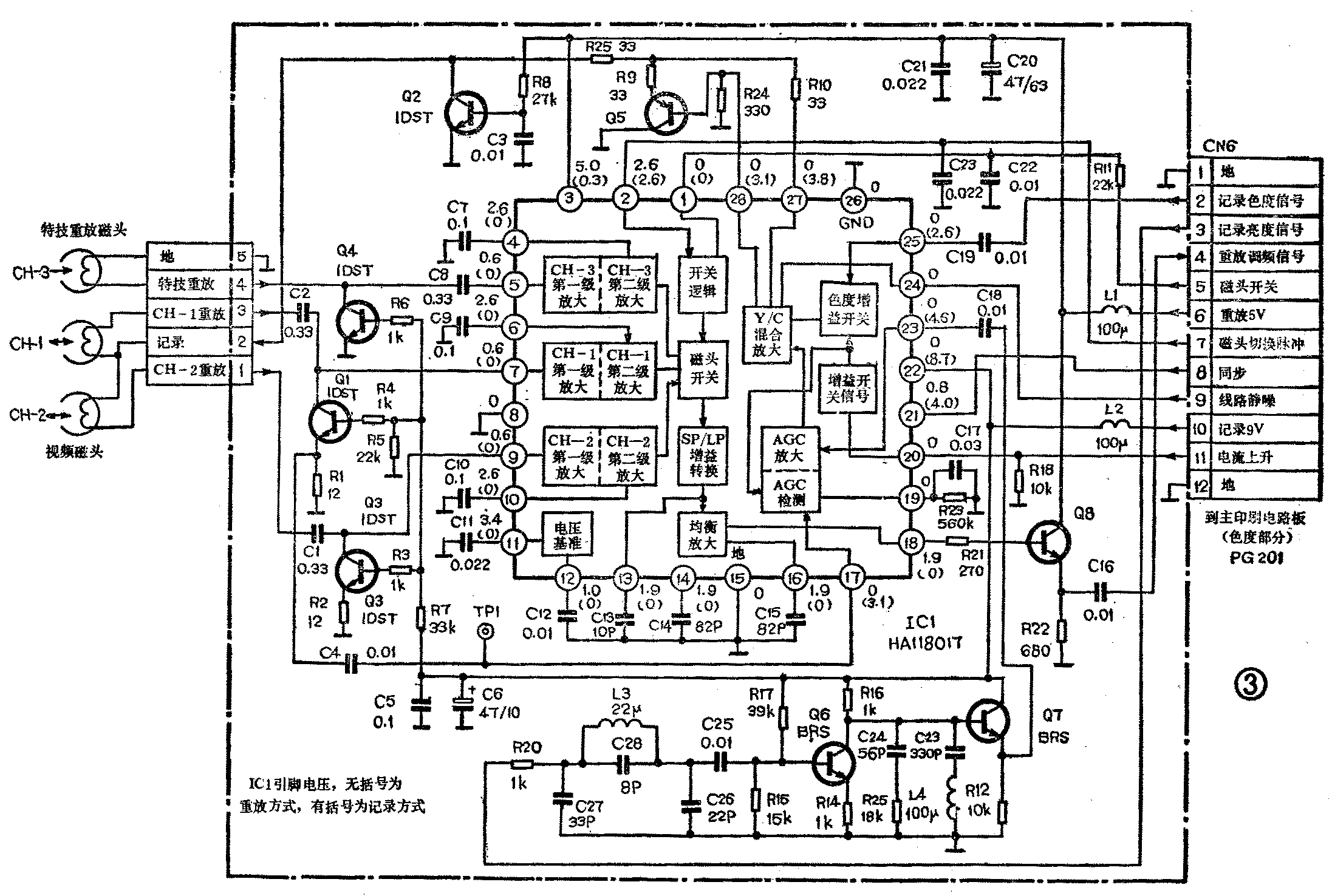
视频磁头通过旋转变压器直接与前置放大器发生信号耦合关系,前置放大器如图3所示(其中未画出旋转变压器)。该放大器以集成电路IC1(HA118017)为核心组成,IC1内的主要功能电路均已在图3中示明。前置放大器可分为重放和记录两部分电路,下面分别予以说明。

1.重放前置放大电路
重放前置放大电路由IC1和①、②、④~⑦、⑨、⑩、、、、引脚的内外电路组成。该电路的作用是将3个视频磁头拾取的微弱磁迹信号(一般仅数百μV)放大数百倍,并把视频磁头CH2拾取的一场视频信号和磁头CH1(特技重放时为CH3)拾取的另一场视频信号切换成连续的视频信号,以便于后面的亮度和色度信号重放电路进行处理。磁头CH1和CH2是录放两用的,其重放时的工作状态由开关管Q2控制。当录象机置重放状态时,来自亮度信号处理电路IC202的重放5V电压经插件CN6、L1、R8加到Q2的b极,使Q2导通,将CH1、CH2磁头的公共端接地,而CH1、CH2拾取的视频信号则分别通过C2、C1加到IC1的⑦脚(CH1前置放大输入端)和⑨脚(CH2前置放大输入端)。
视频磁头信号经IC1内的CH1、CH2前放级放大后,送入磁头开关电路。磁头开关电路受IC1②脚输入的25Hz磁头切换脉冲控制,该切换脉冲来自磁鼓伺服电路IC6014,磁头切换点位置是由鼓相位(旋转位置)决定的。当切换脉冲处于高电平期间,正好是磁头CH2扫描磁带上对应CH2方位磁迹、拾取CH2视频磁迹信号的期间;当切换脉冲处在低电平期间,则正好是磁头CH1拾取CH1视频磁迹信号的期间。这样,在磁头切换脉冲的作用下,磁头开关电路交替切换CH1、CH2前放级与后级电路间的连接,从而在磁头开关电路输出端获得连续的视频信号,其波形关系见图4所示。

当录象机处于特技重放状态的静象期间时,从伺服电路IC602①脚来的(静止)磁头开关信号由正常重放状态时的低电平变为高电平,通过CN6⑤端、R11加到IC1①脚,使磁头开关电路接通CH2磁头和CH3特技重放磁头前放级与后级电路的联系,因而此时由CH2、CH3拾取的场信号合成连续的视频信号。在特技重放的非静象期间(如慢动作或进帧重放时的动象期间),IC1①脚仍为低电平,此时输出的连续视频信号仍由CH1、CH2拾取信号合成,与正常重放时一样。
IC1磁头开关电路输出的连续视频信号经SP/LP增益转换电路(该电路主要对LP,即\(\frac{1}{2}\)常速放象时作适当增益提升。426E、427E机技术规格中没有LP录放功能,但实际可作LP放象用)之后,由均衡放大级放大,然后从IC1输出。输出信号经R21加到Q8的b极。Q8组成射极跟随器,信号经Q8缓冲放大后,通过C16和插件CN6④端向亮度及色度重放电路输出既有调频亮度信号又有降频色度信号的视频信号,由亮度及色度重放电路进一步处理。
2.记录Y/C混合放大电路
记录Y/C(亮度/色度信号)混合放大电路由IC1的、内外接电路所组成。该电路的作用是将记录用的调频亮度信号和降频色度信号相混合,并放大至一定幅度后送至记录磁头CH1、CH2。
来自亮度信号记录处理电路的记录亮度信号由CN6③端加到C26、C27、C28、L3组成的低通滤波器,以部分抑制信号中5MHz以上的上边带,提高亮度信号的信噪比。然后,该信号经Q6、Q7组成的均衡放大器进行均衡放大,放大后的亮度信号由C18耦合至IC1脚内接的亮度AGC放大器。AGC放大器输出幅度保持恒定的亮度信号与IC1进入的记录角度信号在Y/C混合放大器中混合、放大,获得记录视频信号,从IC1输出,再经Q5放大后送到CH1、CH2磁头中去。这里,Q5(PNP管)实际上与IC1内部的NPN输出管组成一个互补推挽输出电路(IC1内难以集成较高β值和f\(_{T}\)值的PNP管),以保证输出足够幅度且畸变小的记录视频电流给记录磁头。
磁头CH1、CH2的记录工作状态由开关管Q1和Q3控制。记录时,CN6⑩端输出记录9V电压,并加到IC1脚和Q6、Q7均衡放大器使记录放大混合电路工作;同时亦通过R7、R3、R4加到Q1、Q3基极,使Q1、Q3导通,故磁头CH1、CH2的重放输出端分别被C2、C1交流短接至地,而记录信号则从CH1、CH2公共端加入,CH1、CH2呈并联的记录工作状态。记录9V电压还使Q4导通,使记录时的特技重放磁头CH3处于短路状态,防止出现可能引起的噪扰现象。
IC1脚所需的AGC检测信号取自R1。R1中流过磁头CH1的记录电流,其压降变化反应了记录信号电平的变化,将此压降经C4反馈回IC1内的AGC检测、放大电路,由AGC放大器输出相应控制电压使Y/C混合放大器增益随之改变,就能将磁头记录电平稳定在一定幅度内,从而实现AGC作用。IC1脚反馈信号受脚的同步脉冲(来自亮度电路IC201③脚)控制,当脚有同步脉冲时脚信号才能加到AGC检测电路,AGC电路才开始工作。
由于在组合编辑记录时,磁带新记录磁迹和原记录磁迹重合区域的原有色度信号难以抹去,会使编辑点处的图象彩色紊乱。为了解决这个问题,426E机IC1内设置了增益提升开关电路。在组合编辑记录开始时的约3秒时间内,将来自系统控制微处理器IC9011的增益提升控制高电平经CN6加到IC1,使IC1的增益开关启通,亮度和色度电路增益因此提高6dB,送入磁头的记录电流也就提升约6dB,从而能有效地抹去原色度信号,保证了编辑点的图象质量。
磁鼓故障检修
在检修磁鼓过程中往往需要拆下上鼓,这是相当重要的一环,因为拆卸不当很可能导致价格昂贵的上鼓报废,而且此种现象屡见不鲜,维修人员必须充分重视这个问题。下面先介绍如何正确拆卸上鼓,请参见图5。先拧下静电放电刷的一个固定螺丝,卸下放电刷。随后拧下固定上鼓的2个螺丝,再用手捏住上鼓无视频磁头位置,用力将上鼓向上拉出即可。由于上、下鼓之间不仅配合精密,还有接插件连接(见图2),因此大多要相当用力才能拉出上鼓,拉出时必须防止因用力过猛、上鼓碰撞机件而损坏或损伤。难以拉出上鼓时,切不可乱摇乱旋上鼓,更不能用改锥等工具撬动,最好借助专用拔鼓器来拆卸。若没有,可将上鼓轻轻左右摇动几下(不要使它转动),然后再用力向上拔便可拆出。

检修完毕,重装上鼓时可逆上述过程进行。但应注意使上鼓磁头接插件蓝色一边对准下鼓旋转变压器上的箭头(图5)后才能将上鼓插入下鼓中;上鼓2个固定螺丝在即将拧紧时应交替拧动,直至拧紧;上鼓装完后要清洁整个磁鼓表层后方能开机试验。如果新换上鼓,按一般要求应对磁头切换点、跟踪预置、X值及导柱等进行适当调整。但许多维修实践表明这些调整大多数情况下完全可省去,原因是磁鼓一般都有足够精密度,除了少量质差者。
磁鼓常见故障如下。
1.视频磁头脏污 这是最常见的故障。磁头脏污后将直接影响重放和记录图象的质量,其故障现象随磁头脏污程度而不同。磁头严重脏污时,图象完全没有,只见雪噪点;脏污较轻时,可见闪烁或“蒙上一层纱网”样的模糊图象,同时伴有雪噪点,彩色消失或时有时无等。视频磁头脏污时一般对伴音没有大的影响,除非音频/控制磁头也同时脏污。在维修中遇到的大都是3个视频磁头均脏污的情况,此时的故障表现主要是雪噪点多、无图象或图象模糊不清。如果只是1个或2个磁头脏污,通常出现闪烁及纱网状模糊图象(可能在特技重放时),不过这一般较少见。
检查判断磁头脏污故障,除了可依据上述图象情况外,还可用放大镜观察磁头,通常很容易发现磁头上的污垢。清除磁头污垢一般采用无水酒精或专门的清洗剂。清洗方法要正确,否则容易损坏磁头或效果不佳。清洗方法见图6所示:把包有麂皮(或丝绸)的清洁棒沾上酒精后,将麂皮部分轻触磁头部位,然后将磁鼓左右转动(用手拨动)几下即可。注意清洁棒到位后不要再移动,更不可上下擦磁头,不然极易使磁头断裂损坏。有些磁头积垢较多,如果在磁鼓外部清洗效果不佳,则应拆下上鼓彻底清除磁头。

2.磁鼓磨损 这种故障包括磁头磨损和磁鼓表层磨损两方面,一般以前者为多见。磁头磨损时的故障现象主要与3个磁头均脏污时相似,因为磨损大多也是3个磁头同时发生的。磁鼓表层磨损所引起的故障现象通常是图象水平或垂直方向间歇性抖动,对图象清晰度等的影响较磁头脏污时要小,有时无影响。
磁鼓表层磨损现象一般凭肉眼可以看出,因而大多不难判断。磁头磨损一般很难用观察法判断,因为其尖端突出磁鼓仅在100μm内,且磨损几十μm后仍可对图象效果没什么影响。此外,当磁头磨损时,一般总是先较明显地影响记录效果,自录自放(或放到其它良好录象机上去重放)图象模糊、有雪噪或短白线及拖白尾等,而重放原版带却基本正常,这点也是判断故障的重要依据。磁头(鼓)磨损后应换新件。
3.磁头断线 磁头断线通常发生在磁头绕组引出线及其焊点上,极少见到绕组内断线现象,因此一般拆下上鼓后凭肉眼便可判断此故障。万一断头在绕组内,则可用万用表R×1k档测量磁头两端,通路(内阻小于1Ω)就是正常,不通则断路,有阻值指示也不正常。磁头断线故障通常只发生于3个磁头中的一个上,2个或3个磁头同时断线的可能性极小。当CH1、CH2磁头中的一个断线时,重放图象便会被满屏雪噪点及白短线蒙上,图象清晰度差且有规律(25Hz)闪烁,这是因为此时图象缺了一场信号及断线磁头那路视频通道输出噪声的缘故。这种图象的特征只要经过一次实践便会使人产生深刻印象,所以判断故障很容易。如果是特技磁头CH3断线,那么上述现象仅发生在特技重放时。根据正常重放和特技重放时是否出现上述图象,还可进一步判断出是CH1还是CH2断线,读者可自行分析。
4.接触不良 磁鼓接触不良故障常见有两种:一是上、下鼓之间的接插件(见图2)接触不良,它引起的故障现象与磁头断线相似,有时还会出现时好时坏的不稳定故障。这种故障检查直观,处理时一般只需清除掉接触簧片以插针上的污垢、并使两者紧密接触便行了。另一是静电放电刷与鼓体接触不良,它可能使重放图象受到静电干扰,出现白短线,解决方法同上述接插件接触不良故障。
前置放大器故障检修
前置放大器的故障率相对磁鼓来讲要低得多。前置放大器主要故障的检修如下。
1.重放无图象 首先检查重放5V电源电压是否加到电路中去了。在5V电压正常情况下,应进一步检查IC1、、、电位是否正常(正常值参见图3中所示)。若有不正常的,应查相应的外接电路;若外接电路无问题,表明IC1损坏。造成本故障的原因以C13~C15和Q8放大级损坏为多。
2.记录失效 先查记录9V电源电压是否正常。
若正常,则检查IC1电位及Q5放大级是否正常。如果电位异常而Q5放大级无问题,说明IC1有故障。以上均正常时应接着查R25及其印线是否损坏。引起本故障的原因以Q5放大管或L2损坏为多。
3. 重放和记录均无图象一般是IC1损坏所致,测量IC1各脚电压便可迅速作出判断。
4.重放或记录时只有一场视频信号此故障与磁头断线故障相似,是一个磁头不工作所致,应重点检查磁鼓与前放级间的5脚插件是否接触不良、Q1或Q3工作是否正常、C1或C2是否开路及C9~C10是否漏电等。如果仅是特技重放时出现故障,应查Q4、C7及C8。本故障原因以5脚接插件接触不良为多见。
5.重放图象有黑拉丝条一般是C1、C2漏电或Q2特性不良所致。
6.自录自放出现网纹干扰一般是记录亮度均衡放大级(Q6、Q7组成)不良所致,检查重点为C23~C26、C27、C18和Q6、Q7。(王德沅)