3.方波和占空比可调的振荡器
(1)脉冲占空比
在脉冲参数中,有一个叫占空系数或占空比的参数。它是脉冲周期T和脉冲宽度t\(_{d}\)的比值:
D=T/t\(_{d}\)
D的数值越大, 说明脉冲所占有的时间短,脉冲的空隙大,看起来脉冲很“空”。所以占空比有时也叫做“空度”。对方波来讲,因为t\(_{1}\)=t2,所以方波的占空比D=2。
有的书刊上把占空系数定义为q=t\(_{d}\)/T,它正好和D是相反的,请读者注意。
(2)555方波振荡器

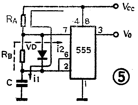
从图4(c)的输出波形看到,间接反馈式555多谐振荡电路的输出脉冲不是方波,而是一般的矩形脉冲波。要想得到方波输出,只要在R\(_{B}\)两端并联一个二极管VD,并使RA=R\(_{B}\),如图5。这样就使电容C在充电和放电时有相同的时间常数,输出就能得到方波。计算公式如下:
t\(_{1}\)=0.693RAC
t\(_{2}\)=0.693RBC
当R\(_{A}\)=RB时,t\(_{1}\)=t2
T=t\(_{1}\)+t2=1.386R\(_{A}\)C
f=0.722/R\(_{A}\)C
D=T/t\(_{d}\)=2
(3)占空比可调的555多谐振荡器

有时需要用占空比可调的脉冲振荡器,这时可以用图6(a)的电路。图中用二个二极管VD\(_{1}\)和VD2使充电回路和放电回路的电阻分开,再用调节电位器RP的方法使充电电阻和放电电阻发生变化来调整输出脉冲的占空比。RP的上半部分电阻R\(_{A}\)′和R1组成充电电阻R\(_{A}\);RP的下半部分电阻RB′和R\(_{2}\)组成放电电阻RB。调节RP时可以使R\(_{A}\)和RB发生变化,即脉冲占空比变化。由于调节RP时,P\(_{A}\)+RB的值不变,所以不会引起振荡频率的变化。
这个电路在电容充电时是从电源经R\(_{1}\)、RA′、VD\(_{1}\)到C;放电时是从C经VD2、R\(_{2}\)、RB′、内部放电开关入地。电路的计算公式为:
t\(_{1}\)=0.693RAC
t\(_{2}\)=0.693RBC
T=0.693(R\(_{A}\)+RB)C
f=1.443/(R\(_{A}\)+RB)C
D=R\(_{A}\)+RB/R\(_{A}\)
这个振荡电路的占空比D可以从1.01~100之间变化。
图6(b)是另一种占空比可调的脉冲振荡器。占空比的调整范围更大,可以从1.0变化到1000以上。图中按电位器抽头把RP分成两部分:左半部分的R\(_{A}\)′和R1组成R\(_{A}\);右半部分的RB′和R\(_{2}\)组成RB。充电时由电源经R\(_{1}\)、RA′、VD\(_{1}\)到C;放电时从C经VD2、R\(_{2}\)、RB′、内部放电开关入地。调节RP的抽头使R\(_{A}\)′和RB′变化,也就是使R\(_{A}\)和RB变化,从而达到调整脉冲占空比的目的。这个电路在调节RP时同样不会影响频率变化。
4.电路的识别方法
要从众多的555应用电路中识别它是否是无稳电路,还是从它的输入端入手。一是看它的输入端有没有电阻电容,因为电阻电容是振荡电路必须具备的元件。但同样是电阻电容,有时可能是定时电阻定时电容。所以第二步是看它输入端的连接方法。因为振荡的条件是必须有从输出到输入的正反馈通路,所以无稳电路输入端必有一个电阻是连到电源端或V\(_{0}\)端的。绝大多数的555无稳电路是间接反馈式,因此当电路输入端接成从电源经“RA-7-R\(_{B}\)-6.2-C”入地的形式时,肯定是间接反馈式的无稳电路。也有少数只用一个反馈电阻的电路:这个电阻直接把V0和输入端连接起来,即直接反馈式电路;或是把间接反馈式电路中的R\(_{B}\)省掉成为7、6、2三点短接的形式。此外,为了某种需要,也可能在电路中增加一些辅助元件或使用各种传感器。这时就应该先细心地把这些辅助电路和主要振荡电路分开,然后按振荡电路的结构形式去识别它们。
另外,从用途上也很容易识别电路是不是无稳电路。555无稳电路的主要功能是产生各种脉冲波。因此做成各种信号发生器正是发挥了它的专长。在振荡器的基础上加上扬声器、发光二极管、继电器等辅助元器件就可以使它发声、闪光、完成各种动作,于是就可做成各种各样的音响和报警器、电子玩具、游戏机以及各种控制器。即使是在作电源变换器使用时,也是按照振荡的原理,先把直流变成交流,再把交流变成直流。用这种方法变换电压的数值或是变换电压的极性。它的工作仍然没有离开振荡的范围。因此从电路的用途上我们也能大致地判断它是不是无稳电路。
二、一种特殊振荡器——压控振荡器
1.什么是压控振荡器
有一种振荡器,它的输出频率是随输入电压的变化而变化的,或者说它的输出频率是受输入电压控制的。我们把这种振荡器叫做电压控制振荡器,简称压控振荡器(VCO)。压控振荡器在锁相技术、模/数转换技术、脉冲调制等方面有广泛的用途,它是一种很重要的部件。压控振荡器还因为它在不同场合有不同的功能而分别被称为压频变换器(VFC)、脉宽调制电路(PWM)和脉位调制电路(PPM)等等。
可以用各种器件组成压控振荡器,例如运算放大器、门电路、变容二极管、场效应管等,而且目前也已有不少专用的集成化压控振荡器产品。但在手头没有压控振荡器现成的产品而又需要使用压控振荡器时,可以用555电路组成压控振荡器使用。555电路组成的压控振荡器有电路简单、成本低廉、线性度好等优点。
2.555压控振荡器

前面介绍的555多谐振荡器,它的电压控制端VC(5)是闲置不用的,如果在它的VC端加上变化的直流电压,就可以使它的阈值电压随输入电压变化而成为一个压控振荡器。图7(a)是把可调的直流电压加在VC端,图7(b)则是用器件供电电源作控制调整的电路。让我们来看看控制端的电压变化怎么会变成输出频率的变化:
①当VC端不加控制电压,即V\(_{CT}\)=0时,555的VT+=2/3V\(_{CC}\),VT-=1/3V\(_{CC}\),输出电压的波形见图7(c)中的V0。这时电路按本身的振荡频率振荡,这个频率称为中心频率f\(_{0}\)。
②当VC端加上比2/3V\(_{CC}\)低的电压时,555触发器的阈值电压跟着发生变化:VT′\(_{+}\)=VCT,V\(_{T}\)′-=1/2V\(_{CT}\)。因为新的阈值电压比原来的低,所以电容器C充电到新的阈值电压所需的时间比原来的短,即t1′<t\(_{1}\)。而电容C放电的时间是和阈值电压VT+和V\(_{T}\)-的比值有关的,新的阈值电压虽然变了,但它们的比值仍是2,所以放电时间t2′是基本不变的。于是新的输出电压的周期T缩短,也就是频率变高了。从图7(c)中电容充电曲线和输出电压V\(_{0}\)′的波形可以看到这种变化。
③如果VC端所加的电压比2/3V\(_{CC}\)高,则输出脉冲的t1和T要加长,也即频率会变低。
可见控制电压的变化是会引起输出电压的频率发生相应的变化的。
以上是用改变阈值电压的办法来达到用电压控制频率变化的目的。除了这种方法,也可以用使控制电压引起充放电电流变化的办法达到控制频率变化的目的,所以把控制电压加到555单稳电路的电压控制端VC也可以组成压控振荡器。
3.压控振荡器的识别方法
识别压控振荡器的方法,第一步要按无稳电路或单稳电路的识别方法加以识别和确认。第二步再看它的电压控制端是否有控制电压。还有一些比较复杂的555压控振荡器,为了提高工作质量,在它的输入端加有辅助器件如场效应管、运算放大器等,它的控制电压是加在这些辅助器件的输入端的,它同样能起到控制输出频率的作用。这类电路往往很复杂,初学者必须细心地加以识别。(俞鹤飞)