硅蓝光电池亦称硅蓝光伏探测器。它对蓝紫光探测的灵敏度较高,主要应用于对蓝紫光和其它波长的可见光的接收和检测等方面。
硅蓝光电池的光谱响应范围同普通硅光电池一样,也为0.4~1.1微米,不同的是硅蓝光电池的光谱响应峰值波长为0.75微米,且在0.4微米处仍有大于40%的相对响应度,见图1曲线。当加有蓝光滤色片后的峰值波长可移至0.65微米处,而普通硅光电池的光谱响应峰值波长为0.88微米,且在0.4微米处的相对响应度仅在5%以下。

硅蓝光电池按外形可分为三种型号:2CR1133型、(黑色陶瓷基座封装)、2CR1226型(带平玻璃光窗封装)和2CR1227型(黑色陶瓷基座)。它们的外形及电符号见图2。

附表列出几种硅蓝光电池的主要参数,型号一栏中型号末尾有“-01”标记的表示不加滤色片的产品。下面对几个参数的含义作些解释:①λ\(_{p}\)(峰值响应波长)即光谱响应最大值对应的波长②Voc(光电池开路电压)即有光照射时,在光电池输出端开路的情况下测得的电压值③I\(_{sc}\)(光电池短路电流)即有光照射时,在光电池输出端短路的情况下测得的电流值④Sn(光电灵敏度)即光电池的输出信号与入射光功率之比;⑤ID(暗电流)即无光照射时在工作偏压下流过光电池的电流;⑥A为芯片面积。

硅蓝光电池是功率输出型器件,使用时可直接取其电压或电流输出信号。基本使用方法与普通硅光电池相同,见图3。其中图3(a)中用于放大的三极管必须采用锗管,因锗管发射结导通电压约0.3V,当硅光电池受光照射后,只要输出电压高于0.3V,锗管即可导通。而硅管发射结导通电压约0.7V,硅光电池输出电压一般低于0.6V,则不能使硅管导通。图3(b)所示电路中,由于放大管采用硅管,所以需用两个硅光电池串联后使用,以获得高于0.V的信号电压。图3(c)是用一只2AP型二极管给硅三极管预置0.3V的偏置,当光电池受光照射后,只要产生大于0.4V的电压,即可使硅三极管导通工作。图3(d)是硅光电池与运算放大器相连的基本电路。

硅光电池应用举例
1.光控开关电路:图4电路中,当硅光电池受光照射后,产生正向电压使VT导通,继电器动作。

2.光电跟踪电路:图5用两个性能相近的硅光电池作光接受器件,当入射光通量相同时V\(_{0}\)=0,执行机构按预定的方式工作。当光路系统略有偏差时,两个硅光电池接收到的光通量发生变化,此时V0≠0,这一差动输出信号经过放大即可带动执行机构(例如微型电机)对系统状态进行纠正,直到V\(_{0}\)=0为止,从而达到跟踪的目的。

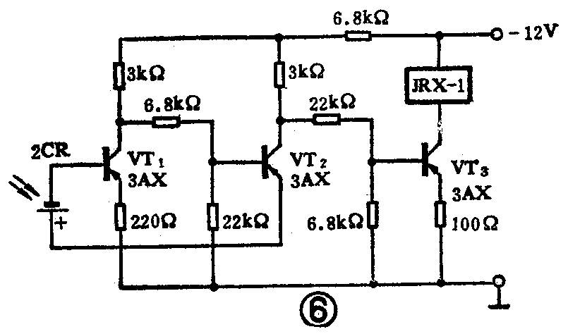
3.光触发开关电路:图6电路中VT1和VT2组成的触发器有两个稳定状态。当其中一只晶体管导通时,另一只则截止。只要改变光照强度,使硅光电池输出电压变化就能使电路从一种状态转变为另一种状态,从而达到光控的目的。

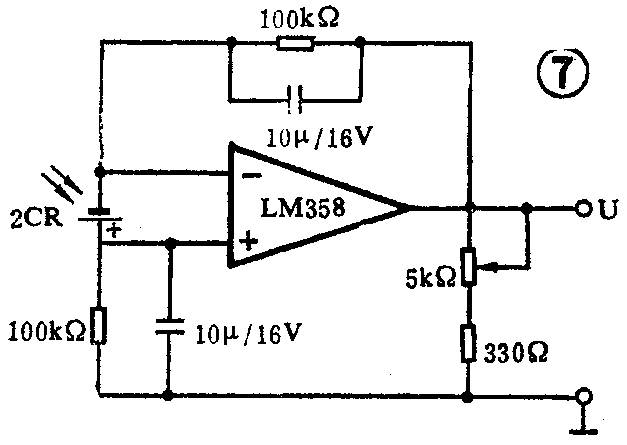
4.复印机用曝光强度探测电路:图7为静电复印机曝光强度探测控制电路的前置放大部分。探测器选用短波灵敏度较高的硅蓝光电池。且电路为低输入阻抗的电流—电压变换器,使得硅蓝光电池工作在电流输出区并具有较好的线性关系。 (北京光电器件厂 郭德卫)
