语音室是搞好外语教学的重要辅助设备,但其价格昂贵,一般学校难以建立多个,而课堂教学,特别是课外活动,又需要多个语音室,且以听音为主。根据这一特点,我们利用现有的收录机和桌椅、教室等,只花了一千多元,就另行设计、制作了3个简易听音室,满足了教学、活动等需要。现将有关内容介绍如下,供各单位参考。
系统构成
图1是听音室系统构成示意图,由两部分组成。点划线左侧是简易控制台,它由收录机、信号传输线、话筒和“嘟”音提示器等构成,可产生或引 入各种信号,并将其送入收录机内,利用机内功率放大器放大后输出。“嘟”音提示器是一音频振荡器,可产生“嘟”声,用于句前起提示作用。点划线右侧是终端耳机系统,它由耳机、插座和假负载构成,可将控制台来的电信号变成声音,供学生听音。

电路及设备要求
因利用收录机内功率放大器,所以控制台不再另设扩音机,但对收录机有如下要求:
1.输出功率要合适:输出功率不能太小,否则带不动耳机系统,输出功率也不能太大,否则稍不注意就会损坏耳机,一般可按P\(_{0}\)=nPe选取。此处P\(_{0}\)是收录机输出功率,n是耳机的副数,Pe是每副耳机的相应功率。现在收录机的输出功率一般均较大,使用时需采取措施,对其实际输出功率加以限制。
2.性能要良好:主要有两方面要求,一是功率放大器噪声要小,二是各功能切换开关接触要好,这样可避免产生刺耳的噪音,提高听音效果。
3.优选双卡机:选择带有频率均衡器的双卡机,这既可保证声音的清晰度,对声音加以润色,也可增强编辑功能。
4.接口要完善: 要有足够、良好的接口,以利于一些辅助设备的信号传输。必要时可对收录机内电路等作些改动。
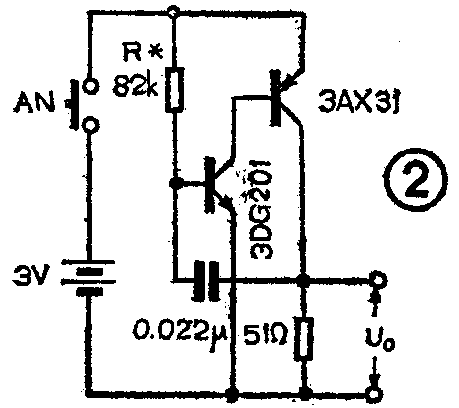
“嘟”音提示器需自制,图2是较简单的一种参考电路。当按钮开关AN被按下时,51Ω负载两端有信号输出,经收录机内功率放大器放大后,在耳机中产生“嘟”音。AN按下时间长短不同,“嘟”音长短也不同。提示器可装在收录机内部,按钮开关固定在收录机外壳上合适处,利用机内电源。也可单独装在一个小盒中,固定在控制台上。

语音室输入信号线、其它听音室输入信号线和本听音室输出信号线可共线,其实际用途可根据使用前各室的约定,通过控制台上的转换开关切换实现。信号线采用屏蔽线。
耳机系统的所有耳机分为若干组,各级间根据具体情况采用串联、并联或混联方式连接,以实现阻抗匹配。若有多种连接方式可供选择时,组间应优先考虑并联连接,这样当某组断路时,耳机系统的总阻抗升高,收录机内功率放大器输出功率适当减小,对其自身和耳机起到一定的保护作用。假负载R是在耳机未插入时替代耳机的,以使本组阻抗保持不变,耳机插入后,R断开。每副耳机的特性阻抗应等于收录机内功率放大器输出阻抗或其整数倍,假负载的阻抗应等于耳机的阻抗,这种选配有利于实现阻抗匹配。当实际中因耳机数目、耳机阻抗等而无法恰好匹配时,应尽可能使负载接近匹配。图1为64座配置,收录机左、右声道(只画出一个声道、32副耳机示意图)每声道输出阻抗为8欧,实际选取每只特性阻抗为32欧的头戴式立体声耳机,每副两只耳机串联,阻抗为64欧,每组八副耳机并联,其阻抗为8欧,四组耳机每两组串联再并联,总阻抗为8欧,恰好匹配。假负载由电阻代替,因电阻没有标称64欧的,故选取系列值中62欧的,并略加筛选,取略大于62欧的。电阻功率取1/8瓦即可。
使用方式简介
1.和语音室配接使用:信号引自语音室,听音室获取的信息和语音室一样多,适合多班同步使用。
2.和其它听音室配接使用:功能同上。另外,也可作其它听音室信号源。
3.和话筒配接使用:教师或示范者通过话筒作必要的讲解或提示,适合各班独立活动。
4.播放电台广播:利用收录机的收、放功能,播放电台的有关教学、新闻等内容,并可录下重播。
5.播放磁带内容:利用收录机的A放音卡,播放磁带所录内容。如能在各段内容之间,用B卡播放一段轻松的音乐,或者A、B混放,A卡播放内容,B卡播放音乐,则效果更好。
本文介绍的听音室比较简单,功能也少,各单位可根据需要增加一些功能电路,如跟读电路、变速放音电路等。(孔庆平)