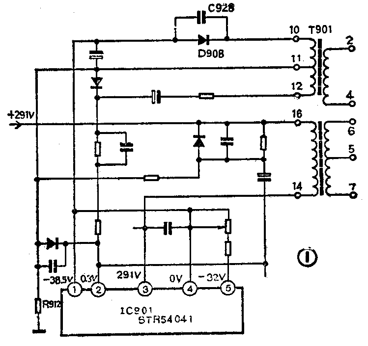
检修:打开后盖,检查保险丝未断,说明开关电源本身没有严重的击穿短路故障存在,故障原因可能有两种:一是开关电源本身未起振;二是开关电源输出端有短路或开路性故障,保护电路作用,造成无光栅无伴音。首先检查后者,未发现短路。然后通电检查,听不到开关变压器有振荡叫声,说明开关电源未振荡,用万用表直流电压档检查厚膜集成电路IC 901(STR54041)各脚电压(见图1),发现3脚电压为+ 295V基本正常,但其它各脚电压均为0V,怀疑IC901有问题,关机检查其各脚之间在线电阻,未见异常,于是进一步检查外围元器件,当查到二极管D908时,发现其正反向电阻均为91Ω,焊下测量,证实该管已经损坏,更换新品后,电视机声光皆恢复正常。 例 2:黄河牌HC 47—IV型彩电无光栅无伴音。 检修:观察保硷丝完好无损,用欧姆档检查开关电源+114V输出端无短路存在,然后通电检查开关电源部分有关电压。测量开关管Q801集电极直流电压(见图2)约300V,但听不到开关变压器叫声,说明直流供电部分正常,开关电源未起振。进一步检查Q801基极电压为0V,显然不正常,分析有两种可能:一是基极直流供电回路有问题,二是发射结击穿短路。首先重点检查基极回路中的R803、R804和R807三个元件,检查结果是R803(3W56kΩ)已经烧断,更换该电阻后,故障排除。(张文华)

