计数、显示组合电路是由大规模集成电路和LED数字管等元器件组成的单块电路。具有体积小,可靠性高、功能齐全、使用方面等特点。此类组合电路又称功能模块或“三合一”、“四合一”电路。
CL311、CL421和CL612是计数、显示模块中的典型产品。它们均采用全密封一体化结构,用红色或绿色LED数字显示。在电路底部有标准间距为2.54mm的引出端(CL311为15脚,CL412为19脚,CL612为29脚)。因而可像单列直插式集成电路一样使用,也可用TJ4,TJ6等标准插座连接,并利用电路两侧带有的φ2.5mm安装缺口固定在仪器仪表的面板或基座上。
这些电路的输入,输出电平能与TTL和CMOS相容,且所有输出均能驱动一个TTL负载,使用时不必附加外电路或元器件,接上电源即可工作。
CL311的特点和功能
1.三位十进制加法计数,从000到999。
2.最高计数频率在1.5MHz以上。
3.有进位输出,可供级联使用。
4.内部有扫描振荡器。
5.在计数器与显示器之间设置有锁存控制。
6.可进行直接消除。清除时不影响被锁存的计数值。
7.消隐与清除同步——在消除时所有LED数管均熄灭。
8.有计数禁止输入。可进行计数控制。
9.计数输入内部设置有脉冲整形电路,能适应慢输入边沿信号的计数。
10.计数结果能由BCD输出端以扫描方式输出,适用于对外控制。
11.有灯测试输入,可迫使电路显示“888”。
12.电源电压允许范围为+3.5V~+6V,典型值为+5V。平均电源电流小于30mA,LED数字管全熄灭时的静态电源电流小于1mA。
CL311的应用
图1中A、B、C、D为计数的“BCD输出”端。由于CL311是三位BCD计数,所以由A、B、C、D端输出的数据也是三相扫描的,并分别同步于“位选通扫描输出”端——D-\(_{1}\)、D-2、D-\(_{3}\)。
D-\(_{1}\)、D-2、D-\(_{3}\)对应于十进制数的个位、十位和百位,并均为负脉冲起作用。扫描频率约600Hz;利用A、B、C、D和D-1、D-\(_{2}\)、D-3便可进行计数比较。图3及附表说明CL311几个引出端在不同连接时器件功能。图4为一应用实例。图中拨盘开关(8、4、2、1码)用于设定比较数。CD4042用作寄存器可将串行的BCD输出数按住锁存变成并行的BCD数。当拨盘开关的设定数与寄存器的输出数相等时,拨盘上的所有隔离二极管均不通导,图中EQU端输出“1”电平。


在电路需要清除到全零时,可按图3附表所示,将清除输入端CR连接到+V\(_{DD}\),这时不仅计数器被清除而且显示器也被熄灭。同时由于锁存器不受CR影响(见图1),因而当CR由+VDD返回到地时,显示出的数字仍是原先的锁存数而不是全零。
计数脉冲在“计数输入”CP端进入,并在脉冲负边沿时使计数器动作。由于计数输入端内部已设置有斯密特触发器,所以对输入脉冲的要求是不严的。在需要停止计数时,可将“计数禁止”INH端连接到+V\(_{DD}\),便可阻止计数进行,但这不影响电路的其它所有功能,因此利用INH端可实现累加计数、脉冲定时等。
通过“锁存控制”S端能将计数结果抽样锁定,从而使显示数字和BCD输出数据固定不变。在电路需要级联应用(例如由三位扩展到六位)时,可利用“进位输出”CAR端,当计数到999并在下一个计数输入脉冲来到时,CAR将输出一个与输入脉冲正半周相对应的正脉冲。这个正脉冲是输入脉冲数的1/1000,可作为后一级的计数输入。
有时为了检测显示是否正常,可利用CL311的“灯测试”输入LT-端。当LT-连接到地时,显示888;连接到+V\(_{DD}\)时,显示正常。
此外,因CL311的所有输入端内部均无接地或接+V\(_{DD}\)的电阻,所以使用时应注意不能使其悬浮,以免导致器件损坏。
CL412的特点和功能
1.四位可逆十进制计数,从0000到9999。
2.最高计数频率在2MHz以上,一般高达5MHz仍能工作。
3.有加/减控制输入。
4.具有全零检出功能。
5.内部已设置有扫描振荡器,无需外接任何电路或元器件就可工作。
6.有BCD输入/输出引出端。
7.可预置计数值。计数输入可以从预置值开始计数。
8.可预置比较数值。计数值和比较数值能在电路内部连续地进行比较,并且“比较输出”端输出比较结果。
9.具有直接清除功能。清除输入对扫描和锁存及比较数寄存等均无影响。
10.计数结果可进行锁存控制。
11.计数输入设置有斯密特触发器,能将计数输入信号自动整形以提高抗噪特性。
12.具有导前零熄灭功能。CL412在全零时全部熄灭;CL412A在全零时末位零不被熄灭。
13.有进位/借位输出端可供计数级联或控制使用。
14.具有消隐控制功能,以便在不需要显示而电路仍需继续计数时使用。
15.所有输入端内部均已设置有接地或接+V\(_{DD}\)的上拉电阻或下拉电阻。可防止静电损坏器件,也给使用带来方便——输入端允许悬空。
16.电源电压允许范围为+2.5V~+6V,典型值+5V。动态平均电源电流小于40mA,在LED数字管全熄灭时,电路总电流小于1mA。
CL412的应用
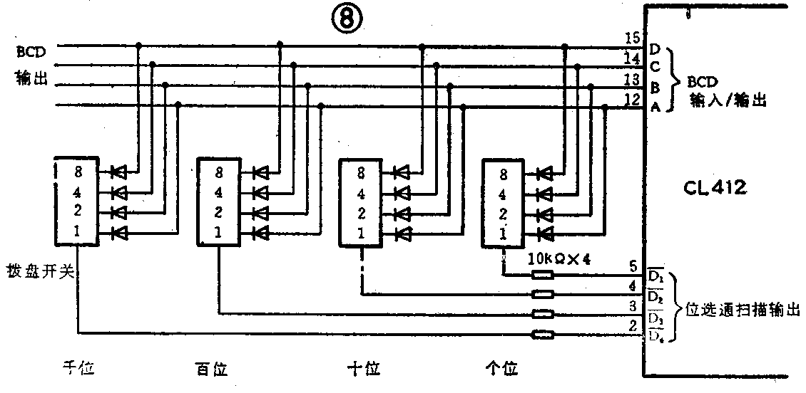
C412是一种功能齐全、性能优良的计数显示电路。图5为逻辑框图,图6和图7分别为外形图和功能连接图。图中D-\(_{4}\)~D-1为“位选通扫描输出”端,分别对应于十进制数的千位、百位、十位和个位。D-\(_{4}\)~D-1均为负脉冲起作用,扫描频率约600Hz,输出电流大于2mA,并按D-\(_{4}\)→D-3→D-\(_{2}\)→D-1循环进行。



利用D-\(_{4}\)~D-1端和“计数预置”LDC端,可将加在“BCD输入/输出”A、B、C、D端的数据并串地送入计数器。图8为应用实例之一。图中拨盘开关用于设定预置数。由于D-\(_{4}\)~D-1是输出低电平有效,所以BCD输入实际是以反码方式进入的。同时因A、B、C、D端内部均已设置有上拉电阻,所以悬浮就相当于输入“1”(预置“0”)。图中10kΩ电阻是为了防止A、B、C、D端在作为BCD输出应用时与D-\(_{4}\)~D-1端相短路,拨盘间的隔离二极管可选用1N4148等。

由于LD\(_{C}\)端内部设置有上拉、下拉电阻,并使输入偏置到大约1/2VDD处,所以LD\(_{C}\)可进行“三电平”操作——连接到+VDD、悬浮(相当于1/2V\(_{DD}\))和接地。当LDC连接到+V\(_{DD}\)时,不仅计数输入被禁止,而且原有计数值也将被A、B、C、D端的输入数所替换,即电路执行“计数预置”功能;当LDC悬浮时,电路处于常规计数,显示状态;当LD\(_{C}\)连接到地时,A、B、C、D端被迫处于高阻状态,但此时计数和显示不受影响。
CL412还设置有“比较数预置”LD\(_{R}\)端,能将A、B、C、D端的数据并串地送入到“比较数寄存器”中去。LDR也是“三电平”操作。当LD\(_{R}\)连接到+VDD时,BCD输入数(比较数)被预置到寄存器,但计数器不受其影响,显示器也继续显示计数值;当LD\(_{R}\)悬浮时,电路处于常规计数、显示状态;当LDR接地时,不仅A、B、C、D端呈现高阻状态,同时扫描停止;显示驱动被禁止(显示熄灭——“消隐”),但此时计数和锁存等均不受影响。比较数的预置同样是采用图8所示线路。
利用CL412的“加/减”控制“+/-”端,可实现加法计数和减法计数的选择,如图7中K\(_{4}\)所示。“+/-输入”端内部设置有100kΩ~400kΩ的上拉电阻,因而悬浮和接+VDD等效。
通过“锁存”控制S端,可将计数结果抽样锁定。利用“清除输入”CR-端,能使计数器清除到全零,但在锁存时清除不能改变显示数字和BCD输出数。清除时也不能改变已预置的比较数。CL412也可通过预置全零的办法来实现清除,但此时若寄存器的送数也是有效的话,则预置的比较数也会同样被清除到零。CR-端同样是悬浮和接V\(_{DD}\)等效。
CL412是在计数输入脉冲的正边沿时动作。由于CL412内部未设置“计数禁止”输入端,因而只有借助于外电路才能使计数停止,如图9所示。

CL412的计数数值能连续地和寄存器内的比较数数值进行比较,当两者相等时,能从“相等输出”EQU-端输出一个“0”电平。CL412的内部还设置有“全零输出”ZER-端,当计数器计到“0000”或由清除输入使计数器恢复到“0000”时,ZER-输出“0”电平。EQU-和ZER-均不受锁存和扫描影响,同时在“0”电平时均可灌入2mA电流(可驱动一个TTL负载或数个PNP晶体管),在1电平时可抽出约100μA电流。
在需要级联应用时,可利用CL412的“进位/借位输出”CAR/BOR端。当计数器执行加法计数并由“9999”行进到“0000”时,CAR/BOR端输出一个进位(正)脉冲;当计数器执行减法计数并由“0000”行进到“9999”时,CAR/BOR端输出一个借位(正)脉冲。从计数输入到CAR/BOR输出延时不超过500ns,因而CL412可用于快速计数。(路民峰)

