7085工作控制电路
本电路原理图请参见附图。当VI端输入高电平时,VT1导通,并将VT2基极电位拉低。VT2也导通,7805工作。反之VI端为低电平,VT1、VT2截止,7805不工作。电路中R1*的值为VCC·β2/Icb2。VT2的Icm应足够大,VT2和7805都应加散热片。此电路可有效地降低功耗。(刘伟全 编译)

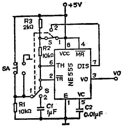
单次/连续脉冲发生器
图示电路是由555构成的单次/连续脉冲发生器。当开关S在位置“1”时,电路为双稳触发电路,按动SA可在VO端获一负脉冲,且电路具有防止按键抖动功能。当S在位置“2”时,电路为典型的多谐振荡器,在VO端输出连续的脉冲。本电路也可应用在微机的复位电路中。SA作手动复位端。电路可向系统提供连续的复位脉冲,以抑制程序“飞出”。连续脉冲方式时,负脉宽t=0.69R2C1,脉冲周期T=0.69(R2+R3)C1。(杨言孝)

用反相器组成的电子互锁开关
通常,我们手头有些反相器集成电路,但是很少有互锁开关集成电路,因为平时不常用,而且它的价格昂贵。本文介绍利用廉价的反相器制作能选择N路(作者实验了12路)之中一路输出的电子互锁开关。
附图是由几个栓锁电路组成的互锁开关,每个互锁开关是由二个反相器组成的。当开关SA被闭合时,通过按动S1~S\(_{n}\)中的任意一个按钮,便可选择输出状态。例如,当按下S1钮时,便可产生一个正脉冲经过Vb1加到A点,使得第一个互锁开关的输出(OUT1)成为“1”(高电平),与此同时,此脉冲将通过Va1并由C、R2组成的微分电路微分成窄的脉冲,加到A'B'C'…N'点,使得互锁开关输出置成零(低电平)。由于窄脉冲比人按动S1的时间短得多,所以窄脉冲过后,仍有高电平加在A点,故OUT1端仍为高电平,而其它输出端为低电平。

电子互锁开关的动作现象,很象机械互锁开关,即当按动一个按钮时,只有相应的输出成为高电平。与机械互锁开关不尽相同的是当同时按下几个按钮开关时,电路将同时把相应的几个输出端一起置成高电平。(王素文 编译)
电子笛
电路包括两部分:555定时器和压控振荡器。555工作在无稳态方式,其3脚输出一方波。频率f0取决于R1、R2、RP1和C2,表达式为:
f\(_{0}\)=1.44/[(R1+2RP1+2R2)C2]

该方波用于控制D24046锁相环。4046构成压控振荡器(VCO),其频率范围由6、7脚之间连接的C4确定。9脚VCO输入端电压控制D2的VCO部分,就形成了电子笛的两个音调。
调节RP2和RP3可以改变两种音调,而调节RP4来控制压电蜂鸣器的音量。RP1控制两种音调交替变化的速率。(李学海 编译)