268型卡拉OK机投放市场后,以其造型新颖别致,混响效果明显,以及使用方便等优点,得到了广大音响爱好者的青睐。但该机的混响声中包含着失真,尤其是当演唱摇滚乐或大动态范围的歌曲时,混响失真更明显。本文将介绍该机的工作原理及改进方法,以进一步完善其性能。
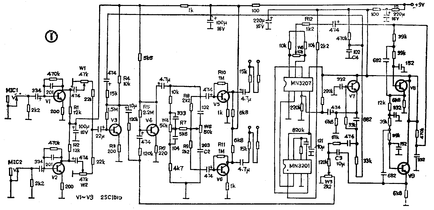
图1、2是整机工作原理及方框图。由图可知话筒信号通过V1、V2组成的两路话筒信号放大器,将信号送入V3混合放大。信号合成后又分两路输出:一路送V4作音调控制,再分成左右路经V5、V6作放大输出;另一路送至由V7组成的二阶低通滤波器,然后送入MN3207,即电荷耦合寄存器或称BBD电路。如果输入BBD电路的信号大于260mV,将产生失真。与此同时,与低通滤波器频率相适应的时钟脉冲由MN3201产生并送到BBD电路。具有1024个延时单元的MN3207产生了一个有512ms延时量的复合音频信号,该信号叠加有高频开关脉冲,将其送至由V8、V9组成的四阶低通滤波器,信号经积分复原后分两路输出。第一路经延时调节器W5控制后进入主通道V3的混合放大器,与未经延时的话筒信号叠加,于是在输出端得到了一个连续可变的混响信号。第二路反馈至二阶低通滤波器,配合调节延时量,可产生回声效应。因此,该机也可称为卡拉OK回声混响机。图中W1、W2可控制话筒放大器的输出幅度,W3可控制混响强度,W5、W4分别是高、低音控制器,W6是机内微调电阻,调至最佳值时可消除高频啸叫声。


笔者用仪器对整机进行分析后发现话筒级的动态范围太窄,V1集电极电压仅有1V。从话筒级输入正弦信号超过80mV,V1集电极即出现切顶波形(但现在动圈话筒输出已超过此值),这时放大器已工作在非线性区,较大信号送至后级后必然会产生明显的混响失真。在对V1、V2工作点改进后,集电极电压升为2.2V,动态范围变宽,强信号注入大至200mV,放大器输出波形仍无失真。由BBD集成电路的特点决定了其输入信号幅值应控制在260mV以内,因此,不失真的话筒信号经V3混合放大后其输出幅值也不能太大。由于简易型卡拉OK机均未加动态压缩电路,可以利用混合级放大器控制住信号的幅度。又因V3带了动态负载,因此输出阻抗要低,具体改动工作点数据见附表。改动后V3集电极电压由0.65V提高为2.5V,并且前后级隔离度增强,放大倍数和输出阻抗下降。这样不但前后级匹配好,稳定度高,而且BBD电路的输入电压值被控制在合理范围内,使混响电路的附加失其被降至最低。再看由V4组成的音调控制级,由于人类发音音域不可能延伸至100HZ或更低,故抑制100HZ以下的增益能减少低频声反馈啸叫和话筒线的交流感应干扰,提高演唱清晰度。将高音网络中的电容102pF改成332pF,低音网络输出隔离电阻5.6kΩ改为10kΩ后,中高音增益提高,声音亮度增加,演唱变得充满朝气。V5、V6按一般甲类放大器的工作要求,将工作电流稍稍提高即可。
改动268机不改动线路板,只改变电阻电容数值,原理图(图1)是改动前的数值,修改对照值见表一。整机改动前后混响效果差别极大,改动前混响声沉重发硬,改动后混响声清纯、圆润。(郑钟毅)
表一
R 1 3 4 5 6 7 8 10 12 C 1 2 3 4
2 9 11
原 12K 200 10K 2.2M 200 5K6 2K2 1M 1K2 102 2O3 10μ 102
改 6K8 1K 5K1 1M 1K 10K 4K3 820K 12K 332 223 1μ 332