遥控彩电给人们带来好的娱乐享受,因而深受用户欢迎。怎样在普通彩电上加装遥控功能,成了当前热门的话题,不少业余爱好者也期望能自己动手把家里的彩电改为遥控式的。本文介绍一种电视遥控器,不需改动原电视机电路,保证原电视机性能,且在遥控器不用时,原电视机还可正常使用。
一、电路原理
该机是利用红外线发射和接收电路,控制十进计数器来驱动微型继电器吸合,代替电视机按键式节目预选开关,实现自动转换电视节目和开关电视机的作用。下边把电路原理作一简要介绍。
1.发射电路:发射电路由集成电路CD4011和外围元件组成,如图1所示。ICl\(_{a}\)、IC1lb两个与非门同外围元件组成38kHz方波振荡器,调整电阻R27可改变其振荡频率,该振荡信号经ICl\(_{c}\)和ICld与非门整形放大后加到V12功率放大,由VD25(SE303)红外发射管向空间发射,使用时每按动S1发射按键,即可发出38kHz调制红外信号。

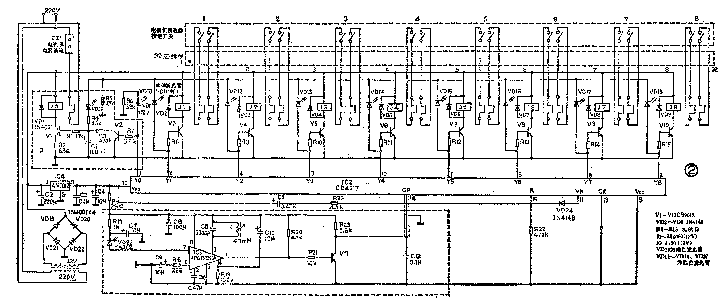
2.接收及控制电路:接收及控制电路如图2所示。虚线部分A为红外接收电路,由高增益红外接收专用集成电路IC3(μPc1373HA)及外围元器件组成。当红外接收管PH302收到38kHz红外线信号时,IC3的1脚输出为低电位,V11截止,其集电极输出为高电位。反之,IC3的1脚输出为高电位,V11导通,其集电极输出低电位。IC2(CD4017)为CMOS十进集成计数器,组成控制电路。V11输出的正脉冲(即输出为高电位时)触发IC2的计数端CP(14脚)。CP有一个正脉冲信号输入时,计数器输出便自动进位。计数器有Y\(_{0}\)~Y910位输出端子。当电路通电时,V\(_{DD}\)(+12V)通过C5、R22给IC2复位清零端R(15脚)输入一个正脉冲,内部电路清零,此时YO输出为高电位,其余Y1~Y9输出为低电位。当Cp端输入第一个计数脉冲信号时,Y1输出为高电位、Y0、Y2~Y9输出为低电位;第二个计数脉冲输入时,Y2输出为高电位,Y0、Y1、Y3~Y9输出为低电位,依此类推。当Y9出现高电位时,经VD24加给清零端R,IC2又清零,Y0输出又为高电位。当Y1~Y8依次输出为高电位时,相应的红色发光二极管VD11~VD18亮,分别表示所预选的频道,同时V3~V10依次导通,使相应的微型继电器J1~J8吸合。由于J1至J8继电器双触点分别通过32芯排线与电视机按键式节目预选器开关并接,这样就相当于电视节目预选器1~8个预选开关分别自动接通,从而起到自动转换预选节目的作用。在Y1~Y8输出为高电位期间,经发光二极管(红)VD27、R4给C1充电使V1导通,继电器J9吸合,输出插座CZ1有220V交流电输出,电视机处于开机状态。当Y0输出为高电位时,绿色发光二极管VD10亮,经R7加到V2基极,使其导通,C1通过R3对地放电,约等5秒,V1截止,J9释放,输出插座CZ1无220V交流电输出,电视机处于关机状态。图2中虚线部分B电路为延时关机电路。

调试与安装
整机对所用元件无特殊要求,选用正品元件即可,V1~V12应选用β>100的三极管。安装完毕后检查无误即可通电试用,基本无需调试。如遇遥控有效距离小于5米,则应调整发射电路中的R27,使发射与接收频率相同,以提高有效距离及抗干扰能力,必要时可调整(接收电路中)电感L使收发间距离增加到最大。
该遥控器与电视机连接使用方法如下:①首先不加遥控器,将电视机节目预选器1至8个预选位置全部调好所需接收的频道。②打开电视机后盖、将遥控器中J1~J8上引线(共32条),按图2示意并联焊接于电视机节目预选器的预选开关上。③将电视机节目预选器按键开关悬空(即全部不按下),插上遥控器电源插头,此时遥控器绿色发光二极管VD10亮,表示电视机处于关机状态。④将电视机电源插头插于遥控器主机电源输出插座CZ1上,开启电视机电源开关。⑤将发射手机对准遥控器接收机红外线接收孔,按动遥控键,遥控器即可按0、1、2、3、4、5、6、7、8顺序转换,选择预选的节目(由红色发光二极管显示)。使用时按动发射手机遥控键,即可按顺序转换电视机节目。如需关机,可按动发射手机上遥控键,使绿色发光管亮,约等5秒钟后电视机即可关机。⑦不需用遥控器时,断开遥控器电源,将电视机电源插头插于交流220伏,按下电视机节目预选开关,电视机即可正常工作。(周放)