本文介绍一种电话自动拨号语言报警电路。当传感器遇到警情而短路时,该电路可利用电话实现电话自动拨号。若遇占线(忙音),经判别后自动拨号搁叉(挂机)然后再拨直至拨通。接着用语言自动地把发生警情的时间、地点及发生什么情况等通过电话向外界报警。可应用于宾馆、饭店、工矿企业、家庭等地作为一种新型报警器,也可作为人员紧急自动呼救电话,有较强的实用性。
系统组成与工作原理
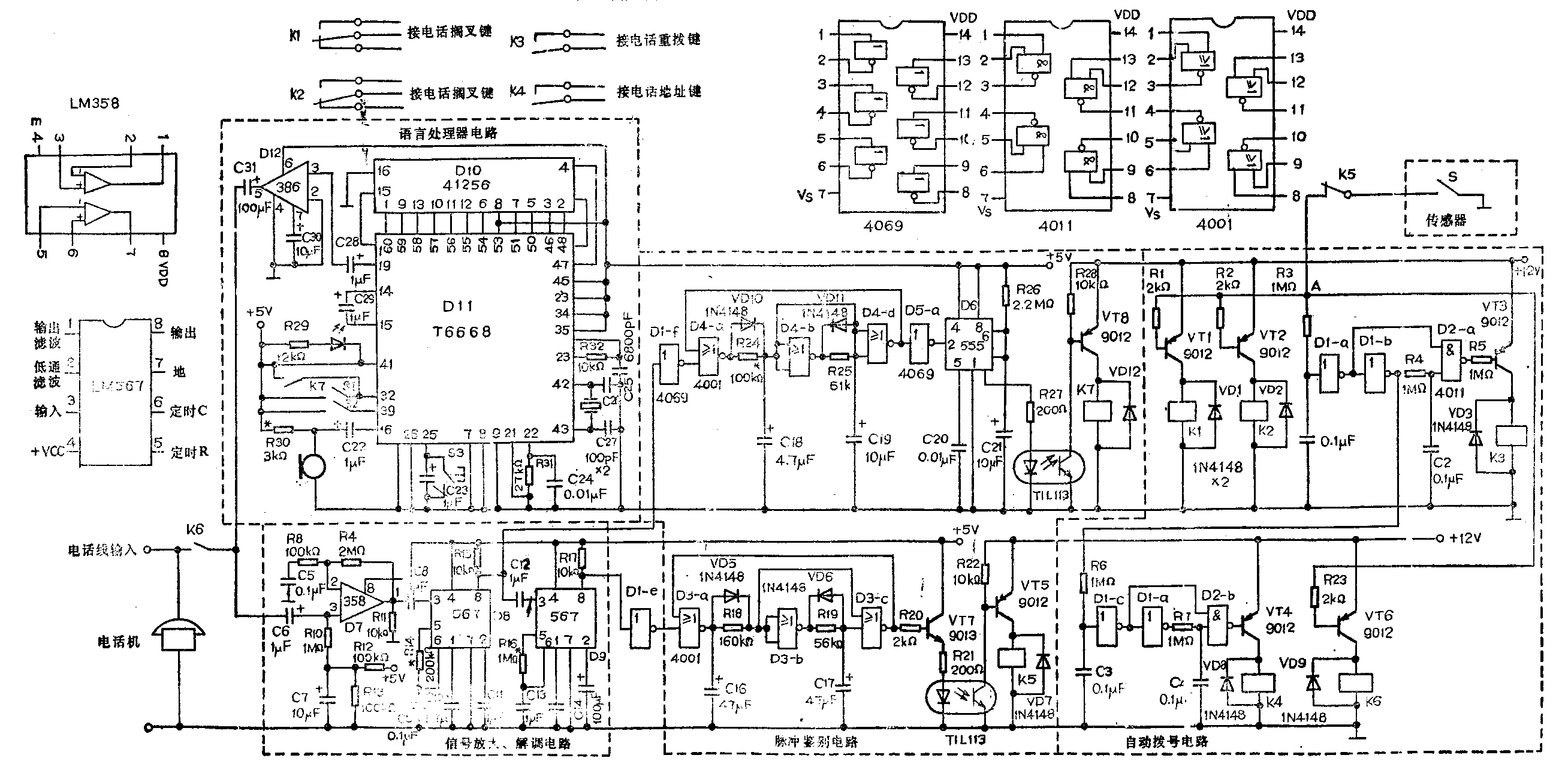
电话自动报警电路由语音处理器T6668、忙音解调电路、脉冲鉴别电路、电话自动拨号电路等组成。电原理图如附图所示。

1、电话自动拨号电路
电话拨号电路控制电话模拟搁叉、电话号码发送和报警完毕挂机。主要由继电器K1、K2、K3、K4、反相器D1-a、D1b、D1-c、D1-d及与非门D2-a、D2-b等组成。K1和K2继电器触点接至电话机内搁叉键、K3继电器的常开触点与电话机内重拨键相接,K4继电器的常开触点与电话机内地址键相接。传感器S需接成短路报警状态,当报警信号输入时(即S闭合),A点电位为零;VT1、VT2导通,K1、K2继电器吸合,电话机搁叉,经D1-a、D1-b和D2-a组成单稳态延时电路,延时时间由t1=R3·C1决定,K3继电器吸合,重拨键接通。D1-c、D1-d、D2-b组成另一组单稳态延时电路,t2=R6·C3,K4继电器吸合,地址键接通,将预先存储的号码拨出。若对方电话占线(忙音),经忙音判别电路判别后,控制重拨,继电器K5工作,重复上述拨号动作,直至拨通。
当报警信号输入时,同时继电器K6工作,两触点闭合,使电话线与报警电路接通,完成电话信号判别和语言信号发送。
2.忙音解调电路
准确地判别忙音信号是电话自动拨通的关键。常见电话信号有三种,即拨号音、忙音和回铃音,通过鉴别出三种电话信号,就可以决定系统工作状态。外界报警信号输入,电话自动搁叉拨号后,检测电话信号。若为忙音。重新拨号,经判别是回铃音则启动放音继电器K7工作,语言处理器放音。LM358为低功耗双运放,能在单电源条件下工作,现用作对电话信号运行前置电平放大,K8、R9决定放大倍数。经放大后的信号送入解调器LM567进行解调。它的第5、6脚外接的电阻、电容决定了内部压控振荡器中心频率,f\(_{0}\)=\(\frac{1}{1.1RG}\)频率范围从0.1Hz到500kHz,第1、2脚分别对地接一电容,形成输出滤波网络和环路低通滤波网络,第2脚所接电容决定解调器带宽,电容数值越大,环路带宽越窄。第3脚是输入端,要求输入信号>200mV,第8脚是逻辑输出端。当器件第3脚输入幅度>200mV、频率在器件带宽内的信号时,第8脚由高电平变为低电平。为判别出忙音信号,采用两级解调器,第一级调出450Hz拨号音,f1=1.1/R14·C9。第二级解调器D9解调0.35Hz信号、当电话信号为忙音信号时,D8第8脚输出频率为0.35Hz的方波信号,经C12耦合输入D9,中心频率f\(_{2}\)=1.1/(R16·C13),D9第8脚输出低电平。
3.脉冲鉴别电路
为增加系统可靠性,提高抗干扰能力,经解调器输出后信号输入脉冲鉴别电路,电路中t1=R18·C16为预先设置基准脉冲宽度,调节电路R18·C16时间常数,使得识别输入信号的宽度大于所设定值时才有输出,t2=R19·C17是用来控制输出脉冲宽度的。当电话线中有忙音时,D9输出低电平,D1-e输出高电平,对输入信号宽度进行比较后,D3-c输出高电平,VT7导通,重拨继电器K5工作,达到重新拨号目的。若再次忙音,重复上述工作过程。
第一级解调器D8输出同时送入由D4-a、D4-b、D4-d等组成的另一组脉冲鉴别电路中,用来鉴别回铃信号,控制语言处理器放音。定时时间t选择在拨号音结束时,D4-d输出高电平,触发D6延延时电路工作。经光电耦合器,推动放音继电器工作,D6电路延时时间约20秒,即在电话机拨通时,第一次回铃音响过后,语音电路放音20秒,若对方还未听清内容,放下听筒,此时电话机传来是忙音信号,电路重新进行工作,拨号以后再放音,直至警情解除。
4.T6668语言处理器
在电话报警系统中我们采用T6668最小系统。系统采用一片存储器41256,为降低量化噪声,提高语言音质,采样比特率选择为最高档32k,选用640k晶振,录放时间约10秒,可满足使用要求。T6668的41脚为结束指示输出端,当电路录放开始时,是低电平,用来驱动工作指示灯,现将41脚与32脚外接继电器的两触点,当两触点吸合时,实现连续放音。
T6668原理请见《无线电》1990年第1、2期。接通电源后,电路自动处于守候状态。先将录放音选择端WR(39)置录音状态,外接按钮使START(25)端得一正脉冲后电路进入“录音”状态,语言信号经外接话筒送入T6668,并存入外接存储器DRAM41256,直至存储器全部存满。录完后,电路将自动进入保持状态,对存储器进行刷新操作。接着将WR换为放音状态,这时,外界有信号触发START端,K1继电器吸合,电路将从各存储器中依次读取信号,经外接功率放大器LM386通过电话线输出语言报警信号。
电路调整
为完成自动拨号,电话机最好选用多功能脉冲按键电话机,带有免提通话、号码存储等功能,这样,从电话机中引线方便。若没有这种电话机,也可采用普通脉冲按键电话机。现介绍电话机接引线方法。为模拟摘机拨号,需从电话机中引出10很引线。6根接电话机中免提开关,接线之前用万用表电阻档判别一下免提开关中的接点,使两只搁叉继电器K1、K2的触点,工作状态与免提开关相同,按下免提开关,两点短路,则接继电器两常开触点,另一根线接常闭触点,K2与K1触点接法相同。K3继电器两触点引线接至电话机重拨键触点上,K4两触点并接在存储号码地址键上。继电器采用DC12V4098小型继电器。
调整步骤:自动拨号电路若元件好,焊接无误,通电后即可工作,A点对地短路,继电器K1、K2吸合,K3、K4先后工作。电话机能将预先存储号码拨出,若发现号码送不出,可调整延时电路中R3、R4值。
解调器是调试的重点,接上电话线,先将K6触点短路,使电话信号直接进来。通电后,拿起电话机听筒,出现拨号音,用万用表电压档测量D8第8脚电压,同时慢慢调整R14,当万用表读数从5V到0V时,停止调整R14,放下电话机听筒,这时,万用表读数又从0V上升至5V。D8调整完毕、已能解调出450Hz倍号。接着调试第二级解调器,拿起电话机听筒,拨一下自己电话机号码,听筒产生忙音,用万用表电压档量D9第8脚电压,同时,慢慢调整电阻R16值,直至第8脚为低电平止。
脉冲鉴别调整相对来说比较简单,用于控制放音用脉冲鉴别电路中时间常数t,应准确地调整到4秒,大于4秒放音,继电器不动作,小于4秒,容易产生误动作。最后可以几部分连起来总调试,电话机中存入要拨号码,语言处理器录入“这里是××地点,发现盗警,请速派人来”等语言,将信号输入端对地短路,这时,拨号继电器工作,将原先存储在电话机中号码拨出,若对方占线(忙音),重拨继电器K5工作,电话拨通后,第一声回铃声结束后,语言处理器开始放音。电话已拨通,但若对方长时间无人接电话,2分钟回铃声后,电话交换机能自动转为忙音信号,使该系统能继续工作,实现连续拨号,只有当外界报警信号解除,停止拨号。
本电路稍作改动可实现警情不同,报告不同内容。
该电路也可作为自动监听电话,在话筒后加一级放大电路。当盗情发生时,电话机自动搁叉拨通主人电话,语言放音,主人拿起听筒听完语言信号后,即能听到家中情况。
本电路与电话机相接后不影响电话机正常使用,可适应任何制式交换机。(朱云海)