检查和判断故障的要点
虽然录象机的机械系统较为精密复杂,但机械运行的过程或结果状态是人眼所能看到的,其故障原因一般比较直观。因此,检查判断录象机的机械系统故障主要靠观察,必要时再辅以听、闻、摸、拨及测量等手段。当然,用观察法检查判断机械系统故障应在了解机构的一般工作原理的基础上进行。
当录象机的机械系统出故障时,可能影响盒带的装卸、磁带的运行和录放的图声质量等多方面。检查时,应根据故障现象先大体判断出故障部位,然后仔细观察该部位及其相关部位的机件是否磨损、断裂、变形、移位、脱落或被异物卡住等。如果在机构静止状态下发现不了问题,可进一步插入带盒或模拟装带后再作检查,同时还可用摸、拨、听和测量电压等方法予以配合。根据426E录象机的机构特点、原理和笔者的大量维修实践总结,现归纳如下一些检查判断故障的要点。
1.故障部位的判断
根据不同的故障现象,查对附表后可大体判断出故障所在部位及原因。

2.试验用的盒带一定要良好
盒带不良往往被录象机不能正常工作,不少因盒带因素而引起的“假故障”(非录象机本身出故障)与机械系统的故障甚为相似。例如:当使用带头透明导引带过长的盒带时,盒带插入带仓后立即会被退出,其故障现象与带盒装载机构不能装带的故障表现一样,如果因此而去检修带盒装载机构,那肯定会走弯路。所以,试验用的盒带要确保符合要求,吃不准时应换几盒试试。
3.两个检修重点
从维修实践来看,426E录象机的机械系统故障较多发生在带盒装载机构和(上带)装载电机组件两个部分中,这是两个检修重点。半这两部分发生故障时,最可能引起的问题便是带盒无法插入带仓或插入后立即被退出,这种现象也是维修中最常遇到的故障。因此,检修时直接检查这两部分,往往可收到事半功倍之效。下面具体谈谈这两部分的检查和调整。
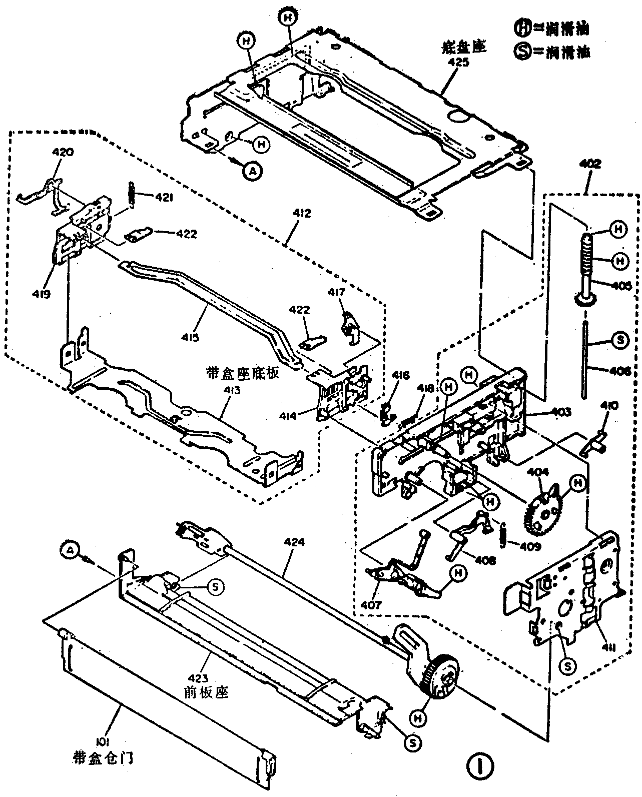
(1)带盒装载机构 如果带盒在录象机电源开启、显示屏有显示的情况下而无法插入带仓,或者插入后并没下降到位(到带仓底部)就被排出,大都说明带盒装载机构出了故障,最常见的是带盒插入通道存在异物或机件变形而影响带盒进入带仓,还有是带盒装载齿轮组件被卡住不能灵活转动。426E录象机的带盒装载机构分解详图见图1所示。检修时,可按图2所示,用改锥拧下2个螺丝,然后提起机构后部,释放前部2个搭扣后便可取出机构。取出机构后若还看不出故障所在,可按下列步骤逐一拆卸带盒装载齿轮组件,拆到哪一步解决了问题,便可停下,按反步骤复装好组件。


①拆卸侧板 如图3所示,释放3个锁扣后,用力拉出侧板即可。

②拆卸FL涡轮、门臂和大涡轮 请参见图1,拆卸FL涡轮(405)、门臂(407)和大涡轮(404)时,只需依次一一拉出便可。
③拆卸开关杆 参见图1,先拉出开关杆(408)和齿轮托架(403)之间的弹簧(409),随后便可分别拉出开关杆(408和410)。
拆开组件后,可重点检查大涡轮及FL蜗轮是否磨损、扭曲、缺齿等。重新安装时必须注意下列几点(参见图4):

①须将同步齿轮上的“◇”标记与离合器齿轮(大涡轮)上的“△”标记对准。
②带盒开关杆A(408)的凸起部应和同步齿轮的凸轮紧靠配合。
③重装带仓门(101)时,应把门臂的凸起部插入带仓门的槽沟中。
把带盒装载机构重新装入机芯时,必须将其位置放平了之后再拧紧2个螺丝,否则试机时极易导致带盒插不进和损坏齿轮组件等故障。
(2)装载电机组件 装载(上带/退带)电机组件主要由电机和机构状态开关组成,如图5所示。装载电机有两个作用,其一是带动机构状态开关转动至与操作所要求的工作状态相应的位置,使微处理器(IC901)获得正确的状态代码。其二是在录、放象操作时;将磁带拉出上带或收回退带。由于录象机的操作都通过微处理器控制,当机构状态开关本身不良或装载电机驱动不良时,微处理器便得不到正确的机构状态代码,这时微处理器就会发出指令,或令机构运动回到起始状态,或令电源断开。实行电源保护(当机构受阻回不到起始位时便实行电源保护)。由此可见,装载电机组件一旦发生故障,录象机的主要功能都会失去。

装载电机组件的常见故障是电机不转、转动不畅和机构状态开关接触不良。检查时,若插入带盒时电视不转,而电机电压(12~13V)正常,则表明电机损坏或转动齿轮、转动轴被卡住。一般前者的可能性不大,故应重点查后者。由于该电机不用螺钉固定,受到较大振动或经不熟练人员维修后位置易变动,容易导致转动轴被齿轮卡住的故障,这是最为常见的。检查时按下列步骤拆卸后再重新装好(参见图5):
①释放带盒开盖器的1个锁扣,拉出开盖器。并拔掉电机接插件。
②释放固定机构状态开关的2个锁扣。
③释放固定电机的4个锁扣。
④用改锥撬开电机轴端侧2个螺丝孔内的2个凸头,同时用手拉出装载电机组件即可。
重新装上该组件时,务必使电机和状态开关都处于正确位置,7个锁扣(含2个凸头)应全部扣牢。装好后拨动转轴,若轻快灵活,说明故障已排除,否则进一步检查故障所在。如果机构状态开关位置不正确,重装时必须予以调整,不然录象机无法正常工作。调整时参见图6,按以下步骤进行:

①设定录象机处于带盒弹出状态。
②拨动方式(模式、状态)齿轮,将它上面的小孔对准状态开关旁的A孔。
③拨动状态开关后面的驱动齿轮,使开关中心轴上的箭头标记指向开关外壳上的数字1对应的箭头。
④重新装好装载电机组件。
如果经位查电机转动正常且状态开关箭头所指数字与实际操作相符(参见图6,注意:427E录象机与图示有所不同,将在“系统控制检修”中介绍,但1、2、3状态两者相同,可供调整时参考),而录象机进盒后退出或不能上带,说明故障在状态并关本身或连接线路上。后者较为少见也易发现;前者通常是接触不良,大多是沾污尘较多所致,只要拆下装载电机组件,用清洁剂或无水酒精清洗即可排除故障。该开关为圆形密封结构,不易拆开,故不要硬拆,否则容易弄坏。
1.模拟装载的方法
为便于检查绞带、走带不正常和被带盒遮住的机构等故障,常需采用不插入带盒而使录象机加载(含带盒的磁带装载)的方法,即所谓的模拟装载。模拟装载的正确方法如下:
用黑胶布(只需2.0×1.5cm大小2块即可)把供带侧光电管和收带侧光电管(参见上期文图1)分别贴住,不让带盒灯光线照射到它们。随后在带盒底盘座(参见图1中的425)与安全杆(图1中420)底部中塞入一块约5~6mm\(^{2}\)大小的橡皮或黑胶布块,使安全杆上部的钩子不再钩住底盘座。然后便可通电开启录象机,再用手推入带盒座底板(图1中413)。之后,录象机便处于停机(STOP)状态,此时按动各功能键便可建立相应工作状态。但倒带状态一次只能进行几秒钟,因为无磁带,收带盘不转而无带盘旋转脉冲检出,几秒后即自动停机。此外,按录象键时带盒座将退出(升起),需要置此状态时可用手按住防抹开关S141,以模拟带盒的挡舌。
如果带盒仓有故障或仍阻碍观察有关机件,可拆出带盒装载机构再作模拟装载,此时两侧光电管仍需遮住,但安全杆上的橡皮块不需放置了。
值得指出的是,有些书刊上介绍用黑胶布遮住带盒灯的方法来模拟装载,这是不妥的。原因在于供带测和收带侧光电管灵敏度很高,容易受到外部光线干扰而产生误动作,使模拟装载失败。这对日立330E、340E等一些老型号录象机来讲几乎行不通。对426E录象机而言,受外界光线干扰程度要轻一些,但不能完全免除。此外,用黑胶布粘贴带盒灯,一则极易阻挡带盒座下降,使之不能完全到位而导致装载失败;另则容易弄脏带盒灯,使检测灵敏度下降以致失效。
5.不要乱调整磁带通道的机件位置
在许多录象机维修书刊中均用很大篇幅来介绍磁带通道零部件位置的调整,一些维修人员往往没作深入检查也喜欢会调这些零部件。其实,一般录象机除了人为因素会导致这些零部件失调外,极少发生自然松动、移位等现象,因为它们的固定都很牢靠(否则大多在调试和运输过程中早就发生故障了),通常在维修中很少会遇到各种导柱、音控磁头、阻尼轮、全消磁头等磁带通道零部件移位的故障,因此,也就很少需要去重新调整。只有经仔细检查后确定是位置不对或机件磨损需调换,才有调整的必要。乱调整必然不能排除故障,还可能扩大故障,引起不必要的麻烦,应该切忌。426E、427E录象机在我国流行的时间尚不长,除了传动带和磁鼓外,一般机子的机件磨损故障也较少见,这点在检修中也应注意。
故障检修实例
1.故障现象:盒带插入带仓后退出,有时完全不能插入。
检修:经检查,带盒插入时,带盒装载机构动作到一定时候发出“吱吱”声,系皮带打滑硬性传带发出的摩擦声,故初步断定带盒装载机构被卡住。因从外部看不出问题,故拆开带盒装载机构的齿轮组件,结果发现大蜗轮上掉下一段塑齿嵌在了传动齿轮之间,取出后,复装好带盒装载机构,故障排除。
2.故障现象;带盒完全插不进。
检修:经查,操作开关(OPERATE)指示灯亮,显示屏亦有显示,说明电源接通。拆下盖板(顶板)和底板检查,看到主导轴传动带脱落,重新上好皮带,故障消除。
3.故障现象:磁带上带之后又退带。
检修:开机观察,上带并未完全到位即自行退带,故首先检查装载电机组件。拨动电机转轴,发现不太灵活。再查其位置,发现后部抬起,致使转轴下冲,齿轮啮合过紧,因而转动受限,使上带不到位,机构状态开关转不到“6”位(录、放象位),导致自动保护退带。将电机后部压入塑座内,再转动轴,感觉轻便,于是开机,录象机一切恢复正常。
4.故障现象:走带发出较大异响,图象不时跳动、消失。声音变调。倒带时磁带溢出,出盒后磁带绞乱。
检修:经检查发现,仅在倒带和停机时磁带会溢出,而其它状态时不溢出,说明故障在供带侧,大多是供带侧阻力过大。进一步检查后发现,副制动器(供带侧,见图7所示)向上抬起,卡住了供带盘,因而使供带盘阻力大大增加,磁带无法正常运行,所以出现上述故障。将副制动器位置重新调好后,故障排除。这种故障严重时会使磁带运行位置改变,导致磁带上部被导柱等零件绞坏。

5.故障现象:重放时图象在垂直方向上跳动,其它基本正常。
检修:根据故障现象,可直接判断故障大体由张力机构引起。音控磁头位置变动也可能引起这种故障,但一般较少见,而且声音大多也会出现一些变化。打开顶板检查发现,张力杆弹簧脱落见(图8),重新上好弹簧,图象不再跳动。该弹簧脱落后,磁带运行张力大大减小,使其与音控头的接触时好时坏,由于控制脉冲消失要比伴音瞬时失去反应大得多,故表现出图象跳动而伴音等大体不受影响。

6.故障现象:重放出现一条固定水平条纹,退出磁带查看,发现有一连续划痕。
检修:这表明磁带通道中某个零件存在毛刺,划伤了磁带。经用眼看,用手轻摸有关零件,发现供带导杆(在全消磁头旁)上有一毛刺,用细砂纸打磨几下便解决了问题。
以上是录象机机械系统的几种常见故障的检修实例,应该指出,仅靠看书是难以全面理解录象机的机构工作原理,应结合使用及维修实践才行,而这当中主要还是靠仔细地观察。(王德沅)