TDA7021T是飞利浦公司推出的一片调频信号处理集成电路。它与常用的TA系列电路及ULN 2204等调频电路相比,具有集成度高、使用电压低、不需使用双联电容、不需外接中频变压器及设有静噪电路等特点。由于该集成电路灵敏度高且一致性好、电路调试简单,所以适用于大批量整机生产。本文就此介绍几例用它组装调频接收机的实际电路。
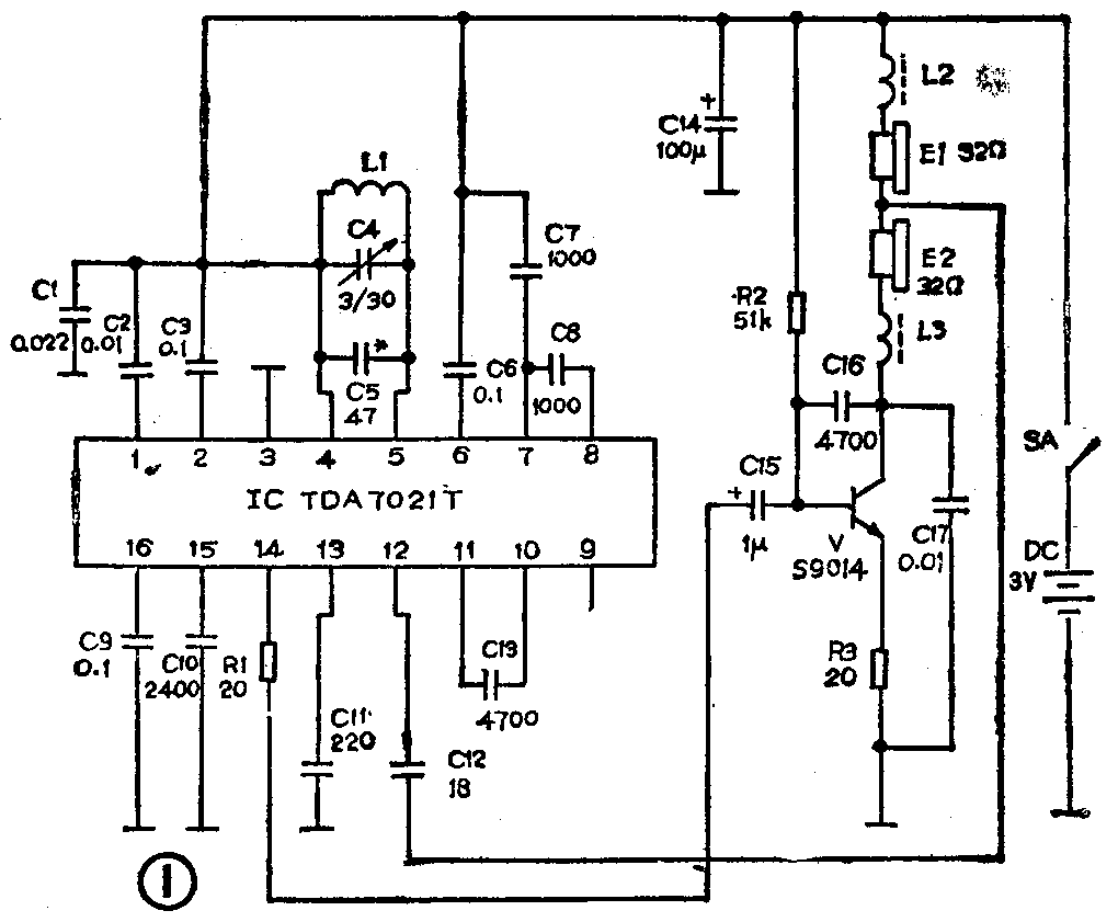
例1:无线耳机接收机。电路见图①。将它与小型调频发射机相配可做成电视伴音或音响系统的无线转发器。图①中用耳机线代替天线,它将高频信号经C12送入集成电路。由C4、L1组成的可变回路对所需的电台信号进行选择。图①电路调试异常简单只需将C4旋至容量最大处调整L1的间距使之收到87MHz的信号,再将C4旋至容量最小处调整C5大小使之收到109 MHz的信号即可。业余条件下可以不必调整,只要转动C4就能收到电台。V作低频放大使接收机具有足够的输出功率,可选用S9014,β为120左右。L2、L3为高频限流圈,它既阻止了高频信号的通过,又让音频信号顺利地到达耳机。图①中C4用的是薄膜单联可变电容器,C3、C6、C9为独石电容,C14、C15为电解电容,其它为瓷片电容,不要用涤纶电容。L1绕法见图②。L2、L3用φ0.51漆包路在7×7中周用“工”字形磁芯上绕30圈而成。E1、E2为32Ω立体声耳机,它在图①中是串联使用的。SA是小型拨动开关。印刷电路见图③。集成电路直接焊在印刷电路面上。



例2:调频立体声接收机。电路见图④。高频部分电路形式与图①中高频部分电路形式相同只是一些参数有差异。IC2为解码电路,选用 LA 3361作解码主要是它可在3V低压下工作,且取材容易。其外围电路经过简化设计可以变得很简洁。如14、15脚间网络推荐形式如图⑤。由于C的取值大小对俘获范围有影响,当输入信号大于250mV时,C取1μF便可满足要求;再如8脚外接的分离度控制电阻,其阻值大小与分离度有图⑥所示关系。由图可见在其值为380Ω处分离度为最大值。故可在双峰特性一侧靠近峰点处取值(如390Ω)。此外4、5脚输出端的去加重电路也可接成图④所示的简单电路。实践征明虽然简化设计,但仍可得到明显的立体声效果。图④中L1、L2、L3、L4的绕法分别与图①中L1、L2、L3相同。高频部分电路调试方法与例1相同,所不同的是增加了解码部分的调试。调试时将频率计接在12脚端,用一个3kΩ电阻与一个10kΩ的电位器串联后接在原R5、R6的地方,调整电位器的阻值使频率计指示为19kHz。用两个串联后阻值与调试电阻阻值和相同的电阻焊回原电路即可。业余条件下在有立体声广播信号时,调整可变电位器使立体声指示点灯亮,然后固定电阻值即可。图④电路中C17最好选用聚脂薄膜电容,实在找不到,业余条件下可以用涤纶电容代用。其它电容要求可参考例1。V1作复合信号放大可用3DG201,β为120左右。V2、V3为立体声音频放大可用S9014,β为120左右,两管β应尽量相等。印刷电路见图⑦,集成电路IC也直接焊在印刷电路面上。(陈晨)



