录象机系统控制电路的主要作用是沟通录象机面板各功能键与机械传动部分的联系,让视频电路、音频电路、伺服电路及其它电路按面板功能键所选择的方式工作。当录象机周围的环境恶化或发生不良情况时,为了使视频磁头、磁带及机械传动部分不损坏,系统控制电路能使录象机自动进入停机方式,必要时关断录象机电源。下边以L-15录象机为例说明录象机系统控制电路。
L-15录象机的系统控制电路的简化框图如图1所示。两个集成电路微处理器之间的大量信息传递是由1根导线,以传输串联数据形式来完成的。为了同步传输和接收串联数据,要附加1根传输时钟脉冲的传输线。微处理器IC7501主要控制多功能显示电路,便显示屏显示出的数据与图形同录象机的工作方式一致,它还控制键矩阵电路、通道选择器电路以及红外线遥控接收电路。微处理器IC2001主要控制螺线管电路、电源电路、音频电路、视频电路、制式选择电路、重放/纪录速度选择电路(LP/SP)、鼓电机驱动电路和主导电机驱动电路。两个微处理器都有各自的晶振电路和复位电路以确保微处理器正常工作。

系统控制电路使录象机具有下列自动功能。①彩色电视制式自动选择功能:当重放PAL彩色电视制式的磁带时,录象机自动工作在PAL方式;当重放NTSC彩色电视制式的磁带时,录象机自动工作在NTSC方式并转换成为PAL制图象信号送到PAL制的彩色电视机中观看。②慢速重放和正常速度重放的自动转换功能(LP/SP):正常重放速度(SP)为23.39mm/秒,慢速重放速度(LP)为11.695mm/秒。在LP方式,可在240分钟磁带上记录/重放480分钟的图象信号。录象机置LP方式时,如重放SP的磁带,该机能自动转换为SP方式。③自动寻迹功能:同时按下寻迹(+)和(-)键,可以自动寻找到最佳的寻迹位置。④自动倒带的功能:在重放/记录或在快进方式当磁带到达终端时,能自动倒带一直到磁带的首端并自动进入停机方式。⑤自动定时记录功能。⑥自动起弹功能:插入没有安全片的磁带,置录象机为自动定时记录方式,该机将自动起弹;录象机关断电源之后(交流市电仍送到录象机中)按起弹键,该机能自动接通电源取出磁带然后又自动关断电源。⑦静象或记录暂停方式超过5分钟时能自动返回到停机(stop)方式。⑧慢放方式持续时间超过10分钟,自动返回到停机方式。⑨当录象机所处环境太潮湿时,能自动显示出“0然后自动断电。下边对各控制电路原理进行介绍。
功能键选择电路
介绍两种功能键选择电路:一种是电容器充放电式;一种是矩阵电路式。
1.电容器充放电式功能键选择电路(NV-370、NV-450等录象机中采用):图2示出了NV-450录象机功能键选择电路的实际电路和波形图。从微处理机IC6001的2脚送出P\(_{0}\)0扫描脉冲经R6018加到Q6003的基极,从IC6001的3脚送出P01扫描脉冲加到QR6001的基极。只要录象机接通电源,P\(_{0}\)0、P01扫描脉冲始终加到Q6003和QR6001的基极。在T\(_{1}\)期间,P00为负极性脉冲Q6003不导通,P\(_{0}\)1为正极性脉冲QR6001导通,则电容器C6006与C6005并联。此时如果按下起弹键,充电时间常数为R6551×(C6006+C6005)。在T2期间,P\(_{0}\)0为正极性脉冲,Q6003导通,P01为负极性脉冲,QR6001截止,电容器放电。在T\(_{3}\)期间,P00为负极性脉冲,Q6003截止,P\(_{0}\)1也为负极性,QR6001也截止,此时仅有C6006被充电。电容器上所形成的脉动电压加到运算放大器IC6002的2脚,IC6002的3脚始终保持2.5伏直流电位,IC6002的1脚送出与所选择的功能键相对应的键脉冲。由于不同的功能键按下时所接通的电阻值不同,电容器C6005、C6006的充放电时间常数也不同,IC6002的1脚送出的键脉冲的形状(空度比)也不同。微处理机能识别这些键脉冲,并根据功能键的要求发出相应的指令,使录象机进行与前面板被选择的功能键相应的工作。同时,以串联数据的形式从IC6001的13、14脚送出与所选择的功能键相应的数据加到多功能显示器,使相应的显示部分闪亮。例如当按下“起弹”键时,微处理机命令主导电机瞬间转动并让供带盘瞬间反转,使松驰的磁带拉紧,同时又命令带仓电机反转取出磁带。

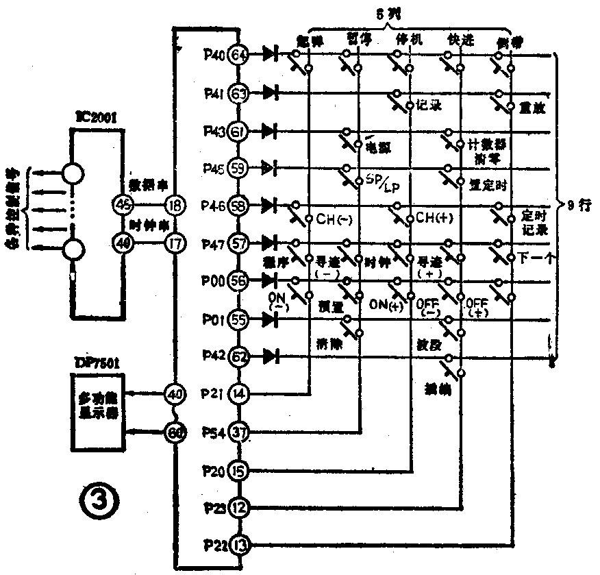
2.键矩阵式功能键选择电路(NV-G10、NV-L15等录象机中采用):图3示出了L-15录象机键矩阵电路实际电路图。该电路是九行五列式矩阵,最多能连续45个功能键,实际连接27个功能键。IC7501内部产生的键扫描脉冲通过输出端口(P\(_{4}\)0~P43、P\(_{45}\)~P47)P\(_{0}\)0、P01连接到9根矩阵行线,只要录象机接通电源,键扫描脉冲始终送到矩阵电路,用来检测面板上那一个功能键已经按下。5根矩阵列线与微处理机IC7501的输入端口(P\(_{2}\)0~P23、P\(_{54}\))连接,当没有功能键按下时,IC7501的输入端口没有任何信号送入。例如,当按下录象机电源开关时,IC7501的61脚的P43扫描脉冲经二极管、电源开关送到IC7501的37脚P54输入端口。此时IC7501的18脚送出电源接通的数据信号到IC2001,由IC2001来控制录象机接通电源并进入停机(stop)工作方式。同时从IC7501的40~64脚送出相应的信号到多功能显示器,使所显示的内容与录象机工作状态一致。当任何一个功能键按下之后,微处理机IC7501的输入口都将得到一个特殊的扫描脉冲,微处理机能识别它,并以串联数据的形式送到主微处理机IC2001,使录象机按照功能键的要求工作。

串联数据传输
微处理机IC7501检测到所选择功能键的内容之后,将该信息送到主微处理机IC2001,它采用了如图4所示的串联数据传输方式。现以NV-G33录象机为例加以说明。从主微处理机内部产生的参考时钟串脉冲,有11组脉冲串,每组脉冲串都包含有8个周期相等的脉冲(8位)。其中第1组~3组、第5组~9组是给IC7501传输数据串信号的,这8组数据信号的具体内容是:1组是带盒降下及计数器的数据;2组是定时器的数据及红外线控制的数据;3组是功能键的数据、VTR/TV控制数据;5组是录象机工作方式的数据以及VV/EE控制数据;6组是电源开的数据、倍速重放及慢放的数据;7、8、9组是线性计数器的数据。另外第A组和第B组是给伺服电路传递方式选择的指令信号的。在L-15录象机中这两组信号的传递是在微处理机IC2001内部完成的。

由图4看出,数据串中每组数据都是8位的(即含8个周期相等时钟脉冲),在时钟脉冲的上升沿,数据串中电平为低时读数为“0”,电平为高时读数为“1”。图4所示带盒到位的数据为00001010。数据串的数字变化时录象机工作方式和显示屏显示的内容也随之变化。
录象机电源的控制
给录象机加上交流市电,录象机时钟显示部分闪亮,IC2001和IC7501即进入了工作状态。如果不接通录象机电源,录象机任何功能键都不起作用。当按下电源开关时,由图5看出IC7501的61脚的扫描脉冲经二极管D7536、电源开关加到IC7501的37脚。IC7501再将电源开关按下的信息以串联数据的形式从IC7501的18脚送到IC2001的45脚,从IC2001的62脚送出电源接通的控制信号(低电位),加到电源部分QR1001的基极使QR1001截止,QR1001的集电极电位变高为13.2V,该电压经P1001的3脚和P1101的3脚加到IC1002的3脚,使多电压稳压器IC1002正常工作,送出供录象机工作的各种电压。

螺线管工作控制电路
L-15录象机中螺线管的控制电路如图6所示。在G型机芯中减少了带盒仓电机和加载电机,这两个电机的工作完全由主导电机代替。必须严格地控制主导电机的转动起始和停止时间、转动持续时间以及转动的速度和方向。为此增设了螺线管来控制离合器圆盘和释放滑杆的工作。离合器圆盘控制主导电机转动或刹车。当需要螺线管工作时,从微处理机IC2001的53脚来的螺线管工作低电位加到QR6002的基极使其导通,则QR6002的集电极电位升高,此时Q6001、Q6002、Q6003同时导通,3个晶体管导通的电流同时流经螺线管以克服螺线管的静力矩。螺线管吸合之后,Q6001截止,由Q6002、Q6003的导通电流来维持螺线管的工作。

方式选择开关和带盒开关电路
如图7(a)所示方式选择开关经插头P6001的3脚、1脚与微处理机IC2001的73、74脚相连接。带盒开关经插头P1508的4脚及P6002的3脚与IC2001的72脚相连接。在各种不同的工作方式,这两个开关加给微处理机IC2001的输入控制电压如图7(b)所示。带盒开关安装在带盒仓组件的右下侧,它时刻监测磁带盒在录象机内所处的位置,并告诉微处理机。带盒开关有三个(A、B、C)不同的位置,当磁带完全弹出时,带盒开关的滑片在A位置,P1508的4脚对地电阻为零,IC2001的72脚电位为零伏。当将磁带推入带盒仓,经带盒仓的机械传动机构推动带盒开关的滑片从A到B位置,此时IC2001的72脚电位为5V,微处理机IC2001即刻送出让主导电机正转的指令,并使螺线管吸合直到磁带进入到录象机内并处于半加载状态为止。当磁带已经降到带盒仓的底部时,带盒开关的滑片到C位置,IC2001的72脚电位约为2.2V。在录象机处于半加载、全加载、重放、记录等工作状态下IC2001的72脚始终保持为2.2V。

方式选择开关安装在压带凸轮齿轮旁边,如图7(c)所示。2脚始终接地,1脚经P6001的3脚与IC2001的73脚相接;5脚经P6001的1脚与IC2001的74脚相接。图7(a)中滑片所处的位置是录象机的起弹位置,此时,IC2001的73脚为2V,74脚为5V。当磁带插入并降下,进入半加载状态时,方式选择开关的滑片在(c)和(d)区间,此时,IC2001的73脚为5V,IC2001的74脚为2V。按下重放键之后,方式选择开关滑片进入(e)和(f)区间,此时IC2001的73脚仍为5V,IC2001的74脚电压为零,当滑片转动到(f)点加载结束,进入(g)~(h)区间时为重放/纪录工作方式,此时IC2001的73脚电压为零,74脚电压为5V。在重放/纪录过程中始终保持这个状态。
SP/LP控制电路
图8示出SP/LP控制电路,当录象机接通电源时显示器上出现SP字样,说明录象机处于SP工作方式,IC2001的67脚为低电位,QR2405截止,QR2405集电极送出5V电压(SP:高电位)到视频电路。按下前面板开关SW6210(SP/LP),IC750159脚的扫描脉冲经D7537、SP/LP开关加到IC7501的37脚,然后从IC7501的18脚送出数据串信号到IC2001的45脚,微处理机接收到LP的工作指令,即刻从67脚送出高电位(约5V)加到QR2405的基被使其导通,QR6006截止,从QR6006集电极送出高电位(约5V)到视频电路,使视频信号处理电路产生的记录视频信号符合LP工作方式的要求。在LP工作方式时IC2001内部的伺服电路也处于LP工作方式使主导电机转速变慢。(未完待续)(葛慧英)
