三、555单稳电路应用举例
1.定时延时电路
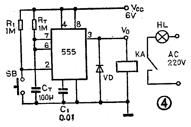
(1)相片曝光定时器:图3是用555单稳电路制成的相片曝光定时器。用人工启动式单稳电路。电源为6伏。负载是一个小型继电器,曝光照明灯就接在继电器的常开接点上。

电路接通电源后,定时器进入稳态。此时定时电容C\(_{T}\)的电压为:VcT=V\(_{cc}\)=6V。对555这个等效触发器来讲,两个输入都是高电平,即R=1、S-=1,所以输出是低电平,即V0=0。继电器KA不吸动,常开接点是打开的,曝光照明灯HL不亮。
按一下按钮开关SB之后,定时电容C\(_{T}\)立即放电到电压为零。于是555等效触发器的输入成为:R=0、S-=0,它的输出就成高电平:V0=1。继电器KA吸动,常开接点闭合,曝光照明灯点亮。按钮开关按一下后立即放开,于是电源电压就通过R\(_{T}\)向电容CT充电,暂稳态开始。当电容C\(_{T}\)上的电压升到2/3Vcc即4伏时,定时时间已到,555等效触发器的输入为:R=1、S-=1,于是输出又翻转成低电平:V\(_{0}\)=0。继电器KA释放,常开接点又打开,曝光灯HL熄灭。暂稳态结束,又恢复到稳态。
暂稳态时间t\(_{d}\)就是我们需要的曝光时间。从电路中使用的元件数值可以计算出,它大约是1秒~2分钟。用电位器RP可以随意调整。如果在定位器上事先画好刻度,使用起来就更为方便。
电路中使用的是JRX-13F小型继电器,吸动电流大约是30毫安,因此555电路必须选用双极型的CB555或CB556。
(2)节电楼梯灯:如果图3中的HL是楼梯照明灯,那么这个电路就成为节电楼梯灯控制电路。平时耗电很小,在有人上下楼时,只要按一下开关SB,就可使楼梯灯点亮一、二分钟后自动熄灭。
也可用第2种单稳电路组成节电楼梯灯控制电路,见图4。它就是图2的实际应用,不同的是:图2用外脉冲触发,而图4是用人工触发。从图4看到,平时,触发端TR-(2)是高电平,即S-=1,所以它的输出是V\(_{0}\)=0。继电器KA不吸,楼梯灯不亮。这时内部放电开关接通,DIS端接地,电容CT上电压为零,使输出保持为0。这是555单稳电路的稳态。

有人上下楼时,只要按一下开关SB,触发端T—R(2)的电位从6伏一下降到0伏,相当于输入一个负脉冲,使555等效触发器的输入S-=0,于是输出翻转成高电平:V\(_{0}\)=1。继电器KA吸动,接点闭合,点亮楼梯灯。与此同时,内部放电开关打开,电源电压通过RT向电容C\(_{T}\)充电,暂稳态开始。按钮开关按一下后是马上复原的,触发端T—R成高电平,555等效触发器的输入成为R=0、S-=1,因此等效触发器保持输出为高电平。
经过一段时间t\(_{d}\)后,电容CT上的电压上升到4伏时,555等效触发器的输入成为R=1,另一个输入早就是S-=1,于是它的输出翻转成V\(_{0}\)=0。暂稳态结束,又恢复成稳态。继电器KA释放,楼梯灯熄灭。与此同时,内部放电开关接通,DIS端接地,电容CT快速放电到零,为下一次定时控制作好准备。这个电路的定时时间大约是2分钟。
(3)高压延迟接通电路:以上介绍的是定时电路。它是指电路启动后输出从稳态转换到暂稳态,经过暂稳态时间t\(_{d}\)后又恢复到稳态。负载是在暂稳态时间内工作的,所以td又称为定时时间。
单稳电路的另一种用途是延时控制。所谓延时电路是指负载滞后或延迟一段时间后工作。对单稳电路来讲,我们能够控制的是它的管稳态时间,所以只要把负载安排在稳态时工作,利用暂稳态时间作延时时间,单稳电路就成为延时电路。这时t\(_{d}\)就称为延时时间。这两种电路在形式上是相同的,它们的区别在于:定时电路的负载在暂稳态时间内工作;而延时电路的负载在稳态工作。
最典型的延时电路就是高压延时接通电路。
图5是用555电路制成的高压延时接通电路。实际上它是和图3相似的人工启动式单稳电路。两者的不同只是定时电容和定时电阻的位置更换了一下,另外它的供电电源不是电池而是交流经整流稳压后供给的。

这个电路在开机时立即接通电子管灯丝电压预热,而阳极高压因为接在555电路输出端继电器的接点中,要延时一段时间后才接通,达到了高压延时接通的目的。
在电源未接通前,定时电容C\(_{T}\)上的电压是零。在接通电源的瞬间,电容CT两端的电压仍保持着开机前的状态,因此在开机的瞬间应该把电容看成是短路的。这时经过整流稳压后的电源电压全部加到定时电阻R\(_{T}\)上,因此555等效触发器的输入端R=1、S-=1,输出是低电平,V0=0。继电器KA不吸,常开接点断开,高压是断开的。电子管灯丝则已经被加上电压预热。
在开机接通电源以后,电源电压开始向定时电容C\(_{T}\)充电,暂稳态开始。CT两端电压随着时间增长逐渐提高,R\(_{T}\)两端电压则逐渐降低。经过时间td后, C\(_{T}\)上电压达到\(\frac{2}{3}\)Vcc,R\(_{T}\)上电压<1;3Vcc时,555等效触发器的输入成为R=0、S=0,于是输出翻转成高电平:V\(_{0}\)=1。继电器KA吸合,常开接点闭合,高压被加到电子管阳极,仪器开始工作。
从电源开关SA合上到继电器KA吸合这段时间就是延时时间t\(_{d}\)。从电路中元件数值可计算出延时时间大约是2分钟。从图5(b)的波形图看到高压是在延时td以后才接通的。
电路中与继电器线圈并联的二极管VD\(_{2}\)是防止555输出从高电平变到低电平的瞬间,在继电器线圈两端产生相反的高电压使555电路损坏而使用的保护二极管。
2.锯齿波和方波发生器
从图2(d)的波形图看到,定时电容C\(_{T}\)两端的电压是一个锯齿形的脉冲电压,输出端V0的电压是方波电压。因此用图2的电路可以同时取得锯齿波和方波脉冲信号。由于电容器充电电流是按指数规律增长的,所以C\(_{T}\)两端的电压也是遵照指数规律增长的曲线。在电视机和示波器里,显象管和示波管上所加的扫描电压最好是斜齿形的波形,上升部分和下降部分都应该是直线的锯齿波。为了得到较理想的锯齿波电压,可以使用改进的555单稳电路,见图6。图中晶体管VT相当于定时电阻RT,它有恒流源的性能。也就是通过晶体管VT的电流是基本上保持一个恒定值不变的。因此在C\(_{T}\)两端的电压就是一个平直的锯齿波电压。如果触发端TR-输入的脉冲是连续的而且输入脉冲的周期T大于td时,就可得到连续的锯齿波和方波电压。见图6(b),电路图中R\(_{1}\)、R2是晶体管VT的直流偏置电阻。

3.分频器
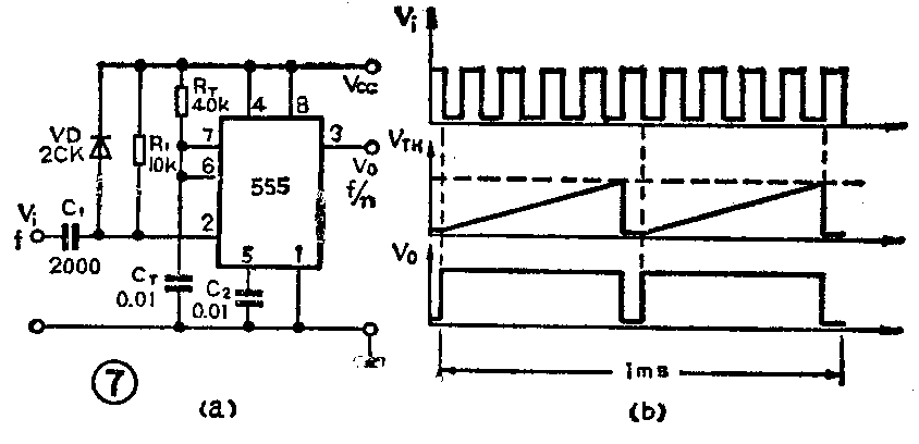
分频是把较高频率的信号变换成较低频率的信号。如要对某个信号f\(_{1}\)进行n分频就是取原来信号的频率f1除以n,即f\(_{2}\)=f1/n。我们知道,周期的倒数就是频率:f=1/T。所以对某个信号进行n分频就是取原来信号的周期T\(_{1}\)乘以n,即T2=nT\(_{1}\)。对脉冲信号来讲,n分频就是把脉冲信号周期增大n倍,或者说单位时间里出现的脉冲个数减少的。例如对一个频率f1为10kHz(T\(_{1}\)=0.1ms)的脉冲进行5分频处理。那么分频后的脉冲信号频率f2应该是2kHz(T\(_{2}\)=0.5ms)。从图7(b)看到,原来在1毫秒时间内有10个连续的脉冲,经过5分频处理后只有2个脉冲。

现在来看看怎样用555单稳电路来完成分频任务。从图2(d)看到。当定时时间t\(_{d}\)大于触发脉冲的周期T时,只有第1个脉冲起触发作用,在暂稳态期间的后续触发脉冲都是无效的。只有到定时电容放完电,恢复到稳态之后再出现的触发脉冲才能再一次触发。利用这种特性可以把555单稳电路做成任意数的分频器。
图7(a)就是用555单稳电路组成的分频器。它的定时电路中R\(_{T}\)和CT的数值应该按以下规律选定就可完成分频任务。假定要求分频处理的脉冲即触发脉冲的周期是T\(_{1}\),要求的分频数是n,那么只要选择定时时间td在nt\(_{1}\)和(n—1)T1之间,就可以在输出端得到n分频的脉冲信号。
例如要求对10kHz的脉冲信号进行5分频,则应取t\(_{d}\)为:5×0.1ms>td>4×0.1ms假定取t\(_{d}\)=0.45ms,从0.45ms=1.1RTC\(_{T}\),可以选择定时电路的元件值RT=40kΩ,C\(_{T}\)=0.01μF。于是这个电路就能对10kHz的脉冲信号进行5分频处理。电路见图7(a),波形图见图7(b)。
4.检测电路
555单稳电路可组成多种检测电路。如:
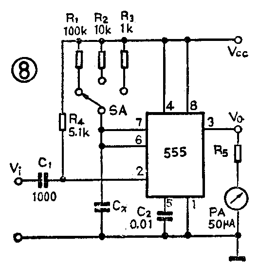
(1)指针式电容计
图8是用555单稳电路制成的指针式电容计电路。输入脉冲频率约为1kHz。可以用它测量1微法以下小容量电容器的容量。如降低输入脉冲的频率也可以测量1微法以上容量的电容器。

在原来定时电容C\(_{T}\)的位置上放一个被测电容Cx。从触发端TR—输入触发脉冲,在暂稳态时电源通过R向C\(_{x}\)充电。Cx的电容量越大,C\(_{x}\)上电压升到阈值电压所需的时间即暂态时间td越长;C\(_{x}\)的电容量越小,td也越短。如果触发端输入的是连续的脉冲串,那么输出端V\(_{0}\)得到的就是脉冲宽度和td成正比的连续的脉冲。如果在输出端V\(_{0}\)和地之间接一个电流表PA,那么电流表里的电流大小就和输出脉冲的宽度成正比,也就是和Cx的容量大小成正比。所以电流表的指针偏转就能表示电容量的大小。用量程开关SA选择不同的定时电阻,再在电流表上画出电容量的刻度之后,这个电路就成为一个指针式电容计,可以用它测量电容器的电容量。如果在电路上再加以改进,把电流表显示部分改成数字式显示,它就成为一个数字式电容计。
根据同样的工作原理,在C\(_{T}\)的位置上放一个固定电容,RT的位置上放被测电阻R,在换量程开关和电流表的刻度后, 它就成为一个测量电阻阻值的欧姆计。
(2)频率计
利用图8的电路还可以测量频率。在电路中选用固定阻值的R\(_{T}\)和固定容量的CT,从触发端输入频率未知的脉冲波V\(_{i}\)时,就可以从电流表中指示频率的高低。
在电路的R\(_{T}\)、CT确定之后,暂稳态时间t\(_{d}\)就是固定不变的。555单稳电路的输出脉冲V0的宽度是和t\(_{d}\)相等的。在输入脉冲周期Ti>t\(_{d}\)的条件下,输入脉冲的频率变化表现为输出脉冲占空比的变化。频率越高,脉冲占空比越小。占空比是指脉冲周期和脉冲宽度的比值。从图9看到,因为输入脉冲的频率f2比f\(_{1}\)高,所以输出脉冲V02的占空比小于V\(_{0}\)1。因为电流表里的电流是脉冲电流的平均值,脉冲占空比越小,电流表里的电流越大,所以电流表的电流I02大于I\(_{0}\)1。也就是说,电流表指针的偏转可以表示频率的高低。在变换了电流表和量程开关的刻度后,图8的电路可以成为一个频率计。它的频率测量范围大概从0.1~200kHz。

(3)汽车速率表
图10是利用555单稳电路组成的汽车速率表电路。电路使用12伏电源,图中R\(_{1}\)、VD1、C\(_{1}\)是稳压滤波电路。L1是汽车点火线圈,SA是点火触点开关。汽车在行驶时点火线圈点火的次数是和汽车的速度成正比的,因此点火开关每开闭一次产生的脉冲就代表汽车的速度。汽车速度越高,点火脉冲的频率就越高。点火脉冲通过R\(_{2}\)和VD2的箝位和限幅输入,成为555单稳电路的触发脉冲。每输入一个负脉冲使555单稳电路翻转一次。这个电路当输出V\(_{0}\)为高电平时,二极管VD3反向阻断,电源提供电流流入电流表。当输出为低电平时,电源提供的电流经V\(_{0}\)入地,电流表中没有电流。因此电流表中的电流是和输出正向脉冲的宽度成正比的。和频率计的工作原理相似,输入脉冲频率越高,输出脉冲占空比就越小,电流表中的电流就越大,所以电流表中指针的偏转就表示汽车的速率。

根据同样的原理,通过传感器的变换,这个电路还可以进行电动机转速、温度、压力等的测量。(俞鹤飞)