问:一台孔雀牌KQ47-39型47厘米彩电的色纯度不良,经检查发现,消磁电路中的热敏电阻MZ72-18被烧坏。因购不到原型号电阻,拟用MZ72-40代替,不知可否?会出现什么问题?
答:MZ72-18和MZ72-40均为正温度系数热敏电阻(PTC),两者系同一系列产品,区别主要在于静态常温下的阻抗值不同,前者阻抗小于后者,故前者形成的起始电流一般要大于后者。通常,由于47厘米以上的彩管要求有较大的消磁电流,所以大都选用MZ72-18作消磁电阻;37厘米彩管则多用MZ72-40等型PTC。但在日常维修中,可以用MZ72-40代MZ72-18。如果原先彩管色纯较差,可先用人工消磁法予以解决,以后就能依靠机内电路消磁了。(德沅)
问:一台索尼KV-1882CH彩电,光栅很亮,调整亮度电位器变化不大,有回扫线,图象不清楚没有层次感并偏蓝色,检测3个视放管集电极电位都接近200V。请说明故障原因及检修方法。
答:从故障现象分析,原因有:①白平衡不良,造成图象偏蓝色;②显象管加速极电压偏高和聚焦极电压异常,造成亮度过高。这两个原因都将造成图象无层次感。正常情况下,3个视放管的集电极电位V0在160V左右,而现在近于200V,说明管子并没有工作在所需的放大状态,而是趋向于截止状态,这就使视放管输出到显象管阴极的R、G、B信号的幅度发生变化。这时反应到屏幕上就是光栅偏某种颜色,即白平衡不良。光栅出现高亮度是由于加速极电压过高,使亮度增大。另一方面,亮度电位器是控制亮度信号增益的,并不控制显象管的栅阴电压,所以这时改变亮度电位器的阻值,光栅的亮度变化不明显。至于回扫线的产生,是由于视放管的工作异常造成的。
综上所述,检修时应首先查看加速极电压是否正常,调整电位器RV\(_{7}\)06是否损坏,然后调整白平衡。在业余条件下,白平衡的调整可如下进行:①将加速极电压调低、亮度电位器关小、对比度适中、色饱和度关死。②将电视机频道选在无信号位置即只有光栅。③分别调整电位器RV701、RV\(_{7}\)02、RV703,使对应的3个视放管Q\(_{7}\)01、Q702、Q\(_{7}\)03的集电极电位Vc为图纸所标值,并同时使光栅为全白色。以上是暗平衡调整。④将亮度电位器开大,并将加速极电压调高。⑤分别调整电位器RV704、RV\(_{7}\)05,使光栅为全白色。以上是即亮平衡调整。这样反复调整使光栅在高、低亮度时都为白光栅,白平衡即告调好。然后调整聚焦电位器RV707,使光栅噪点最小为止。(陈克军)
问:一台波兰“耐普登”625型51cm电视机,发现机内有一条与行输出变压器3脚相连的悬空线,不解其作用;电路图及维修资料上所注的外文(大概是波兰文),大家也不识;因而给维修带来了困难,望贵刊帮助解答。(甘肃 张志忠)
答:该悬空线在电路图上的说明是“噪声辐射防护天线”。其实际作用是:从行输出变压器3脚引出305Vpp左右的负向行脉冲,通过悬空线(即“天线”),向周围空间一定范围内辐射,以抵消行输出等元器件向外辐射的反相行脉冲波,使因行辐射引起的干扰减至最小程度。该悬空线经接插件W6-4接至偏转线圈1端,再由1端接至机壳中一固定位置。维修时可根据行干扰情况固定其路径;若干扰不明显则可省去不用。(王德沅)
问:我的一台日立牌CMT2130型彩电出现无光无声故障,经查其行输出变压器给行输出管供电的⑥脚和给视放管供电的中压绕组的⑨脚内部短路,现无法买到原型号的行输出变压器,经对照金星C41-2型彩电的行输出变压器与本机类似,不知能否代用?是否有其他方法解决这一问题?(丹东 初明)
答:金星C47—2型彩电的行输出变压器是与18英寸的彩管配套的,若将其直接代用,其高压略低,聚焦和加速极电压也不一定完全满足要求,中压和低压也将有误差,严重时可导致无色。最好用福日HFC—236D或其他日立20英寸的行输出仿制品代换。
另外,若其低压绕组⑥、⑩脚间和中压绕组④、⑦脚间本身无局部短路,也可将中压绕组的接地端断开,用耐压在1A/1000V以上的高频整流管接在行输出管的集电极上,将其行管的逆程脉冲电压经整流再用电容器滤波,用适当阻值电阻分压后取得一个180V左右的中压供给视放级。(汤文贵)
问:JVC 7015 JM型彩电图象、彩色正常,无伴音,但有很强的交流声,经检测确认是AN340P损坏,一时无法购得,有何合适的型号可以替代?(北京 袁立波)
答:AN340P是松下公司生产的具有伴音中放、调频检波、音频前置放大器和直流音量控制、鉴频等多种功能的集成电路。
与AN340P功能相似的有东芝公司生产的TA7176AP,其国产化后的型号为D7176P。
用TA7176AP代替AN340P时需将其⑥脚接到音量电位器中心抽头,而在⑧脚与脚之间跨接一只0.33μF电容,便可正常使用。(高雨春)
问:一台任天堂电视游戏机,Ⅰ号操纵器正常,Ⅱ号操纵器的全部按键均失灵。经检查,Ⅱ号操纵器与主机连线良好,操纵器内的两块集成电路的5V供电电压正常,元器件及印制线路均无脱焊及断裂现象,主机也无故障。不知是否因集成块损坏所致,如何检查判断?
答:该机出现这种故障大多是集成块4021损坏所致。4021是并入串出8位静态移位寄存器。当IC4021⑨脚(PL)为高电平时、4021的8个输入端(①、、、、④、⑤、⑥和⑦脚)的控制开关信号被“并—串”转换,然后由4021③脚输出给主机。判断4021是否损坏,可测量上述8个输入端的对地电压。在没有按下操纵器任何按键时,8个输入端均应为4.5~5V左右。若实测有1个或数个输入端电位为0或低于3V,且印制线路无严重漏电迹象,便表明4021已坏。4021损坏后,操纵器的按键信号无法通过它输送给主机,故而按键失效。4021可用国产CC4021或同类进口件(型号数字部分一般也是4021)直接代换。(申沅)
问:一台夏普575型双卡收录机,用话筒录音和接收广播录音均正常,但在转录时声音很小,怀疑放音仓磁头不良,不知是否为此原因?如是应如何处理?(甘肃 胡姜)
答:如果用放音仓放音时声音也很小,首先应检查放音前置放大器是否正常,如正常还应调整磁头方位用并清洗磁头;若经上述检修处理均无效,则说明磁头特性变差,应予更换。该机放音仓磁头采用的是四轨迹双曲面立体声放音磁头,为标准型磁头支架。阻抗900Ω(1kHz时),直流电阻215Ω。如无原型号磁头,可选用成都产PS—1232型立体声放音磁头代换。代换后同样也应调整磁头方位角使声音最大且不失真。(陈克军)
问:几台苏联进口的伏尔加牌轿车内的收音机出现无声故障,经检查是功放集成电路K174YH7损坏,这种型号的集成电路国内市场上很少见到。请问能否用其它型号的IC代换?
答:可以用国内市场上较易购到的TBA810S或TBA810AS代换。K174YH7与TBA810S或TBA810AS同是带散热片的12脚四列直插式结构。用TBA810S或TBA810AS代换K174YH7时,只要拆下K174YH7,在原位置装上TBA810S或TBA810AS,并将其散热片良好接地即可,外围元件可不必改动。另外,由于TBA810SH、TBA810P与TBA810S的内部电路、各引脚功能完全相同。所以,也可用来代换K174YH7,只是由于TBA81OSH和TBA810P是12脚三列直插式结构,用它们代换K174YH7时,需另用塑料短导线将其各脚引焊到印板相应的位置上,并将散热片良好接地、集成块固定牢即可。(孙余凯)
问:一台熊猫2101型袖珍立体声单放机,用干电池供电放音正常,但用购买来的一只交直流转换器供电发现放音交流声特别大,请问原因何在?如何解决?(江西 方策)
答:一般立体声放音机,放音频响较宽。用机内电池供电由于电池无纹波,所以放音交流声很小。一般市售的交直流转换器电路十分简单,只把交流220V经变压器变压成低压再经整流和简单电容滤波,这种电路输出直流电压中纹波系数较大,加上单放机体积小,机内电路里使用的滤波电容器容量不大,用这种电源供电就会产生放音交流声。
改善方法:在原交直流转换器电路后加一个电子滤波管就能大大减小电源输出的纹波系数使放音交流声得到明显改善。(彭贤礼)
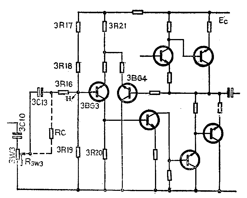
问:一台梅花M900便携式收录机无论是收音或放音,小音量时,左声道失真很大;当将音量电位器旋至3/4左右的位置时,失真略有减轻。开机盒检查左声道OTL功放级的中点静态工作点,严重偏离\(\frac{1}{2}\)Ec,且此处电压会随音量电位器转动位置的变化而变化。请问这是什么原因,如何解决?
答:所述故障可能是电容3C13漏电所致,电路见附图。当耦合电容3C13漏电时,相当于在电阻3R19两端并联了一只电阻R\(_{x}\),其阻值Rx=3R16+R\(_{c}\)+R3W3,这样,电阻3R19两端的阻值由原来的100kΩ变为3R19·R\(_{x}\)/(3R19+Rx),由于R\(_{3W3}\)是电位器下端和中点间的电阻,其阻值会随着电位器旋转位置的变化而变化。当R3W3阻值变化时2愕牡缪贡浠2G3管基极的偏置电压发生变化2L功放级中点电压变化、且偏离1/2Ec2叭内的声音失真。修理时,只要用一只好的10μF/10V电解电容替换下3C13后,故障即可排除。(孙余凯)
