大家知道,许多电量的调节都是以调节电阻为基础的。本文向读者介绍一种红外线遥控+/-(加/减)电阻网络,电阻值按4位2进制权位选择,共有16个档次的变化。可用于音响电路的音量遥控、交流调压的遥控等方面。遥控距离在8米左右。
工作原理
图1为红外线发射电路。非门F1和F2及电容1000p、电阻10k(20k)构成常见的自激多谐振荡器。当按下SB\(_{1}\)时,20k电阻接入电路,振荡频率约为20kHz;当按下SB2时,10k电阻接入电路,振荡频率约为40kHz。信号经非门F3缓冲后,由1μ电容耦合至VT基极,由VT驱动红外发光二极管VD\(_{1}\)、VD2发射红外光脉冲。VD\(_{3}\)的作用是将1μ电容耦合过来的负脉冲短路,使VT只受正脉冲作用。

由于CMOS电路耗电甚微,故发射电路未设电源开关。这里1μ电容不可省略,否则,由于振荡电路中,SB\(_{1}\)2未按下时门电路的状态不能确定,可能门F3会输出高电平,使VT在未按开关时也导通,使VD\(_{1}\)、VD2发出不需要的恒定红外光,造成电池浪费和降低器件寿命。
接收电路如图2。它由红外光前置放大、锁相环选频、4位2进制+/-计数器、模拟开关及电阻网络构成。

当接收电路中红外接收二极管DU收到红外光脉冲时,在G点便产生一微小的光电信号,经C1耦合给由运算放大器IC2等组成的反相比例放大器进行放大,电压增益约为60dB。放大后的信号经C2耦合至H点,分为两路,一路至IC2,另一路至IC3。IC2和IC3均是CMOS锁相环,它的基本功能简述如下:从14脚(PH\(_{I1}\))输入交流信号,经内部的相位比较器与内部压控(频率)振荡器输出的信号VCO0(4脚)进行比较,得到一个与输入信号和VCO\(_{0}\)信号相位差成正比的电压Uφ,经PHo\(_{2}\)(13脚)输出,Uφ经外接RC(IC2中为R7CS,IC3中为R8C6)滤波器滤除高频分量后,得到一个平均值电压U\(_{d}\)。Ud经VCO\(_{I}\)(9脚)端送入内部压控振荡器,改变压控振荡器的频率,使其向输入信号频率靠拢,直至相等,此时称为相位锁定。相位锁定以后。锁相环有一定的跟踪带宽,也就是在锁相环内部压控振荡器的中心频率附近有一个频率范围,当输入信号频率落在这个范围时,锁相环能够实现相位锁定。相位锁定后,内相位比较器的另一输出端PH03(1脚)电位由低电平“0”变为高电平“1”,PH\(_{0}\)3称为逻辑输出。
锁相环内部压控振荡器的中心频率由外接RC(IC2中为R5C3,IC3中为R6C4)确定。在这里,我们将IC\(_{2}\)的中心频率f01设在20kHz;将IC3的中心频率f\(_{0}\)2设在40kHz,与发射电路中的两个发射频率相对应。
IC4(CD40193)为4位2进制(双时钟)加/减计数器。当信号从CP\(_{+}\)输入时(CP-接高电平),它作加法计数;当信号从CP\(_{-}\)输入时(CP+接高电平),它作减法计数。输出端Q\(_{4}\)Q3Q\(_{2}\)Q1为4位2进制代码,共有0000~1111共16种组态。
另外,在CP\(_{+}\)与CP-两个输入端上设置了计数闸门F1和F2,平时,锁相环IC2和IC3未收到遥控信号时,IC2和IC3的PH\(_{0}\)3(1脚)均为低电平“0”,使门F1和F2恒输出高电平“1”,门F1和F2是关闭的。由门F3和F4及R9、C7组成的低频振荡器的低频(0.5Hz~1Hz)脉冲不能通过门F1和门F2作用于CD40193。
当发射电路中SB\(_{1}\)按下时,发射频率为20kHz,经红外接收电路接收放大后作用于锁相环IC2和IC3。此频率落在IC2的工作带宽范围内,IC2的PH03(1脚)由“0”变为“1”,计数闸门F1打开,低频振荡器的低频脉冲通过门F1作用于CD40193的CP\(_{+}\),使其作加法计数。此时,IC3的PH03为低电平,使门F2输出高电平,即CD40193的CP\(_{-}\)为高电平,恰好满足计数条件。
当发射电路中SB\(_{2}\)按下时,读者可自行分析,此时CD40193作减法计数。
IC\(_{6}\)为4双向模拟开关,内部有4个双向开关S1~S4。四个开关的控制端分别与前面的计数器的输出端Q1~Q\(_{4}\)相接,当S1~S4的控制端为高电平时,开关闭合,为低电平时,开关打开。闭合时将后面电阻网络中r1~r\(_{4}\)相对应的短路。r1~r\(_{4}\)的阻值按8421权位设计。当前面计数器的输出Q4Q\(_{3}\)Q2Q\(_{1}\)=0000时,S1~S4均打开,电阻网络的(A、B间)电阻值为r1+r\(_{2}\)+r3+r\(_{4}\)=15kΩ; Q4~Q\(_{1}\)=0001时,S1闭合,S2~S4打开,阻值为r2+r\(_{3}\)+r4=14kΩ…;当Q\(_{4}\)~Q1=1111时,S1~S4均闭合,将所有电阻短路,A、B间阻值为零。附表列出了计数器状态与电阻网络阻值的对应关系,共有16个档次的阻值变化。当然,每一位的阻值根据不同需要,可选择不同的数值。

遥控电阻网络中的电源可从被控对象中接取,电压可从5V~15V之间选择。
元件选择
发射电路中,非门F1~F3用一片CD4069,仅用其中3个门。VT用9014或9013,β≥100。红外发光二极管VD\(_{1}\)、VD2用SE303或LM66R等。SB\(_{1}\)2用市售成品或用磷铜片自制。电池用3节5号电池。
接收电路中,红外接收二极管DU,用PH302等(一般与红外发光管配对出售)。运放IC1也可用μA741代用。锁相环CD4046国标型号为CC4046(或J691)。CD40193也可用CI84代用。CD4066也可用C544代用。所用集成电路的引线排列见图3。电阻全部用1/8W。

调试要点
将发射电路中SB\(_{1}\)短接,用万用表测电源回路总电流,读数如在80~100mA,表明电路工作正常。然后将发射机中VD1、VD\(_{2}\)靠近(2m以内)接收机中DU,用万用表测量IC2中PH03(1脚)电位,应为高电平(接近电源电压),否则调节电阻R5,使PH\(_{0}\)3升为高电平。然后拉开两机距离,看IC2中PH03端电位是否还为高电平,否则再调R5,使之满足要求。
然后,将发射机中SB\(_{2}\)短接(SB1开路),仍用上述方法将IC3中PH\(_{0}\)3端电位调至高电平。
改变R9的数值,使低频脉冲发生器的工作频率为0.5Hz~1Hz,即每2秒发1个脉冲或每秒1个脉冲。
应用举例
1.红外线+/-音量遥控器。电路如图4所示。来自前置级的音频信号经C1由R0与电阻网络构成分压电路,U\(_{0}\)=Ui\(\frac{r}{R0+r}\),r为电阻网络的阻值,若它仍取图2数值,音量调节范围为5%~75%。

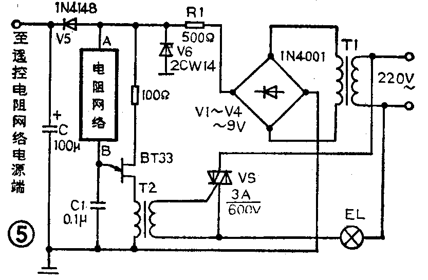
2.红外线遥控+/-调光器。电路如图5所示。电阻网络与电容C1、单结晶体管BT33等构成可控硅触发电路,当电阻网络有不同阻值时,C1就有不同的充电电流,从而使双向可控硅有不同的导通角,最终使灯泡EL有不同的发光强度。

可控硅触发电路的同步电源由变压器T1降压,R1、V6削波后,变为每隔180°角过零一次的梯形波,即为同步电源。遥控电路的电源可将梯形波电压经电容滤波后供给,为了使前级工作电源加滤波电容C后,不影响梯形波同步电源,电路设置了隔离二级管V5,将两部分隔离。
发射电路可装于用红色或茶色有机玻璃制成小盒中,VD\(_{1}\)、VD2不必露出,因这两种有机玻璃可透过红外线。SB\(_{1}\)2装在面板上。若用于上述音量控制,SB\(_{1}\)应标(-)号,SB2应标(+)号,这是因为SB\(_{1}\)按下时,接收电路中CD40193作加法计数,电阻网络的阻值是递减的,此时经与图4中R0分压后音量递减。故SB\(_{1}\)标(-)号,同理,SB2标(+)号。若用于上述调光电路,则SB\(_{1}\)标(+)号,SB2标(-)号,因为按下SB\(_{1}\)时,电阻网络阻值减小VS导通角增大,EL光强增大,故此时SB1标(+),SB\(_{2}\)标(-)。(苏长赞)