本电路适合用于夜明昼熄的路灯、施工现场和塔架高空警示信号灯的自动光控。
在一昼夜期间,天空由亮到暗再由暗到亮的交替过程非常缓慢,采用一般的光控电路难以实现稳定的开关状态,另外,一般光控电路的开关闭合还与气象有关,例如当清晨东方渐白、天空由黑暗渐渐变明亮,光控电路将要翻转或已经翻转时,天空突然又飘过一片乌云,在这种情况下,光控电路的输出处于极不稳定状态,使继电器发生振动,容易过早损坏。
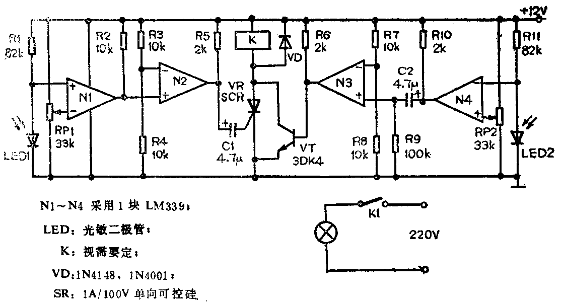
为了克服上述缺点,本文中选用了如附图所示的双稳态触发电路。图中采用单向可控硅作双稳元件,电路具有左开右关、左右基本对称、相位相反、双向控制功能。基本电路仅用一块四比较器,LED1和LED2为受光管,N1、N2为光电放大和可控硅触发电路。当日落后光线渐渐变暗时,LED1由受光饱和慢慢向截止转变,内阻变大,N1正输入端电位上升,当上升到较负输入端为正时,N1输出端呈高阻,由R2将N2的正输入端拉向高电平,N2输出端呈高阻抗,电源电压通过R5、C1微分电路输出正跳变窄脉冲,该脉冲加到VR,将可控硅VR触发导通,继电器K吸合,接点K\(_{1}\)接通,路灯点亮。之后,如果再有其它原因使电路抖动,产生多次触发脉冲,但因为可控硅已处于稳定导通状态,视后来的触发脉冲均无效。此种导通状态要一直保持到第二天早晨天空由暗渐渐变亮时为止。当天空由暗渐渐变亮时,LED2受光,内阻降低,N4负输入端电位降低,当N4负输入端电位降到低于正输入端电位时,N4输出端呈高阻抗,电源通过C2向N3正输入端加一个正跳窄脉冲,驱使N3输出端呈高阻抗,电源通过R6向晶体管VT的基极灌送基极电流,使VT饱和导通,从而使可控硅VR关断,继电器K1释放,接点K1-1断开,灯熄灭。此时由于电路不稳定可能产生许多关断触发脉冲,但电路已经关断,视后来脉冲无效。这时电路进入关断的稳定状态,直至日落天黑之后再开灯为止。

本电路是以光的强度来控制的,无论阴天、晴天或是冬夏昼夜长短,均依实际明亮程度自动控制,与时间无关。
电位器RP1、RP2用来给N1、N2提供基准电压,用户可以根据需要开关灯的时间来调整。(刘家棣)