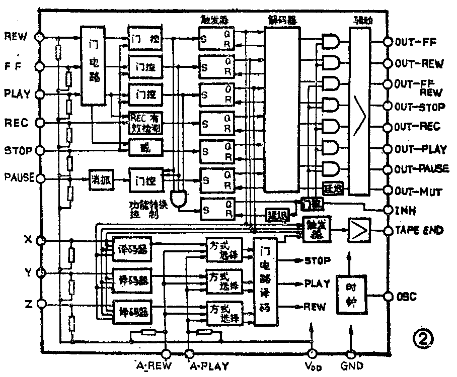
TC9121P是日本东芝公司生产的机芯控制专用大规模CMOS集成电路,采用24脚封装,无负载时功耗极低,电源为4.5~10V,丰富的输出信号能满足各种机芯的要求,输出端子内部有大电流驱动电路,能提供20mA拉电流输出。各工作状态间可直接转换,电路内部能产生一定的工作程序来保证各作状态间的可靠转换,还有多种控制输入端子供选用,以便实现各种自动控制功能。
TC 9121P引脚功能叙述如下:
1.GND:接地。2.REW:快速倒带指令输入。 3.F·F:快速进带指令输入。4.PLAY:放音指令输入。5.REC:录音指令输入(需同时发出PLAY指令信号)。6.STOP:停止指令输入。7.PAUSE:暂停指令输入。8.A·REW:自动快倒功能选择。9.A·PLAY:自动放音功能选择。10.Y:在放音或录音状态下,如出现有效信号则停机,A·REW选用时能自动倒带。11.X:在倒带状态下,如出现有效信号则停机,A·PLAY选用时能自动放音。12.Z:使磁带停止运转的输入端,用于自停控制。13.OSC:定时时钟产生端。14.INT:由高电平变为低电平时,切断除OUT-MUT外的所有输出信号,常用于机芯掉电复位控制,使机芯快速进入停止状态。15.OUT-PLAY:放音(录音)状态输出,高电平存放。24.V\(_{DD}\):电源正极。(姜中)

