各种各样的电声乐器,其音量控制旋钮均安装在乐器上,以电吉它为例,它的两个高低音部分的音量控制旋钮都装在琴身的下侧。由于在演奏时,腾不出手来调节音量控制旋钮,因此在表现乐曲的起伏时总显得比较平乏。即使在舞台舞厅中使用调音台控制,调音台的操作者和演奏员的配合,也很难恰到好处。应用脚踏音量控制器,可以很好地解决这个问题。
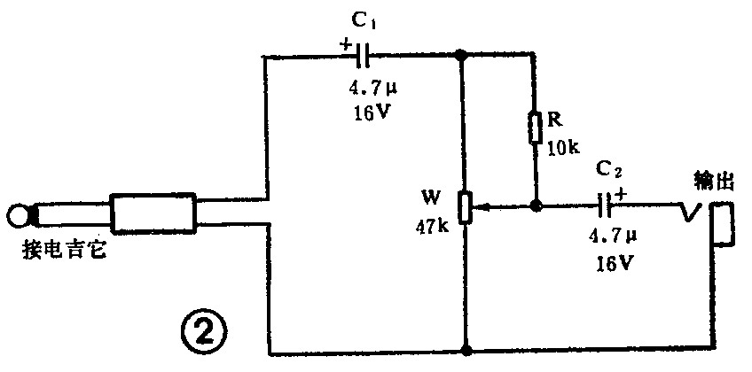
踏板的主要部件用ABS工程塑料注塑成型,有良好的机械强度,其外形见图1。在踏板的内部用一个简单的机械传动装置可将踏板的上下位移变为角位移,来控制电位器电阻值的变化,以达到控制音量的目的。其接线图见图2。使用时,只须将φ6.5的二芯插头插入电吉它,输出插孔引出线接到扩音器的输入端即可。在舞台或舞厅演奏需要和调音台及各种效果器连接时,可参考图3接线。



为了更好地掌握演奏技巧,达到手脚配合比较娴熟,可将感情控制踏板的力度分为7个等级来练习,参见图4。从音量很弱“pp”开始,经过弱“p”,中弱“mp”,中强“mf”,强“f”,很强“ff”,到最强“fff”。在演奏时,一般放在中强“mf”位置,脚掌放松,根据演奏时的不同姿势,在这7个位置反复体会。

对于不同主题的乐曲,应有相应的表现方式,表现渐强“<“或渐弱”>”时用力要均匀、柔和。表现突强时,反应要快,有充分的力度感。使用自制的或用吉它改装的电吉它,要注意和感情踏板电路部分阻抗匹配。使用普通吉它在舞台或舞厅演奏时,可将感情控制踏板由接到麦克风后再接到扩音器。当然,这种使用方式的效果不如前者。(陈九如 王玮)