这种卡拉OK电路,主要由两部份组成:主通道、混响电路。
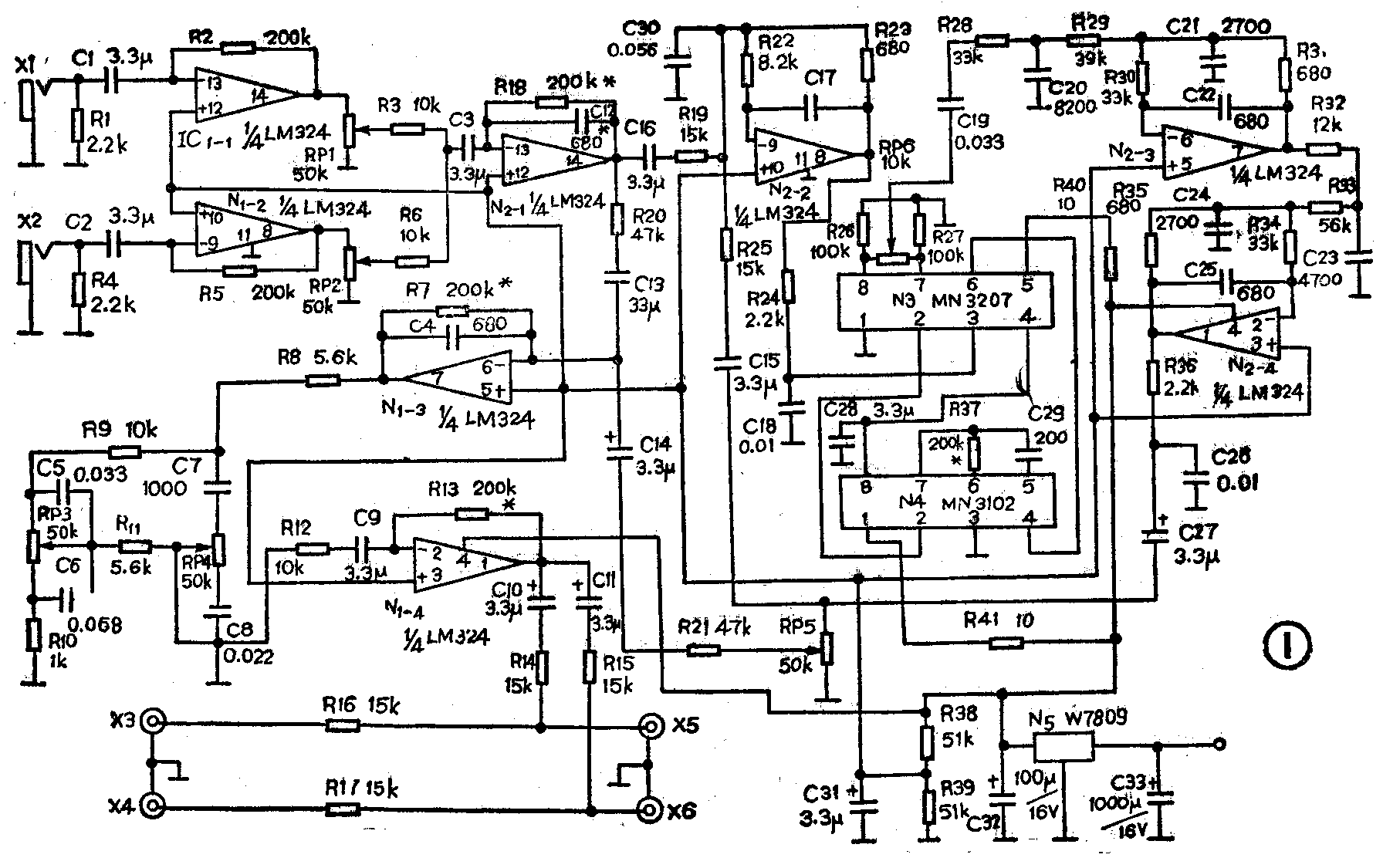
图1是电路原理图。电路中MN3207是电荷耦合器件;它由许多延时单元级联而成,总延迟时间是各个单元延迟时间的和,延迟单元越多,延迟时间就越长。

MN3207是一块P沟道CMOS大规模集成电路,该电路共有1024个延迟单元,可延迟时间为2.56~51.2ms。
MN3207的②脚、⑥脚是时钟脉冲的输入端,③脚为信号输入端,①脚接地,⑤脚接电源,⑦、⑧脚为输出端。本电路中时钟振荡器采用了MN3102,它是专用于BBD(斗链式器件)器件的CMOS大规模集成电路时钟信号发生器,用以驱动MN3207。
在图1电路中X\(_{1}\)或X2输入的话筒信号经过IC1-1或IC1-2放大后,送入N2-1混合放大,从IC2-1输出的信号分成两路。一路经过R20、C13送入N1-3进行放大(此路为直达声信号),另一路经C16、R9送入,由IC2-2,R22、R23、C30等组成的有源低通滤波器,经滤波后的信号送入MN3207的③脚进行延时,经延时的信号从MN3207的⑦⑧脚输出,在RP6的中心头取出,经C20滤去一部份时钟信号。送入由IC2-3、C21、C22、R30、R31组成的第二级有源低通滤波器,滤去高频噪声,再进入IC2-4等组成的第三级有源滤波器。经过滤波后的延时音频信号经C27后分为两路,一路反馈给有源低通滤波器,一路反馈给第一级有源低通滤波器,再从MN3207的③脚输入,另一路经RP5、R21、C14输入IC1-3,这样在IC1-3的输入端,便得到了直达声信号和延迟信号的混合信号,经放大再经R8,送入由RP3、RP4、R10、R9、C5、C6、C7、C8、R11组成的音调电路,从音调电路输出的信号经R12、C9送入X3、X4输入的音乐信号也从X5、X6输出至扩大机。
在电路的延时部份中使用三个有源低通滤波器是为了把不必要的高频成份滤去。如时钟信号或由其它原因引起的各种高频噪声。
电路中IC1、IC2运用四运放LM324,RP6选用WH135型,其余电位器可用WH148型。
MN3207和MN3102是MOS集成电路,焊接时应拔去电烙铁电源插头,焊接时间要短。安装完毕后、应仔细检查方可通电。
接通电源后,用示波器测量MN3207第6脚的波形应如图2所示。再测RP6中心抽头的波形,并不断调整RP6,使波形如图3。这时即可试听。(王荣岳)

