1.故障现象:一台韶峰牌SFC46—1型彩色电视机无论屏幕上有无图象,其左侧都有5~6毫米宽的暗带。
分析检修:这种故障是由于行消隐电路异常所致。该机的行消隐及相关电路如图1所示。检查行消隐电路,发现D302、D305两二极管均已击穿损坏。由于原型号管一时无法买到,改用国产管2CZ21A代用,将其焊入电路后,开机试看,屏幕左侧暗带消失,机器恢复正常。

小结:正常情况下,行正程期间D302正极电位低于负极电位而截止,使Q303(扫描正程第三视放管)不受行脉冲控制;逆程期间,高反峰压经过D305后,使D305正极电位上升而导通,从而抬高了Q303的基极电位,使Q303截止,导致显象管的电子束流为零,从而达到行消隐的目的。由于D302、D305击穿损坏,使行输出级引入的行脉冲,在正程期间影响了Q303,使其不能按正常的工作状态导通或截止,造成屏幕左侧出现5~6毫米的暗带。
2.故障现象:一台德律风根5016型20英寸彩色电视机,无论屏幕上有无图象,其右侧都有一固定的暗带。
分析检修:这种故障一般是由于行消隐时间太长所致。因为电视机中行扫描所需的逆程时间取决于偏转线圈的电感量(L)和逆程电容量(C),一般偏转线圈不易损坏,逆程电容产生故障的机会较多。检查逆程电容器C185(5nF),如图2所示,发现其变值(容量变得很大)。将一新的5nF/1.6kV的电容器换上后,屏幕右侧暗带消失,故障排除。

小结:电视机中的行扫描逆程时间的关系式一般可用T\(_{逆}\)≈π\(\sqrt{LC}\)来近似表示(式中L—偏转线圈的电感量;C—逆程电容量),由于逆程电容C185的容量值变大,而偏转线圈的电感量L未变,由关系式可看出T逆增大,即行消隐时间相应拉长,造成光栅右侧有一固定的暗带。
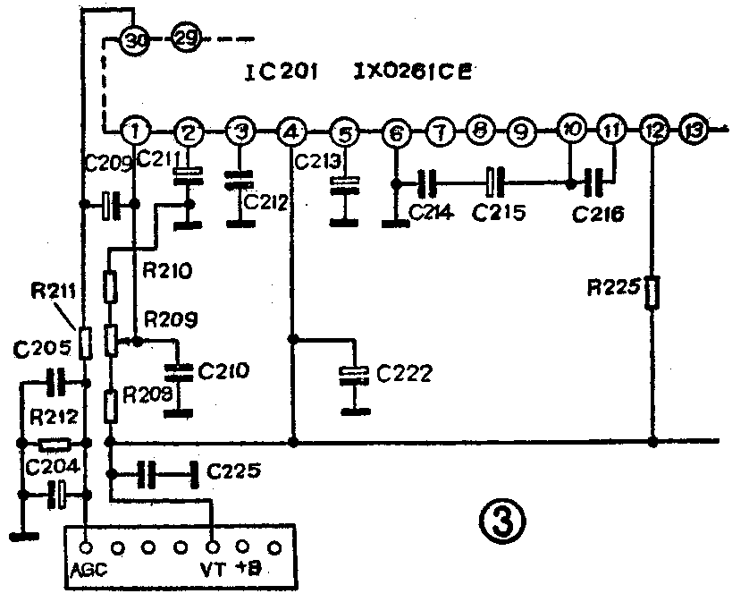
3.故障现象:一台夏普C-2002 G·S·N型红外遥控彩色电视机收看电视节目时,伴音正常,有图象且较稳定,但在图象的上部有一条2~3cm宽的灰色暗带,在灰色暗带周围的图象扭曲。
分析检修:图象出现局部扭曲,故障可能发生在AGC电路。用万用表10伏DC档测量IC201高放AGC电压输出端的对地电压,电压为6.6伏,电路如图3所示,高于正常值(5.8伏),检查其外围元件没发现异常现象。在试通电接收图象的情况下,对高放AGC调整,将电位器R209进行适当的调整(调整中要注意不得降低图象质量,而且这是属于带电操作,必须十分谨慎,以免发生事故),当IC201的第电位为5.9伏时,图象上的灰色暗带完全消失,故障排除。

小结:电视机中有一些故障是由于电路中个别元器件电气性能参数发生变化,从而造成工作状态的改变。要使其恢复到正常工作状态,就要重新对部分电路进行调整。此例故障就是由于AGC电路中的某些元件参数发生了变化,使AGC偏离正常位置,造成图象上部出现灰色暗带,且暗带周围的图象出现局部扭曲。
4.故障现象:一台三菱CT—2032型51cm彩色电视机屏幕上部无光栅,下部有一条暗带。
分析检修:这种故障一般是由于OTL场输出级只有一管正常工作,另一管停止工作所致。检查场输出级,发现Q451(2S2073)管已损坏。由于原型号一时配不到,用国产3DD157B管换上后,故障排除。
小结:该机场输出级电路见图4所示,由Q451和Q452组成,光栅的下半部由Q452供给,上半部由Q451提供。由于Q451损坏,使负载电容得不到足够的能量,造成屏幕下半部分出现一条暗带。(孙余凯)
