目前我国电力供应十分紧张,很多地区电网电压很不稳定,常常是低于正常电压(220V)很多,严重地影响电视机收看效果,引起人们普遍关注。本文着重以较多的实例,力求利用不同形式的电路进行说明,怎样进行电源自身改进来提高稳压效果。各种类型电视机的电源电路设计各有特色,很难找到一种方法去提高所有电视机电源的稳压效果。下边所举的一些机型具有一定的代表性,可供爱好者及维修人员参考。
1.日立P-24机芯黑白电视机,是我国拥有量最大的一种机型,该机稳压电源部分电路如图1所示。当电网电压下降到180V以下时,稳压电源的调整管6BG\(_{1}\)深度饱和而失去稳压作用。输出直流电压的纹波很快增大,电视屏幕上便出现干扰条纹而且上下滚动。当干扰条纹滚到画面底部时,往往在一段时间内破坏场同步,出现图象翻片现象。

提高该机电源稳压效果比较有效的措施,是在稳压电路中增加一个分压电路(图中以虚线示出)。即在集成电路kC582C的3、4脚之间接1只电阻R\(_{A}\)(51kΩ),在4脚与地之间接1只电阻RB(62kΩ)。同时将电阻6R\(_{2}\)由8.2kΩ改为82Ω。这样改进后经过试验,当电网电压降到180V以下,而调整管6BG1还没有进入深饱和之前,KC582C的3脚电位很快降低,则IC内三极管BG\(_{7}\)立即由截止转换成放大状态。与此同时,BG6、BG\(_{4}\)和BG3相继导通,使6BG\(_{1}\)的基极电流减小而退出饱和区进入放大状态,输出直流电压的纹波大大减小,电视机工作正常。

2.松下TR-144R型黑白电视机电源,如图2所示。当电网电压下降到180V时,光栅明显缩小,而且图象出现翻滚现象。根据这种电路特点,可在调整管BG\(_{1}\)旁边并联1只极性和功耗相同的PNP大功率管BGA(图中虚线示出)。这样改动后,使流经每只调整管的电流为原来的一半,则每管功耗也降低了50%。由于两管并联使饱和压降由1V下降到0.5V左右。这样大大改善了稳压效果,提高了电源对电网电压波动的适应能力,消除上述不正常现象。

3.匈牙利TC-1612型黑白电视机电源电路如图3所示。该机允许电压波动范围为220V±10%,只要电网电压低于190V,就会产生严重行扭和黑滚道。工作正常时,整流输出电压U\(_{1}\)为15.4V,稳压后直流电压U2为10.6V。当电网电压下降到180V时,U\(_{1}\)为10.5V而U2为10.2V,说明调整管BG\(_{6}\)01已进入深饱和而失去放大能力,使输出直流电压的纹波很快增大而产生上述故障现象。解决这种现象最简单办法,是在整流滤波电容C601上再并联1只2200μF电容,以增强滤波功能而保障电视机正常工作。

4.昆仑B441型黑白电视机的电源稳压效果比较好,当电网电压下降到170V时,仍能保证直流输出电压稳定在11.8~12V,电源电路如图4所示。但是,当电网电压降到170V以下时,稳压管D\(_{7}\)05(2CW72)便迅速失去稳压作用,使取样管BG701截止。这时复合调整管的BG\(_{7}\)02基极所需的偏置电压,由输入电压Ui经电阻R\(_{7}\)02和R703获得。电容C\(_{7}\)07使BG702基极电压纹波得到很大的抑制。基于这一原理,在图中B点对地接一只10~50μF电容C\(_{A}\)。这样CA、C\(_{7}\)07和R703组成一个π型滤波网络,进一步抑制了BG\(_{7}\)02基极电压的纹波。使这种电视机在电网电压下降到140~150V时,输出直流电压纹波仍能得到很大的抑制而正常工作。

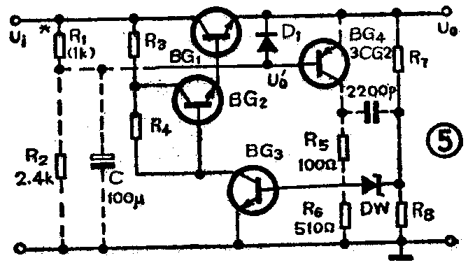
5.熊猫DB44H1型黑白电视机的电源电路如图5所示。这种电源稳压能力较差,要想提高稳压效果,电路需作较大的改动。经实验增加一个开关电路(图中以虚线示出)就能解决问题。在电源电压稳定情况下,恰当设计R\(_{1}\)和R2的比值使开关管BG\(_{4}\)因基极电位比发射极电位高而截止,开关电路不起作用。当电网电压降到调整管BG1将要进入饱和状态时,输入电压U\(_{i}\)经R1和R\(_{2}\)分压作用,使BG4基极电位比发射极电位低而导通。这样发射极对地电压U\(_{0}\)(即输出直流电压)被箝到近似等于基极对地电压U'0。显然U\(_{0}\)随着U'0的下降而下降,这就使调整管BG\(_{1}\)能够退出饱和区而进入稳定状态。输出直流电压虽有些下降,但纹波大大减小而使电视机正常工作。经试验当电网电压降到130V左右时,仍能收到稳定的图象,不过图象已不满屏,但不影响收看。

6.松下TC-483P型彩色电视机稳压电源如图6所示。它是一个由行脉冲激励的它激式开关电源,BG\(_{8}\)01是开关管,BG802是脉宽控制管,BG\(_{8}\)03是取样放大管。回路自由振荡频率略低于行频,共振荡周期固定为64μS。当电网电压为220V时,开关管BG1射极输出脉冲宽度为23μS。当电网电压下降到160V时,经电路调整使输出脉冲宽度迅速增大到33μS,使电源输出直流电压维持在正常范围,保证电视机稳定工作。
当电网电压降到160V以下时,电视机就无法正常工作,图象、光栅和伴音都不正常。为了提高该机稳压效果,即改善它的下滑特性,适当增大电路的时间常数,使开关管的截止点作适当的外延。经试验将电容C\(_{81}\)0由0.18μF增大到0.27μF,可使该机在140V~160V的电网电压下仍能正常工作。不过C810的数值不能过多地增加,否则将使振荡频率远离行振荡频率,造成行不同步的副作用。
7. 飞利浦KT3型机芯彩色电视机在使用过程中,只要电网电压低于180V,电视机便会自动关机。我国不少地区电网电压波动比较大,使这种电视机无法正常收看。
该机也是采用开关稳压电源,由集成电路TDA2S81作控制和激励行扫描电路。正常工作时,TDA2S81的9脚对地电压为12V。当电网电压下降到180V以下时,9脚对地电压下降到9.4V,这时开关电源停止工作。经检查发现当电网电压低于180V时,直流12V稳压电路中稳压二极管Dz(参看图7所示该机电源部分电路),所加的电压低于击穿电压而失去稳压作用,使12V电压下降到9.4V。经试验在稳压二极管限流电限R\(_{299}\)和R300两端再并1只电阻R\(_{A}\)(图中以虚线示出),使限流电阻由16.4kΩ下降到13.5kΩ,保证稳压管在电网电压150V以上时,仍能工作在稳压状态,保证12V稳压电源正常输出而避免了上述故障。从而保障电网电压在150~240V范围内,电视机能正常工作。(高雨春)
