555集成电路是70年代初出现的,开始只是用作定时器,所以称为555定时器或555时基电路,简称555电路。但是后来发现它有很多优异的性能而且用途极广,它们表现在:①定时的精度、工作速度和可靠性高;②使用的电源电压范围宽,从2伏~18伏,能和数字电路直接连接;③有一定的输出功率,可驱动微电机、指示灯、扬声器等;④结构简单,使用灵活,用途广泛,可组成各种波形的脉冲振荡器、定时延时电路、双稳触发电路、检测电路、电源变换电路、频率变换电路等,被广泛应用于自动控制、测量、通信等各个领域。
555电路是由哪几部分组成的
555电路有双极型(TTL)和互补金属氧化物半导体型(CMOS)集成电路两大类。TTL的555电路内部有二十几个晶体三极管和二极管、十几个电阻,大致可以分成分压器、比较器、R-S触发器、输出级和放电开关五部分,见图1,下面分别介绍。

1.比较器
比较器是由运算放大器组成的,它属于模拟电路。比较器有两个输入端V\(_{A}\)和VB,分别接输入电压U\(_{i}\)和基准电压Uf;一个输出端V\(_{o}\)和一个公共地端。它的主要工作是对输入电压和基准电压进行比较,把比较的结果用高电平“1”或低电平“0”两种状态在输出端表示出来。
第1种接法是把输入电压U\(_{i}\)接在VA和地之间,基准电压U\(_{f}\)接在VB和地之间,当U\(_{i}\)>Uf时,输出端V\(_{o}\)为高电平:Vo=1;当U\(_{i}\)<Uf时,输出端V\(_{o}\)为低电平:Vo=0。见图2(a)。

第2种接法是把输入电压U\(_{i}\)接在VB和地之间,基准电压U\(_{f}\)接在VA和地之间。当U\(_{i}\)>Uf时,输出V\(_{o}\)=0;当Ui<U\(_{f}\)时,输出Vo=1。见图2(b)。
第1种接法中,输入电压U\(_{i}\)高时输出电压Uo也高,即输出端V\(_{o}\)的电平也高,输入和输出是同相的;而第2种接法中,输入和输出是反相的。所以习惯上把VA称为同相输入端,V\(_{B}\)称为反相输入端,并在比较器的输入端分别用符号“+”和“-”表示。
2.分压器
分压器的作用是向比较器提供基准电压。从图1看到,它是由3个5kΩ电阻串联组成的。如果它的上端接到电源正端(V\(_{cc}\)),下端接地,那么上比较器的基准电压Uf1=\(\frac{2}{3}\)V\(_{cc}\),下比较器的基准电压Uf2=1;3V\(_{cc}\)。也可以在控制端(VC)上接外加的基准电压Vc,这时两个比较器的基准电压就变成:U\(_{f1}\)=Vc,U\(_{f2}\)=\(\frac{1}{2}\)Vc。在555电路中,基准电压U\(_{f1}\)被称为阈值电平;Uf2被称为触发电平。
因为分压器是由3个5kΩ的电阻组成的,所以这种集成电路被称为555时基集成电路。尽管后来的产品中,有的分压器并不是3个5kΩ电阻,但因为已经习惯于这种叫法,所以各国的产品仍旧使用555时基电路这个名称,而且还在产品型号中都包含有555这3个数字。
3.基本R-S触发器
我们知道,R-S触发器有同步R-S触发器和基本R-S触发器两类。555时基电路的核心部分是一个基本R-S触发器。它是由2个与非门交叉组成的。这种触发器的输入端要求用低电平触发,所以在触发器符号图中输入端画有2个小圈,见图3。它的逻辑功能是:①R-=0、S-=1时,不管触发器原来是什么状态,都被置成低电平0态;②R-=1、S-=0时,触发器被置成高电平1态;③R-=1、S-=1时,触发器保持原来状态不变:Q=Q\(_{n}\);④R-=0、S-=0时,触发器的状态不定,这种情况一般是不允许出现的。它的逻辑功能可以列成状态真值表,见表1。


另外,为了直接置0,触发器还有一个直接置0端MR-。只要在MR-端加上低电平0,不管触发器原来是什么状态,也不管它输入端加的是什么信号,触发器都立刻被置成0态:Q=0。所以MR-端也称为总复位端。
4.输出级
为了使555电路有更好的性能,从框图1看到,它的输出是从基本R-S触发器Q-端经反相器后送到输出端V\(_{o}\)的。这样做从逻辑上讲等于是从Q端输出。由于反相器的放大作用,使得555电路带动负载的能力提高了,可以直接驱动小型继电器、微电机、扬声器等。
5.放电开关
555电路在使用中大多跟电容器的充放电有关。例如用555组成定时电路时,通常是把上比较器的输入端(图1中的TH端)接到外电路的一个电容C上,这个电容是和电阻R串联的。工作时使电源通过电阻R向电容C充电,当电容上的电压达到阈值电平时,比较器输出状态发生变化,使R-S触发器的输出从高电平翻转成低电平。这个输出电平的变化就是定时控制的信号。定时的时间是由RC电路的充电时间常数决定的。为了使定时电路能反复使用,在完成一次定时控制后应该设法把电容上的电荷放掉,为下一次定时控制作好准备。因此555电路中还特别设计了一个放电开关。它是一个晶体管TD。从图1看到,这个放电管的基极接在R-S触发器的Q-端,集电极接到放电端(DIS),发射极接地。当555电路输出为V\(_{o}\)=0,即触发器为0态时,Q-=0,TD基极为高电平,T\(_{D}\)管饱和导通,使DIS端接地(忽略管压降)。当555电路输出Vo=1时,Q-=0,T\(_{D}\)截止,相当于DIS端开路。因此晶体管TD起到一个开关作用。当输出V\(_{0}\)=0时,开关闭合,DIS端接地,为电容提供一个接地的放电通路。当输出Vo=1时,开关断开,DIS端开路,电容器不能放电。
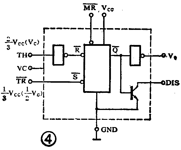
简化成一个特殊的R-S触发器
从555电路的框图看到,它的电路是比较复杂的,既有模拟电路又有数字电路,使得初学者在学习和应用时感到困难。为了便于理解,我们在这里介绍一个简化的框图,它有突出重点、简化问题、易学好懂的优点。
1.合理地化简
让我们先从分压器开始。分压器是向比较器提供基准电压的。在使用内部电源电压作基准时,两个比较器的基准电压分别是\(\frac{2}{3}\)V\(_{cc}\)和1;3Vcc;如果使用的是外加基准电压V\(_{c}\),则比较器的基准电压就变成Vc和12V\(_{c}\)。因此,只要在框图的两个输入端TH和TR-旁注上“2;3Vcc(或V\(_{c}\))”和“\(\frac{1}{3}\)Vcc(或1;2V\(_{c}\)) ”,这3个分压电阻画不画上去是无关紧要的。如果我们能牢记这几个数值,连输入端的旁注也可以省略不写。接外加基准电压的控制端VC也可以按这种方法简化:如果是使用外加控制电压作基准电压或者VC端另有控制作用,那么就把VC端画在TH端和TR-端之间;如果使用的是内部基准电压或者VC端不起什么控制作用,就可以把它画到框图的下侧表示跟输入无关,甚至干脆略去不画。
其次看比较器。比较器的特点是:①输入电压U\(_{i}\)接在同相输入端(+)时,Ui比U\(_{f}\)高时Vo也高,U\(_{i}\)比Uf低时V\(_{o}\)也低,即Vo与U\(_{i}\)同相。②输入电压Uf接在反相输入端(-)时,V\(_{o}\)与Ui反相。从图1看到,输入电压U\(_{TH}\)是接在上比较器的反相输入端,上比较器的输出接到触发器的R-端;输入电压UTR-是接在下比较器的同相输入端,下比较器的输出接到触发器的S-端。从逻辑上看,TH和R-之间相当于加入了1个反相器,而TR-和S-之间则是直接传送。
555电路中,比较器的主要功能是把输入的模拟电压和基准电压进行比较。因为比较器只有两种输出状态、不是高电平就是低电平,所以虽然它的输入是模拟信号,但它的输出却是数字信号。因此我们只要牢记使触发器翻转的\(\frac{2}{3}\)V\(_{cc}\)(或Vc)和1;3V\(_{cc}\)(或\(\frac{1}{2}\)Vc)这两个数值,比较器也可以省略不画。但是为了不使逻辑关系发生错误,TH和R-之间应该加画一个反相器,TR-和S-之间则可以画一条直线。于是框图1被简化成图4。

2.巧妙地变换
我们知道,触发器输入端的小圈表示低电平有效。现在在R-端前面又加了一个反相器,两次取反的结果是互相抵消。因此,可以把图4中R-端的小圈去掉,把R-改成R,这个反相器就可以去掉了。同样,把图4中V\(_{o}\)画在触发器的Q端,输出级的反相器也可以不画。最后,把放电管TD画成一个由Q-端控制的接地开关,记住开关的动作:Q-=1时开关闭合,DIS端接地,Q-=0时开关断开,DIS端开路。于是整个555电路被简化成带一个放电开关的特殊的R-S触发器,见图5。它的逻辑功能见表2。表中R这一列就是表1中R-取反的结果。


经过简化和变换,555电路被简化成一个带开关的特殊的R-S触发器。这个触发器有两个特点:①两个输入端的触发电平要求不同,它们正好是一高一低。②两个输入端触发电平的阈值要求不同。对R端来讲,>\(\frac{2}{3}\)V\(_{cc}\)为高电平1,<2;3Vcc为低电平0,对S-端来讲,>\(\frac{1}{3}\)V\(_{cc}\)为高电平1,<1;3Vcc为低电平0。这个触发器有两个输入端:R端即TH端,也称阈值端,它的翻转电压是\(\frac{2}{3}\)V\(_{cc}\)(或Vc),高电平有效。也就是说,在TH端加上大于2;3V\(_{cc}\)(或Vc)的电压可以把触发器置成0,即V\(_{o}\)=0。S-端即TR-端,也称触发端,它的翻转电压是\(\frac{1}{3}\)Vcc(或1;2V\(_{c}\)),低电平有效。也就是说,在TR-端加上小于\(\frac{1}{3}\)Vcc(或1;2V\(_{c}\))的电压可以把触发器置成1,即Vo=1。另有一个控制端VC,它是接外加基准电压或控制电压用的。还有一个级别最高的总复位端MR-,低电平有效,平时应该提高电平。它有一个输出端V\(_{o}\),就是这个触发器的Q端。此外还有一个放电开关端DIS,当输出Vo为低电平时DIS端短路接地;V\(_{o}\)为高电平时DIS端对地开路。
可见经过简化,555电路变成了一个简单的数字电路。因此,我们可以不必理会它的模拟电路内容,只需用数字电路的知识就可以进行分析和讨论,使问题大大简化。
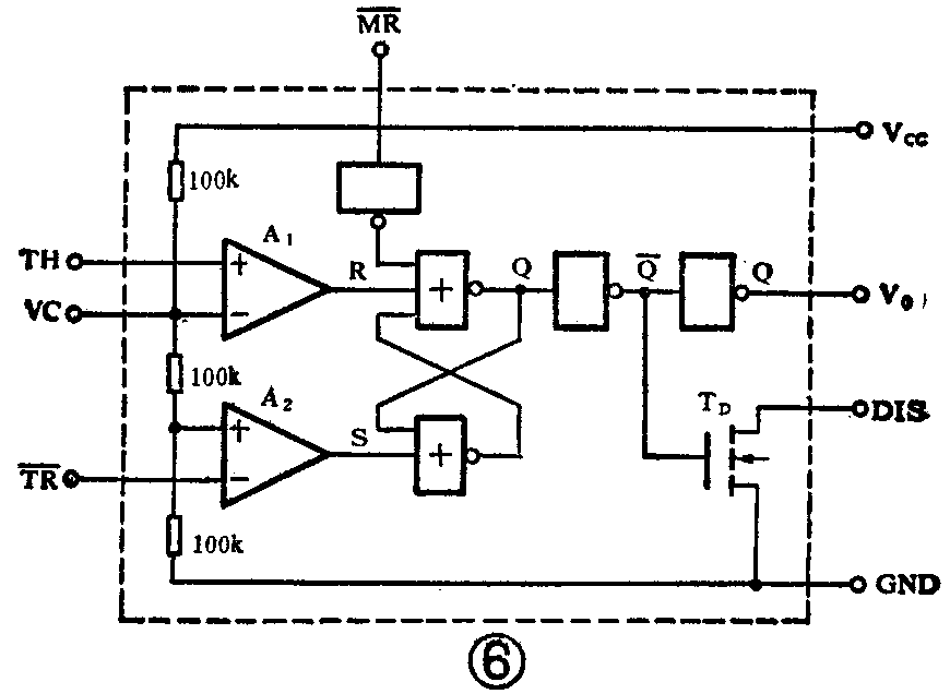
CMOS型555电路
上面介绍的是TTL型555电路的简化图,这个图对CMOS型655电路是否适用呢?
CMOS型555电路由于工艺制造的原因,它的内部电路和TTL型555电路是不同的。首先,它的基本R-S触发器是用2个或非门组成的,见图6。或非门组成的基本R-S触发器是用高电平触发的,输入端用R和S表示,没有小圆圈。这是第1个不同。其次,在内部比较器的连接上,它的上比较器输入是接在同相输入端(+),下比较器输入是接在反相输入端(-)上。这种接法正好和TTL型555电路相反。这是第2个不同。正是因为这样的连接,从逻辑上讲,它的两个输入端仍然可以简化成R和S-,使得两种555电路有完全相同的外特性,简化图也可以通用。第3个不同是放电管。CMOS型555电路中放电管TD的3个极分别是MOS管的栅极、源极和漏极。但从放电作用和开关控制作用上讲是相同的。第4个不同是输入阻抗。CMOS型集成电路有极高的输入阻抗,因此它的3个分压电阻不是5kΩ而是100kΩ或更高。但这一点对分析它们逻辑功能的关系不大。可见虽然两种电路在内部电路上有较大差别,但从外特性来讲,图5的简化图都适用。(俞鹤飞)
