本文介绍一种线路简单而实用的电阻精度筛选器。它有以下特点:阻值范围宽,可挑选10Ω~10MΩ的电阻;误差范围可根据被测电阻的精度予以选择,可挑选精度为±1%,±2%,±5%,±10%,±20%的电阻;测试者只要把被测电阻标称值预置好,将被测电阻插入测试座(或测试夹),如果阻值超差,则本装置自动进行声光报警。如果红灯亮,则扬声器同时发出高音调声音,表明被测电阻值大于最高允许值,如果黄灯亮,扬声器发出低音调声音,说明被测电阻值小于最低允许值。测试不同精度、不同阻值的电阻,只要按其标称值(阻值、精度)预置即可。
电路工作原理

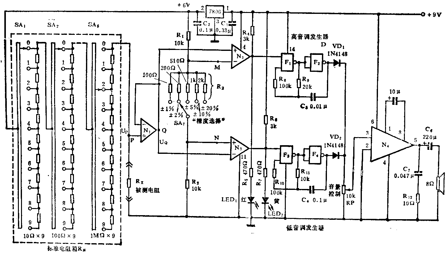
电原理图如图所示。本电路由标称阻值预置部分、电压跟随器、双限比较器、状态指示器、高低音调发生器、功率放大器和稳压基准源组成。稳压源由W7806构成,它用于给电阻偏差检测电路和门限设定电路提供稳定的基准电压U\(_{R}\),以保证测量结果不随电源的变化(或波动)而变化。电容C1为输入消振电容,可改善电源纹波特性,C\(_{2}\)为输出消振电容,同时也改善电路的瞬态响应。电阻预置部分(等效电阻值为RN)用于提供与被测电阻标称阻值相同的电阻值,它与被测电阻R\(_{X}\)串联,构成电阻偏差检测电路。在恒定的基准电压UR作用下,R\(_{X}\)的变化就转化为电压UP的变化。运放N\(_{1}\)构成一个阻抗变换器,其高输入阻抗不影响被测电阻的阻值。RX不同时,U\(_{P}\)也不同,UQ也相应变化,此变化的电压送入双限比较器,与预置电平进行比较。N\(_{2}\)组成上限比较器,N3组成下限比较器。上门限值U\(_{M}\)=R2+R\(_{3}\)R1+R\(_{2}\)+R3·U\(_{R}\),下门限值UN=R\(_{3}\);R1+R\(_{2}\)+R3U\(_{R}\),在R1和R\(_{3}\)一定的情况下,通过选择不同的R2值便可确定不同的门限值,从而确定允许的误差范围。设被测电阻的标称阻值为R\(_{N}\),标称精度为±a%(精度为±1%,±2%,±5%,±10%,±20%之一,由SA7选择)。当R\(_{X}\)≥(1+a%)RN时,U\(_{Q}\)>UM>U\(_{N}\),运放N2输出高电平,N\(_{3}\)输出低电平,红色发光二极管LED1亮,说明此时为“阻值过大”状态。N\(_{2}\)输出高电平时由F1、F\(_{2}\)等构成的高音调发生器振荡,其输出信号经LM386组成的功放电路放大后推动扬声器发出高音调声音。当RX≤(1-a%)R\(_{N}\)时,UQ<U\(_{N}\)<UM ,则N\(_{2}\)输出低电平,N3输出高电平,黄色指示灯亮,说明阻值过小,由F\(_{3}\)、F4等构成的低音调发生器的振荡信号经功放后驱使扬声器发出低音调声音。如果扬声器不发声且两只LED均不发光,表明R\(_{X}\)在允许误差范围之内,即阻值合格。音调发生器选取不同的振荡电阻和振荡电容时,可得到不同的振荡频率。当音调发生器输入端的控制信号为高电平时,振荡器工作;反之,振荡器输出低电平信号。功放电路选用了低电压低功耗音频功放LM386,所需外围元件很少,功放电路的增益达46dB,通过调节电位器RP可改变音量大小。
元件的选取
在业余条件下,SA\(_{1}\)6可选用1×11位的旋转波段开关,如果有条件,也可选用数字式的指拨开关或按键开关。电阻箱内的所有标准电阻均采用精度<1%、效率为0.25W的金属膜电阻,可直接就近焊在开关引出线处。选用旋转式波段开关时,可在面板相应档位上写上数字。R\(_{1}\)、R2、R\(_{3}\)的阻值应准确,可选用精度为0.5%的精密金属膜电阻。LED选用ψ5mm的红、黄色发光二极管各1只。“精度选择”开关SA7可选用市售波段开关。N\(_{1}\)、N2、N\(_{3}\)选用1只四运放LM324或四电压比较器LM339。集成电路D选用四2输入与非门CC4011或CD4011。N4选用LM38。(郑春华)