问:我处因接收环境不好,故邮购了两个103dB的天线放大器。但经实际使用效果并不佳,还不如我们自装的3级放大的天线放大器。这是质量问题还是使用不当所引起的?(四川 李宏图)
答:一般来讲,因受分布电容、电感等的制约,单个电视天线放大器的电压增益很难达到50~60dB以上。你们邮购的天线放大器的“103dB”是指它的最大输出电平,并非增益指标。最大输出电平是天线放大器能输出的不失真饱和的高频电压值,超出此值时图象就可能出现网状或条纹干扰等。最大输出电平V\(_{m}\)的dB值算式是:
dB=20lg\(\frac{V}{_{m}}\)(μV)1μV。
103dB相当于V\(_{m}\)≈141mV。一般天线放大器在出售时应标明增益值,但有些卖主却省去了,还以输出电平值来代之,这是不对的。所以爱好者在购买时一定要问清其增益指标,不可盲目购之。(德沅)
问:一台NV-450录象机重放一盒VHS E-120录象带,每次从带头开始放象,大约10分钟左右,机器出现自动停机倒带。另换一盒录象带重放,机器能够一直正常工作,不知何故?请问如何解决?(南京 范润强)
答:这种现象大多是由录象带内部问题所引起的。因为一般VHS型录象机系统控制电路都设有带头带尾检测器,因此在录象带带头带尾均接入一段透明带。当录象机快进、记录、重放到带尾时,检测元件(光电三极报管)通过带尾透明带检测到光信号,然后将光信号转变为电信号送给系统控制中心,使得录象机立即停机,卸载后快速退带。由此可见,如果该录象带曾经发生过严重的绞带,造成录象带表面磁粉脱落而露出透明的带基,或是断带后用透明胶带驳接,且两带头之间距离太开而中间露出透明部分,当录象带运行到该处时,检测器就会误认为到了带尾而造成自动停机倒带。遇到这种情况时应打开盒盖,将绞带或断带的部位重新驳接好后,录象带就能正常使用。(黄福森)
问:一台日立CTP-236D型20英寸彩电,开机后无光无伴音,却能听到轻微吱吱声。开机检查108伏电压降为70伏,54伏电压降为29伏。把行管Q\(_{7}\)02集电极与电源断开,上述两电压恢复正常。仔细检查Q702、D\(_{7}\)02、逆程电容等元件未发现故障。不知是何原因?(长春 林洪波)
答:由故障现象和检查结果表明,故障是由行输出部分存在短路所致。既然上述元件正常,可把Q\(_{7}\)02焊好,把R713、R\(_{717}\)分别断开,看电源电压能否恢复正常,倘若不能恢复正常,可用代替法检查行输出变压器是否良好。行输出变压器匝间短路常会造成行输出负载过重,使电源电压下降。(李振鹏)
问:一台NV-370录象机装入一盒录象带,按下重放(PLAY)键,穿带完毕,鼓电机不转动并随即退带。经检查是鼓接通晶体管QR\(_{2}\)004(UN1113)损坏。该管子在市场上很难买到,请问UN1113管子内部结构与普通晶体三极管有什么不同?用何种型号的管子能够代替?(天津 陈克明)

答:UN1113是由一只硅材料PNP型晶体三极管和两只47kΩ电阻所构成的。因此它的内部结构与普通晶体三极管是不同的(见附图所示)。UN1113管子在录象机电路中大多是用于反相器(即非门)或跟随器,所以有些资料中也把这种器件称为数字晶体管。当UN1113管子损坏后,可用内部结构相同的RN2204、DTA144、DTA144EA等管子代换。也可以用分立元件来代替,方法是找一只3CG14管子和两只47kΩ\(\frac{1}{8}\)W电阻按附图先焊接好,然后将其焊在电路板上,代替UN1113。(黄福森)
问:一台皇冠牌17英寸黑白电视机,弱信号基本不能收看,接收强信号时,图景扭曲严重,有时行、场失步。无信号时噪声点正常。开机检查TDA4500的各脚电压,与参考值比较未发现异常。检查电调谐高频头的各静态工作点也无明显变化。不知应再检查何处?(山东薛桥)
答:由故障现象可以推断造成故障的原因是整机增益低。检查结果表明故障不在中放通道和高频头内部,此时应着重检查高频头至IC的各耦合元件。重点是各耦合电容和声表面波滤波器。检查时可用一个几千pF的电容对上述各元件短接,看其有无变化,声表面波滤波器损坏往往会造成所述故障现象。(李振鹏)
问:一台胜天9000型电子游戏机,开机后无图无声。经查,机内各集成块的5V电源电压约正常,节目卡良好。在该机调制器输入端输入另一台游戏机的视、音频信号,结果图声正常,说明调制器无问题。这是什么原因?(北京 王海)
答:这种故障,首先应检查节目卡与60线插座间的接触是否良好。若无问题,故障大都是CPU(微处理器P03—1或6527)的21.47727MHz晶振电路停振所致。造成电路停振的主要原因是晶体或振荡Q\(_{3}\)损坏。检修时,可先测Q3(Q\(_{3}\)与晶体均焊装在CPU右边。印板上有标注,很易找到)的Vbe和Vce,正常值各为0.6V和3~4V左右。若实测值偏差很大,且R10、R\(_{11}\)无变值或脱焊等损坏迹象,则可判定Q3损坏。如果Q\(_{3}\)正常,那大多是21.47727MHz晶体失效。(德沅)
问:一台海燕6616型袖珍双卡收录机,B卡(放音卡)放音键和快进键均按不下去,停止出盒键则处于半按下状态。拆开机壳检查,发现不了什么问题,似乎均正常,用力按键也不行,这是什么缘故?(四川 王军)
答:遇该故障时,不能硬按键钮,否则会扩大故障或损坏相关机件。这种故障是B卡机芯中的自锁钩受阻而引起的,如图所示,自锁钩的前端钩部的正确位置应在图中虚线所示部位,当自锁钩位置在图中实线部位时,它就被凸头抵住而不能恢复到正常位置,进而导致快进和放音键不能按下去。修理时,只要将自锁钩拨到图中虚线位置即可。由于造成这种故障的根源是自锁钩销钉上的弹簧失效或弹力不足,故检修时要一并解决该弹簧的问题。(王德沅)

问:一台胜天9000型家用游戏机在使用中时常发生图象不同步故障。经拆机检查,没发现异常迹象。最后只好试换视频处理器PPU,结果仍无效。不知故障究竟出在何处?(上海 亚辉)
答:该故障一般是PPU时钟频率不稳定所致。该机由晶体管Q\(_{2}\)和26.601712MHz晶体组成PPU时钟晶振电路,Q2集电极输出的时钟脉冲经C\(_{23}\)(220pF)加到PPU的18脚。时钟频率不稳大多系晶体不良造成。检修时,可用手指轻弹晶体(装在PPU左下方),若图象发生抖动或失步等不正常现象,便表明晶体有问题,应予换新。此外,若测量晶体两端在路电阻不为无穷大,且C16(33pF)及印制线路无漏电现象,也说明晶体不良。若晶体正常,应检查电容C16、C\(_{17}\)(50pF)和C33(15pF)是否不良。(兰德)
问:一台凤凰F-3242型收录机抹音不清,录音音轻且失真,请问故障何在?(湖北 邹志祥)
答:抹音不清,录音重放音轻且失真,这是录音无偏磁电压的典型情况。交流偏磁方式录音时偏磁振荡电路产生50kHz~100kHz,幅度为40~50V交流等幅振荡电压,经电阻或电位器降压后加到抹音磁头,提供抹音偏磁电流,加到录放磁头提供录音偏磁电流。判别有否偏磁电压只要用万用表交流10V档,表笔一端接地,一端接抹音磁头或录放磁头热端,一般有5V左右交流电压(抹音头热端电压更高)。常见故障为:偏磁振荡线圈开路或内部局部短路;振荡管失效;抹音磁头引线脱焊等。(彭贤礼)
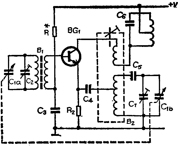
问:一台天鹅牌TE×614型袖珍式中波收音机,只能在刻度盘的几处收到电台的噪声。将音量电位器旋至最大位置时,可收到强短波电台的信号,但音量极小。当用手摸磁棒线圈时,音量明显增大。检查各晶体管的工作电压、电流等均正常。请问这是什么原因,如何修理?(广东陈云志)
答:天鹅牌TE×614是一种只能接收中波电台节目的袖珍式低电压收音机。中波收音机只能收到短波电台的信号,说明该机的振荡电路已经工作,只是振荡频率变高了。所以,上述故障可能是决定振荡频率的LC谐振电路中某元件异常所致。这部分电路见附图所示。应重点检查电容C\(_{5}\)、C7是否开路或失效、振荡线圈B\(_{2}\)的初级线圈是否开路以及双速可变电容的C1b连是否异常等。另外,当电容C\(_{5}\)(130pF)容量值变小时,也会出现类似的故障,检查时可用替换法更换一只130pF的新电容试试。(孙余凯)

问:什么叫全波段收音机?某机型中TEA5591和TDA7052集成电路的作用、特点如何?(江西 李隆)
答:所谓全波段一般应包括LM(长波)、AM(中波)、SM(短波)和FM(调频)各波段。目前波段最多的收音机是日本SONY(索尼)公司的CRF—320型收音机,共有32个波段:长波、中波、短波(1~29个)和调频波段。还有它的改进型CRF—330型共有33个波段并附有盒式录音装置。这种全波段收音机由于采取了高精度调谐、锁相及集成电路技术,稳定性和灵敏度都较高。
TEA5591与TDA7052是荷兰飞利浦公司专为高性能全波段袖珍收音机设计的单片无线电接收和功放集成电路。由这两片机芯相辅相成,使收音机具有如下性能特点:1.外围元件甚少,维修方便;2.FM/AM波段转换采用直流控制;3.工作电压低达1.8V仍能工作;4.主要技术性能:灵敏度FM为25μV、MW为15μV、SW为20μV;信噪比FM为70dB、AM为55dB;失真度FM小于1%、AM小于1%;输出功率(Vp=3V、RL=4Ω时)为150mW。(刘明清)