一台“乐声”TC-230D彩色电视机伴音正常,无颜色。该机的色信号处理由IC\(_{6}\)01(AN5625)担任,有关电路见图1。首先用示波器观察IC601的第⑤脚,发现第⑤脚无色信号输出,说明色信号通道工作不正常。要使色信号通道工作正常,需要具备几个条件。(1)⑦脚有正常的色信号输入;(2)脚上有正常4.43MHz副载波;(3)脚有2.6V\(_{p}\)-p的色选通脉冲信号;(4)②脚有4Vp-p的行逆程脉冲。

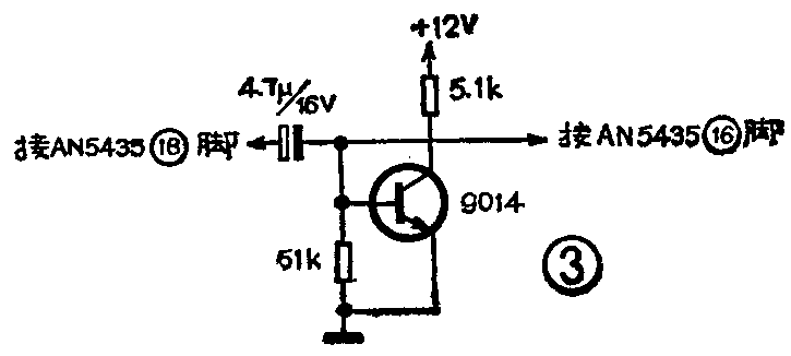
用示波器观察⑦脚、脚、②脚的波形,均正常,脚上没有色选通同步脉冲。由于没有色选通同步脉冲,则集成电路AN5625内部的鉴相器(APC)和消色器停止工作,因而使⑤脚无色信号输出。色选通同步脉冲是从扫描集成电路IC\(_{5}\)01AN5435)的脚取出的,如图2所示。正极性的全电视信号是从IC501的输入,在该集成电路内部分离出同步信号,一路送往行、场扫描电路,另一路是从脚输出的极性为负、幅度为11V\(_{p}\)-p的色选通脉冲,供色度处理电路使用。检查AN5435脚到AN5625脚间的元件,所有元件均无损坏。测量AN5625各脚电位,发现脚的电位比正常值9.2V低得多,只有2.6V。拆下集成电路测量,发现脚同内部电路开路,所测到2.6V电位是脚的电位经电阻R405加过来的。由于AN5625的其余各脚的功能都正常,因此,只要在集成电路外部做一个如图3所示电路,代替其原来电路的功能,就能继续使用原集成电路。(曾文阳)

