本文采用了近年来颇受无线电爱好者欢迎的三色变色发光二极管2EF302(外形见图1),又变通了显示的方式,从而实现了一管显示8种状态的功能。

2EF302三色变色发光二极管是在金属管座上装上2只共阴极(K)的发光管芯作成,其他两极分别为红光(R)和绿光(G)管芯的阳极。在R与K间加上2伏左右的电压时,使之通过3~10mA的电流,2EF302就发红光;在G和K间加同样的电压时,2EF302就发绿光;当两只管芯上都加上电压时,2EF302则发出红光和绿光的混合色光——橙色光。使用2EF302时要串接两只限流电阻,以保证管子通过的电流合适。R=(U-U\(_{F}\))/IF,式中:U\(_{F}\)为正向压降,IF为流过的电流,U为电源电压。由于I\(_{F}\)范围较宽,所以,R的取值范围较大,常为数百欧,可视手边方便的电阻值选用。有关2EF302的特性参数见附表(1)。

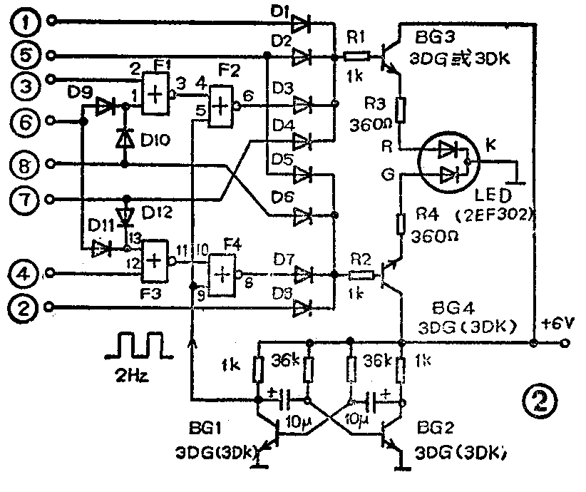
本文的电路原理图见图2。晶体管BG\(_{1}\)和BG2构成无稳态多谐振荡器,用以产生2Hz的方波信号;F\(_{1}\)~F4为或非门;D\(_{1}\)~D8构成两个二极管或门电路,用于导引信号;BG\(_{3}\)和BG4为两只开关放大晶体管,以驱动发光二极管LED作状态显示。当高电平出现在左端①~⑧中的某个端子时,LED的R或G便作出相应的显示。

当①端出现高电平时,D\(_{1}\)导通使BG3饱和导通,LED的R导通发红光;其他各端子皆为低电平,故D\(_{2}\)、D5、D\(_{4}\)、D6、D\(_{8}\)截止。而F1和F\(_{3}\)输出高电平,使F2和F\(_{4}\)输出低电平,D3、D\(_{8}\)截止,LED的G不发光。因此,红色光表示了①端为高电平状态。
当⑤端为高电平时,D\(_{2}\)和D5导通使BG\(_{3}\)和BG4饱和,LED的R和G都通电发光,R和G混合后发出橙色光。
当③端为高电平时,F\(_{1}\)输出低电平,这时2Hz的方波脉冲信号可以通过门F2,再经过D,加于BG\(_{3}\)基极,使LED的R管芯以2Hz的频率闪光,而G是熄灭的,因此,闪动的红光代表③端子的电平是高电平状态。
当高电平出现在⑦端时,D\(_{4}\)导通,使BG3饱和,R管芯点亮;同时,F\(_{3}\)输出低电平,2Hz的方波信号可以经门F4和D\(_{7}\)使BG4工作于开关状态,LED的G闪亮,频率为2Hz;综合起来,LED是以2Hz的频率进行红、橙交替发光。
当⑥端是高电平时,F\(_{1}\)和F3输出低电平,2Hz的方波信号可以经过F\(_{2}\)和F4,再经D\(_{3}\)、D7使LED的R和G同时闪光,表现为闪动的橙色光。
同理,当④端为高电平时,LED将以闪动的绿色光表示;当②端出现高电平时,LED发绿光;当⑧端为高电平时,LED的发光形式是橙绿交替,频率为2Hz。当所有各端都不出现高电平时,LED是不发光的。综上所述,各端出现高电平时,对应LED所发出的光的颜色如附表(2)。

图中晶体管BG\(_{1}\)~BG4可用3DG类或3DK类NPN型小功率管,其β值最好大于60;二极管D\(_{1}\)~D8可选用任何型号的小功率锗管。

集成电路C069是两输入端四或非门电路,其引脚排列图见图(3),其V\(_{DD}\)为3~18伏。焊接时注意烙铁接地。(谭诚臣)