例1:北京牌8306型18英寸彩色电视机,在收看节目时,尽管频道、调谐都正确,天线也没有问题,但各频道均呈黑白图象,将色饱和度电位器旋至最大也无彩色,伴音正常。
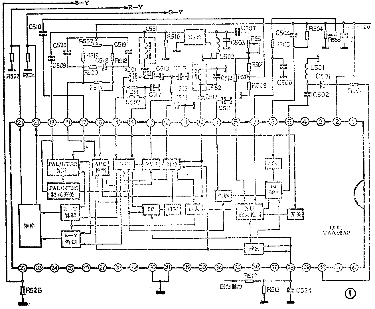
分析与检修:出现无彩色现象,故障点有可能在色解码电路中。北京牌8306型彩电的色解码块Q501采用的是TA7698AP,这是一个包括视频信号处理、色度信号处理、同步分离及行、场扫描电路在内的大规模集成电路。当然,引起五彩色问题的主要原因是色度处理电路有问题,这部分电路如图1所示。

一般无彩色,可先测Q501各有关脚的电位,发现问题后顺藤摸瓜,必要时还可用示波器测Q501⑤脚有无色度信号,⑧脚有无色度输出信号,⑩脚有无色同步信号,有无选通脉冲信号等,这样可很快找出症结。在本例中:(1)首先把色饱和度和对比度调至最大,测得Q501脚电位为6.2V,正常值应为8.9V。一般来说,当接收黑白信号异常或色度电路出了毛病时,脚电位将下降到6V左右。此时,消色开关(ACK)动作,彩色失去颜色。现脚电位已接近6V,说明消色开关已动作。(2)用一个10kΩ,0.5W电阻把Q501脚和+12V连接起来,使消色器停止工作,此时可能有下列几种情况出现:①彩色恢复正常。可判定故障在消色电路中,如C514漏电或Q501块内故障,造成消色器一直处于动作状态。②有彩色,但色调不正。可检查PAL开关相关元件,Q501输入的行逆程脉冲是用来控制双稳态PAL开关的,正常时该脚电位为0.1V或略负,此外也可能是Q501本身的问题。③有彩色,但彩色画面杂乱不同步。这时,先测和两脚的电位,两脚电位应该相等。如不等则说明4.43MHz振荡器频率偏差较大或APC电路有问题,这时可检查压控振荡器有关元件,如接在、、脚的4.43MHz振荡电路和接在、的控制压控振荡器频率的低通滤波元件。有条件的话,最好测一下频率,看偏差是否在允许的±150kHz之内。如果以上检查没有查出问题,那就可能是Q501集成块内部的自动相位控制鉴相器APC出了故障,可换块。④仍无颜色。可判定是色度放大部分的问题,先从外围元件入手查找,如色饱和度调节电路R505、R555、C506、延迟线X502及R507、R551、R510、C509、L502、L551等。若以上均无损坏,而查Q501的⑦、⑧,⑨脚电位较正常值有明显差异时,可断定为集成块Q501损坏。本例在跨接电阻后,彩色便恢复正常,可见是消色电路出现了问题。经检查是电容器C514(0.47μF)漏电。因色同步信号保持的时间非常短,对C514要求较高,经精选电容元件,更换后即恢复正常。
例2:日立EX—1877型18英寸彩电,刚开机时,图象、伴音均正常,约十几分钟后,便失去彩色,其它未变。断电稍歇后,开机仍重复上述现象。
分析与检修:刚开机时正常,十几分钟后失色,这多系解码块及其外围电路中某个元件热稳定性差所致,即通电后,该元件温度升高变值至使消色开关动,图象失去彩色。日立EX—1873彩电的解码集成电路也采用TA7698AP,电路和图1相类似。对这种随工作温度变化而出现的软故障,可采用加热法或冷却法来查找:(1)开机后时间较长(如半小时以上)才能出现的软故障,可用加热法,即用电烙铁靠近重点怀疑的元件加热,观察图象的变化,查找故障元件。(2)开机后短时间内(如半小时以内)就出现的软故障,可用冷却法。即当故障出现后,用镊子夹住元件散热片或用酒精棉团轻擦元件表面,以此散热,观察故障是否消除。但使用该法时电视机的交流电源一定要加装隔离变压器,同时要注意不要碰了高压元件,防止触电。在本例中,当彩色消失后,先用小蜡烛触碰元件,发现解码块IC301发热将蜡融化,说明该块工作时温度很高,而正常时该块表面只有20℃左右并不发热。随后,用酒精棉团轻擦壳面,彩色恢复。说明该集成电路内部热稳定性不良。给解码块加装了一个U形铝散热片,情况好些,开机后持续1个多小时才出现失色故障,但由于故障没有完全消除,因此,决定换新的集成块。在找不到原品的情况下,换一个国产的CD7698集成块后,故障立即排除。
例3:康艺KTN-5132型20英寸遥控彩电,图象、声音均正常,但无彩色。
分析与检修:该型电视机的色解码电路IC201采用的是M51393AP,其色同步电路也是APC方式,并用直流电压通过其②脚来调节色饱和度。检查步骤:(1)接收彩色图象信号,测出IC201(见图2)的②脚电位为4.2V,正常时此电位随着色饱和度的变化在2~6.5V之间变化。在检查中发现,当按压色饱和度调节按钮时,此电位并不变化,这说明进入该引脚之前的色度信号电路有故障,应往前查之。(2)检查色度放大三极管Q011,当按压色饱和调节按钮时,其基极电位在11.5~9.8V之间变化,说明该管之前没有问题。但测另外两个极时发现:集电极电位始终保持在4.1V;发射极电位始终保持在11.5V。可见其发射结最大压降已达1.7V,而正常的发射结压降只有0.7V左右,说明该管发射结断路,经焊下测量得以证实。检查其型号为2SA1015-Y,因手中无原型号三极管,用一只常用的3CK10G(β为83)换上之后彩色正常。

例4:沈阳JVC7695VGXR型18英寸彩色电视机,收看节目时有伴音、有黑白图象,但无彩色。
分析与检修:沈阳JVC彩电采用TA7193AP中大规模集成电路作为解码块,加上一些外围元件构成了性能较为完善的色度信号处理电路。具有色度放大、色同步选通、自动色度增益控制(ACC)、消色电路、鉴相器(APC)、副载波振荡器、PAL开关、同步解调及矩阵等功能。若天线及调谐没有问题,应着重检查这部分电路:(1)首先用示波器测量TP-41点(见图3)的波形,检查一下送来的电视信号是否正常。若正常,说明故障在解码电路;若不正常,说明故障出在带通滤波器之前的电路。在本例中,此测试点的波形正常,因此,应检查C307以后的电路。再用示波器测量IC301脚的波形,也正常,说明来自前级的全电视信号经过带通滤波选出含有色同步脉冲的色度信号已经注入到IC301。(2)用万用表测量IC301脚即消色识别端的电位,此电位为6.7V,比正常电位6.2~6.4 V偏高。TA7193AP集成电路和其它解码块不同,该点电位升高表明内部消色器开启工作,第二带通放大器截止,电视机失去彩色。测量电位为1.8V,较正常值9V下降较多,也表明消色器已动作。消色器电路是用来保证色度通道在接收黑白节目或弱信号时切断,以消除噪波信号对黑白图象的干扰,现在它误动作,表明有关电路出现问题。可在IC301脚与地间接入一个20kΩ、0.5W的电阻,将脚电位拉下来,使色度通道开通,但在本例检查中彩色仍未恢复,说明不是消色电路本身的故障,问题在色度通道的有关电路元件。(3)用示波器测量IC301波形正常,说明已有正常的色度信号输出。表明IC301内部色度放大、色同步选通、彩色控制等电路都没有问题。(4)测量IC301②脚、③脚波形发现不正常,表明FU、FV色度分量信号没有加到IC301,则可断定是梳状滤波器电路未通,原因可能是激励管Q301损坏,64微秒延迟线DL未通,增益平衡调节电位器R321断路等。测量激励管Q301各脚电位:集电极0.3V,基极11.5 V,发射极 11.5V,说明该管发射结已击穿短路,经焊下测量得以证实,换一只类似的管后彩色正常。(李蒙)
