本寻迹器工作可靠,使用方便,耗电省。它能帮你迅速找到故障位置,给维修工作带来方便。
电路原理
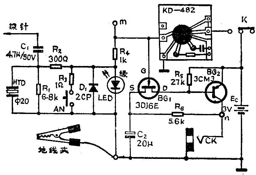
电路见图1。图中,KD——482音乐集成片接成连续循环演奏方式。当K放在左边时,m点输出的音乐信号为方波,峰值约2.5V左右。上述音乐信号经LED限幅后,在探针上输出的空载电压约为2V,这时HTD发声。按下AN后,m点音乐信号幅度降至1V左右。此信号经R\(_{4}\)、R3分压后,在探针上输出的空载电压约为1mV,这时HTD因信号电压太低而无声。

用该寻迹器检查功放电路好坏时,把探针触到功放输入端,不按AN,如扬声器发出很响亮的音乐声,说明被测功放电路正常。检查前置放大级时,要按下AN,然后把探针触到前放输入端,并开大音量电位器,如扬声器发出洪亮悦耳的声音,说明前置放大电路工作正常。寻迹器使用完毕,如电源未关,HTD发出的乐曲声能提醒你去关电源。
K推向右边时,可以探测外部音频信号。这时C\(_{1}\)为无极性隔直耦合电容。由R2、D\(_{1}\)、LED组成的双向限幅电路,能有效地保护音乐片不被探针输入的高电压所损坏。R2、LED还是一个简易的发光二极管电平指示器,当探针触到的音频电压足够高时,LED将随着音乐信号的节奏而发光。当探针触到的音频电压幅度只有1~5V左右时,LED不发光或发光很弱,但上述电压足以驱动HTD发声。
为了探测微弱信号,寻迹器中设有一个由BG\(_{1}\)、BG2组成的双管直耦放大器。C\(_{1}\)、R1、R\(_{2}\)、R4为该放大器的输入电路。BG\(_{1}\)是一只饱和电流IDSS为0.4~0.7mA的结型场效应管。R\(_{5}\)为BG1的漏极负载电阻。R\(_{6}\)为源极自给负偏压电阻。C2为源极音频傍路电容。R\(_{6}\)的一端接到BG2的C极,这种接法,不仅能自动稳定BG\(_{1}\)、BG2的静态工作点,而且当插孔CK未接耳机时,放大器耗电为零。
利用上述放大器,寻迹器的探测灵敏度可达≤1mV。例如,放音磁头输出的音频信号仅为1mV左右,经BG\(_{1}\)、BG2放大后,能使外接的1500欧耳机发出清晰的声音。当输入信号过大时,耳机发音将失真,必要时,可按下AN,这时输入信号被R\(_{2}\)、R3衰减约300倍,即可避免或减小失真。外接耳机不用时,应及时拨出。
为缩小体积,减轻重量,寻迹器采用两只φ7.9×3.6mm的氧化银电池供电。这种电池容量约为40毫安小时。如能节约使用,一组电池可用一年以上。维修工作中,应事先看好电路的被测试点,然后才接通电源开关K,迅速完成调试工作,用毕立即关断电源或拔出耳机。
由于元件耐压等因素的限制,本寻迹器不宜探测电子管式音频电路。
安装与使用
BG\(_{2}\)的β值应≥100,可选用3CM3、A1015、A673等型号的管子。C1可用两只10μF50V的电解电容背靠背连接代替。C\(_{2}\)漏电要小。为缩小体积,HTD选用φ20mm的。HTD应加共鸣腔,带闹电子表后盖中的共鸣腔结构可供借鉴。AN是一只小型微动开关,这种开关动作可靠,手感舒适,由于所检测的印刷电路焊点往往又小又密又圆滑,因此,为了接触可靠,探针最好选用中医用的三棱钢针。
寻迹器可制成逻辑测试笔式、烟斗式等形状,AN应安装在便于操作的位置上。如采用小型元器件,寻迹器重量不超过80克。
探测微弱信号时,正确选择接地点非常重要。例如,要测放音磁头输出的信号,寻迹器的接地鳄鱼夹应夹在磁头信号线的接地点上,此外,手指必须握住寻迹器的“地”端,使人体处于地电位,这样,耳机发出的声音才能清晰纯真。(陈银德)