本文介绍的这个直读式频率计,结构简单、制作方便,在测量电路中仅用了一块TTL四与非门就完成了对被测信号进行波形整形及频率计量功能。其频率测量范围共分五个量程:0~100Hz、0~1kHz、0~10kHz、0~100kHz及0~1MHz,可用于测量1MHz以下的各种振荡器的工作频率,也可用来调试简易电子琴的频率。
工作原理
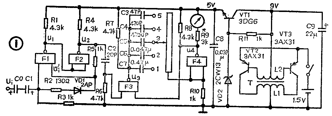
频率计的电原理图见图1。图中F\(_{1}\)与F2组成一个施密特触发器,它的作用是将被测正弦波信号的波形进行整形,使被测信号变成前后沿都很陡的方波信号,然后通过微分电容C\(_{2}\)后去触发由F3、F\(_{4}\)组成的单稳态电路。各与非门的输出波形与被测信号波形在时间上的对应关系如图2。


当输入信号u\(_{i}\)=0时,与非门F1关闭,u\(_{1}\)为高电平,使得F2导通,u\(_{2}\)为低电平。u2通过R\(_{5}\)加到F1的u\(_{i}\)输入端,使F1更加可靠地关闭;当u\(_{i}\)从零上升到VT(V\(_{T}\)为与非门输入端的门限电压,约为1.3伏。当输入电压低于VT值时,门关闭;高于V\(_{T}\)值时门导通)值时,虽然F1左输入端电压达到V\(_{T}\)值,但右输入端的输入电压是ui经过R\(_{2}\)降压后得到的,其值约为R2R\(_{5}\)·VT(忽略VD\(_{1}\)与F2的导通压降),显然低于V\(_{T}\)值,即F1右输入端不满足F\(_{1}\)的导通条件,此时u1仍为高电平;当U\(_{i}\)继续升高达到Ek值时(E\(_{k}\)值为F1的开启电压,即为经过R\(_{2}\)、R5分压后使得u\(^{′}\)\(_{i}\)=VT时的u\(_{i}\)值),F1开始导通,通过较强的正反馈过程,使电路迅速翻转到F\(_{1}\)导通、F2截止的状态。而后不管u\(_{i}\)怎样变化,因u′已由u2维持在高电平状态,只要u\(_{i}\)>VT,电路的状态就不会改变。只有当u\(_{i}\)下降到VT值以下时,F\(_{1}\)才开始截止,并通过较快的正反馈,使电路迅速返回到F1截止、F\(_{2}\)导通的状态。这样ui的正弦波信号经过F\(_{1}\)与F2组成的施密特触发器后,从u\(_{2}\)处就得到了矩形波信号(具体波形关系见图2)。可以看出,矩形波信号的频率和被测的正弦波信号的频率是相同的。这个矩形波信号经过微分电容C2后加到右面单稳态电路F\(_{3}\)的左输入端。
从图1和图2可以看出,被测信号的频率越高,则在单位时间内单稳态电路中F4输出的脉冲个数也越多。这样,当单稳态电路的输出脉冲宽度τ一定时,图1电路中表头指针的偏转角度就会与F4在单位时间内输出的脉冲个数成正比,也就是说与信号的频率成正比。脉冲宽度τ由不同测量档位中的定时电容C\(_{3}\)~C7所决定。
由于单稳态电路的输出脉冲τ受电源电压波动影响较大,为了保证测量精度,就必须对电源进行稳压。为了使用方便,本电路电源采用了一个简单而又较新颖的升压电路。这个升压电路的有关电路见图3,它的特点是可以将1.5伏直流电压直接升高到9伏直流电压,并经过晶体管VT\(_{1}\)将输出电压稳定在5伏,以供电路使用。

下面分析一下图3的工作原理;由图可见,电源的负载电阻R\(_{L}\)与VT2、VT\(_{3}\)三极管的eb结是串联在1.5伏电池回路中的。1.5伏电池的正极接在VT2、VT\(_{3}\)两个三极管的发射极上,而电池负极则是通过RL、L\(_{2}\)加到两个三极管的基极上。因VT2、VT\(_{3}\)都是PNP型管,所以当在基极上加上负偏置电压后,两个管子都有可能导通。但究竟哪一只三极管先导通则完全是偶然的。这里假定VT3先导通,其集电极电流通过L\(_{1}\)的右边绕组在L2绕组两端感应出左正右负的电压(电压幅值的大小完全由L\(_{2}\)与L1绕组的匝数比所确定),此电压一方面促使VT\(_{3}\)更加导通,使VT2截止。另一方面,该电压的负极通过VT\(_{3}\)的eb结与电池电压串联叠加起来加在负载RL的下端,而从L\(_{2}\)的中心抽头处将升压后的电压引至RL的上端,这样在R\(_{L}\)上就形成了一个上正下负的直流输出电压。当VT3的集电极电流逐步上升到饱和值后,如果电流稍有波动,将会产生与图3绕组两端所示的相反极性的电压,通过很快的正反馈过程使VT\(_{3}\)迅速由导通转变为截止状态,VT2由截止转变为导通状态。此时由于L\(_{2}\)上的感应电压极性转变为左端为负、右端为正,则负极性一端将通过VT2的eb结与1.5伏电池串联叠加起来向负载R\(_{L}\)上提供上正下负的直流电压。这样两个三极管交替工作,就将1.5伏电池电压变换为所需的较高的电源电压了。图中的电容器C9作滤波之用,以减小两管在轮换工作期间产生的电压波动。
如果不考虑仪表的体积大小,也可以不用升压装置,而直接用6节5号电池(9伏)进行供电。
元件的选择与制作
四与非门选用TO96AD,其管脚排列及内部接线图如图4。VT\(_{1}\)可选用3DG或3DK型的各种管子,要求β>100,以利于更有效地稳压。VT2、VT\(_{3}\)选用3AX31或3AX22,β>30即可。电容C3~C\(_{7}\)最好选用涤纶或聚苯乙烯等类型的。表头选灵敏度为100μA的电流表。升压变压器T需要自制,用尺寸为18×8×5的MXO-2000低频磁环进行绕制,L2用φ0.1mm的高强度漆包线双线并绕120匝,将其中一组线圈的始端与另一组线圈的末端相连后由这一点引出抽头作为L\(_{2}\)线圈的中心抽头。为了方便起见,绕制前可先按图5形状用φ0.5mm左右的漆包线弯成一个小梭子,用来在磁环上穿绕漆包线。穿绕时,先将φ0.1mm的漆包线绕在梭子的两个凹槽之间,然后再在磁环上穿绕L2。L\(_{1}\)线圈选用φ0.35mm的高强度漆包线双线并绕30匝,中心抽头,制作方法同L2。由于线圈L\(_{1}\)的圈数较少,所以可以不用梭子绕,而是用手绕。印制线路板图见图6(比例为1:1)。电池可用一节1号或2号的干电池。


调整与使用
电源部分的调整比较简单,只要升压变压器T的初、次级绕组极性接对,就能正常工作。如果没有电压输出,可对调一下变压器初级绕组的两个引出头或对调一下变压器次级绕组的两个引出头。只要三极管完好,变压器又没有问题,电路一般是能够起振的。
无信号输入时,F\(_{1}\)与F4输出应为高电位(大于4伏),F\(_{2}\)、F3输出应为低电位(0.3伏左右)。如果发现静态工作电压与上述不符,就应检查电路焊接是否有误,各个与非门的输入电阻阻值是否正确。当F\(_{3}\)输出不为低电位时,可适当增加R6的阻值使这一点的电位降至0.3伏。
由于该线路测量频率时线性较好,所以可直接利用原表头的刻度值作为频率指示。校正各档位的频率刻度时,首先选用一台标准的音频信号发生器,将信号发生器的输出信号送入简易频率计的输入端(u\(_{i}\)端),频率计的量程选择开关S置于最低档(即图1中的第1档)。调节信号发生器:使输出信号的频率为100Hz,调整图1中R9的阻值,使频率计的指示值为100,这一档位就算调整完毕。再将选择开关S置于1kHz档,同时相应地把信号发生器的频率调节在1kHz上,此时只能通过改变C\(_{6}\)的容量来使表头指示值为100。加大电容C6的容量可使表针指示读数增大;减小C\(_{6}\)的容量可使表针指示读数减小。改变C6容量的办法是采用电容并联方法来实现。其它档位的校正均可采用上述同一方法进行。如果选用的音频信号发生器最高输出频率只达500kHz,那么频率计的最高档位校正也就只能在500kHz处进行。
全部电路调整完毕后,频率计便可投入使用了。需要注意的是,在使用中被测信号的幅值不得大于10伏,以免损坏电路中的与非门。如果要测量较高电压的频率,则需在频率计输入端串接一个适当的降压电阻,将信号幅值进行衰减后再进行测量。在测量未知频率的信号时,应从高量程档次逐档向低档次进行,以防止被测频率高于量程范围而产生打表的现象。(李文谦)