故障现象 打开电源开关,扬声器中发出连续不断的“卟卟”噪声(据用户反映,该机在一次接通电源后机内发出爆炸声,随即关机检查发现12V电源极性接反)。
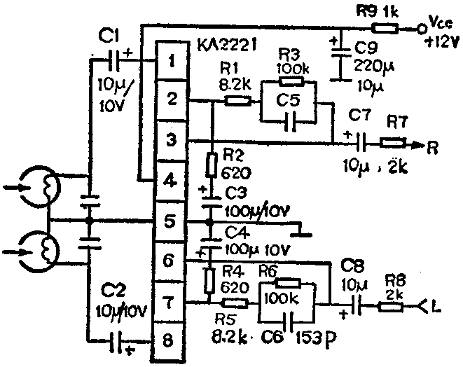
检修 拆开机壳检查发现双声道前置均衡放大器电源滤波电容器CQ(220μF10V)击穿后炸裂。换上一只新的电解电容器后故障仍然存在。该电路如附图所示。经测量结果发现,在无信号时测输入出端电压,万用表指针不停的摆动。

怀疑集成块KA2221内部损坏。将其从电路板上拆下检查,发现引脚上沾满纤维状的物质,究其原因主要是电解电容器炸开后其内部电解物质向外飞溅而沾上的。由于飞溅出来的电解物质具有一定的电阻,因此会在两个声道输入、输出端造成交叉反馈,于是出现上述故障现象。清除引脚上的电解物质后重新焊上集成块KA2221,故障被排除。(黄福森)