本文介绍的音量遥控器具有如下特点:1.在遥控发射器中只用一个按钮开关便可实现音量的大小控制;2.音量可以做到无级调节,调节范围与音响装置中音量电位器调节范围相同;3.与音响装置接口简单;4.遥控器可以使用红外、超声、射频等。我们制做的样机采用红外遥控。
电路工作原理

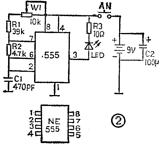
图1是红外发射机电路。“555”IC组成一个多谐振荡器,振荡频率约38kHz,由于振荡脉冲占空比较高,约为15:1,故LED限流电阻取得较小,目的是获得较大的脉冲功率。

图2是红外接收及音量控制电路。音量控制的基本原理是将一只VMOS管V1做为一个可变电阻并接在音响装置的音量电位器输出端与地之间。V1的D、S极之间的电阻随V\(_{GS}\)成反比变化,这样,利用控制VGS来完成对音量的大小控制。V1的G极接有3个模拟开关S1~S3和一个电容器C10,其中电容器C10起电压保持作用。由于VMOS管G、S极之间的电阻极高,故C10上电压可长时间基本保持不变。模拟开关S1为C10提供充电回路,当S1导通时,电源通过R7、S1给C10充电,C10上电压不断增高,使V1导通电阻越来越小,使音量也越来越小;模拟开关S2为C10提供放电回路,当S2导通时,C10通过S2、R8放电,C10上电压不断下降,使音量越来越大;模拟开关S3起开机音量复位作用,开机时,电源经C9、R10微分在S3控制端产生一短暂的正脉冲,使S3导通,由于R9取值较小,故使C10很快充到一定的电压;使起始音量处于较小的状态。
IC2及其外围元件组成长短脉冲识别电路。平时IC2第1脚处于高电平,当IC1的第1脚输出负的长脉冲时,IC2d输出变高,经R5给C8充电,当C8上电压超过CMOS门转换电压时(一般为12V\(_{DD}\))IC2e输出变低,IC2f输出变高,模拟开关S2导通,C10放电,音量变大,IC1第1脚的负长脉冲同样使IC2a输出变高,并给C6、C7充电,但IC2a输出的一次正跳变不足以使C7上充电电压达到转换电压,故IC2b输出仍为高电平,IC2c输出低电平,模拟开关S1保持截止;当IC1第1脚输出连续的负短脉冲时,IC2d输出也不断变化,输出为高时,给C8充电,而输出变低时,C8又很快通过VD3放电,故C8上电压总是达不到转换电压,因此,IC2f输出一直保持低电平,而此时IC2a连续高低变化,经C6不断给C7充电,使C7上电压迅速达到转换电压,IC2b输出变低,IC2c输出变高,模拟开关S1导通,给C10充电,音量变小。
IC1第1脚输出脉冲正负长短的变化是由红外发射器控制的。μPC1373HA是专为红外遥控而设计的一种IC,它内含高增益前置放大,峰值检波、输出缓冲以及提供偏压给外部的红外接收二极管,放大级由L1、C4调谐在38kHz,由于L1、C4的误差,谐振回路并不一定准确的调谐在38kHz,但这无关紧要,可以在发射电路中调整W1以使发、收统一调谐在38kHz附近的某一个频率上。当IC1收到这个频率的红外信号时,其第1脚便由高电平跳变为低电平。因此,在使用发射器时,如按压开关AN持续时间较长,则音量就变大;反之若连续点动AN,则音量就变小。
按图2中所标数值,当持续按压AN超过2秒时,IC2f输出即变高,音量开始增大;当连续点动AN时,从第二下开始IC2c输出即变高,音量开始减小。音量增大或减小的速度可通过调整R8或R7来改变。
元器件选择及调试安装要点
VMOS管V1可选用N沟道小功率管,要求其G、S极间击穿电压大于15V。电解电容C10要选漏电流较小的,全部电解电容耐压为16V以上,电阻全部为1/8W碳膜电阻。红外发射二极管选用工作电流大于50mA的,发射机电源采用一节9V积层电池。红外接收二极管采用PH302或SY-357等。VD\(_{1}\)~VD3用IN4148,L1为固定电感,选A档即可,其它如图注。电路印板见图3。

调试工作主要是调整发射机中的W1以使发射频率与接收机调谐回路谐振频率一致;调R7、R8使音量增大或减小的速度合适。若发现开机复位音量不够小,可适当增大C9的容量。
对于双声道音响装置,需另加一只VMOS管,两管G极接在一起,分别控制左右声道的音量电位器,在印板中已留出此位置。若音响装置左右声道音量是分开控制的,则需另加一套同样的装置,两套装置以不同的工作频率区分开,这可以通过改变接收机中的C4及调整发射机中的W1来完成。
整个接收控制装置不需外壳,因体积较小,可直接安装在音响装置中离音量电位器较近的空处,因IC1是高增益级,需用马口铁皮加以屏蔽。电源可直接使用音响装置的电源,本装置工作电压可在6~12V之间,与一般音响配合应无问题。须注意,实际使用时,音响装置的音量电位器应放至最大或较大位置。
红外接收二极管可安装在音响装置调谐指示度盘的玻璃壳内。如在玻璃壳外粘接一片小透镜,会使控制距离增加很多。不加透镜时控制距离为5~7米。
笔者用样机来控制“熊猫”SL-05型收录机音量,XFG-7高频信号产生器产生690kHz中波信号,调制信号频率为1kHz,将收录机调谐至此频率,使用遥控器将音量调整到扬声器两端输出正弦电压V\(_{p}\)-p=0.6V,用COS6100 G型示波器在扬声器两端监测。两小时后,肉眼分辨不出任何变化;五个半小时后,Vp-p变化为0.57V。实测表明可以满足实际应用需要。
如果用本装置来控制大型音响,建议改为射频遥控,以提高控制距离和进行全向控制。(李洪明)