从1935年埃·H·阿姆斯特朗提出了广播的调频方式之后,调频广播已进行了五十多个年头。其间也经历了它的黄金时代,但从全世界范围来看,整个广播事业已受到电视技术的极大挑战。为此,各个国家的广播电台,一方面高度分化,成立新闻台、经济台等,分别满足听众多种层次的需求;另一方面就是积极开发多工广播技术。
所谓调频多工广播就是利用调频广播占有频带较宽,因而有可能采用多路传输技术来传送毫不相干的多套节目,同原来的调频广播节目一起送出,如声音(模拟的或数字合成的)、图文、识别信号和控制等多种信号。调频多工广播主要分为两类:
(1)调频声音多工广播。叠加于立体声复合信号之上,播送声音或其它音响的广播,其中较有代表性的就是SCA广播(即辅助通信业务广播)。
(2)调频图文多工广播。叠加于复合基带信号之上,播送图形、文字或信号的广播。这是近十年来刚刚发展起来的新技术,最有代表性且已实用化的是欧洲的RDS(无线电数据广播系统)。
同电视图文广播(Teletext)相比,显然调频多工广播的显示功能较差,但却有电视图文广播所不能替代的优势:
(1)只需要给调频广播发射机附加简单的装置就可构成系统,因而广播电台所需运行费用很低。
(2)由于接收机不需使用显象管,故易于实现小型化及降低成本。
(3)在图文电视中,信号是断续传送的,故很难传送声音信号,而在调频多工广播中则是可能的。
(4)由于图文电视广播的传输速率较高(约480kbit/s),现有技术实现移动接收还有困难,但利用调频多工广播(约2 kbit/s)则有可能做到。
因此,调频多工广播技术近来发展很快,已为世界上许多国家采用,由于篇幅所限,本文仅介绍两种最具代表性的美国SCA广播和欧洲的RDS系统,供大家参考。
一、SCA广播技术
SCA广播是利用一个载波传送两个或两个以上不同节目的广播形式,这种方式能经济有效地利用设备和频率资源,以满足不同听众的需要。
美国从1955年SCA广播就开始实用化,继1983年美国联邦通信委员会(FCC)两次放宽限制以来,已开发出多种多工方式,有些已被正式采用,副载频大多为41~95kHz。
SCA广播业务的对象不是一般的听众,而是特定的收听者,主要有背景音乐(BGM),专题新闻,经济信息,寻呼等服务。服务对象主要是工厂、事务所、医院、饭店等,可采用以一定的费用把全套接收设备租赁给收听者的办法,按月收费。表1为SCA广播在美国的应用情况。

目前,美国的各大城市中,已有60%以上的调频广播台开展了SCA广播业务,且其中不少电台已完成向数字方式的过渡。在SCA广播中承担无线电寻呼业务(Radio Paging)的广播电台已超过18%,这种深受用户欢迎的数据广播业务发展很快,舆论界认为,“这开创了广播与通信业务相结合的新纪元”。AT&E公司和MOTOROLA公司正在竞相开发袖珍无线电寻呼系统。这种系统通过卫星和广播电台在全国进行联网,最终将有可能实现用安装在手表上的微型接收机,就可对世界任何地方瞬时呼叫服务。
1.SCA广播信号的调制和发射

图1为包括SCA信号在内的立体声复合信号基带配置图。SCA信号的调制分为两步进行,先对副载波调频,然后已调副载波对主载波再进行调频。
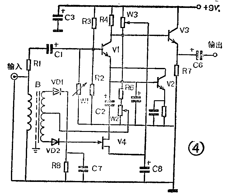
实现这种双重调频的调制器种类很多,这里主要介绍副调制器(即对副载波调制)的工作原理。到调制器主要包括低通滤波器,2:1压缩器、预加重电路、副载波发生电路及调制电路几个部分。图2是西德R&S电子公司的一种SCA调制器GC-003Z工作原理图。

副载波的频率可以在很宽的范围内选择。试验表明,副载频较高,SCA广播信号对立体声主节目影响较小,但本身信噪比也稍差。同样,SCA信号与副载波调制的频偏也有同样问题,频偏大,有利于提高信噪比;但若过大,势必会加大通过解调器中带通滤波器的噪声能量;若用较窄的带通滤波器,又会由于一部分信号能量被限制而产生解调失真。为此,我国国标规定,SCA广播的副载波频率为67kHz,附加信道的最大频偏占总频偏的10%(主节目为立体声广播时,为7.5kHz)。
在包含SCA信号的调频广播系统中,主要技术问题是主节目和副节目之间的串音(主要是主串副)。解决的方法之一是利用压缩、扩张技术,由于副解调器输出电平很低,加上主节目的串扰,要维持SCA广播节目质量优于50dB的信噪比(我国规定优于60dB)是很不容易的,即使有50dB也达不到实用水平,因此,SCA信号必须进行压扩处理,其原理图见图3。

从图中可以看出,压缩器的输入电平范围如果在0~-70dB之间,则压缩器输出端的动态范围被压缩到只有O~-35dB,但经扩张器扩展后,又能恢复原有的动态范围。这样信号经压扩后不会产生失真,但对于传输过程中(指信号被压缩以后)串进来的干扰(包括外界干扰噪声和主信道的串扰),经扩展器后,干扰幅度就被压低,例如-35dB的干扰被压低至-70dB,从而改善了信噪比。需指出的是,当干扰为高电平时,扩展器将失去抑制噪声与串音的作用。

图4是一种典型的扩张器电路。它实际上是一个压控放大器,场效应管V4在低源-漏电压(数十毫伏)下,源-漏极间电阻可受栅极电压控制,使动态范围在0~-30dB的音频信号扩张至0~-60dB。
2.SCA广播的解调与接收
SCA广播对于作为主节目的立体声或单声道广播都具有良好的兼容性,即SCA广播对主节目串扰很小(一般可优于-60dB),但同时,主节目对SCA的串扰电平同接收机的性能有着较为密切的关系。
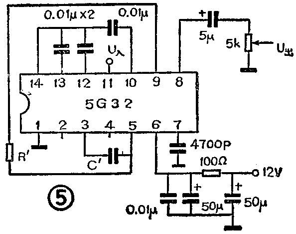
因为这是载波频率很低的调频方式,相对频偏较大,故采用普通的鉴频方式(如比例鉴频方式)效果不十分理想,最好采用脉冲计数式鉴频方式。下面介绍一种采用国内很常见的运放集成电路5G32构成的SCA副解调器(图5)。5G32由多级双差分电路组成。其中R′C′组成双微分电路,R′C′的数值由副载波频率而定,需满足τ\(_{p}\)》R′C′(τp为微分前矩形波的宽度)。R′C′数值到底应比τ\(_{p}\)小多少,要靠示波器观察微分电路输出波形来定,微分波形不能太窄,随着副载波频率的增加,需要减小C′的数值。

SCA广播接收服务范围与共用设备的调频广播基本一致,并可利用差转台转播。SCA广播业务形式适于固定接收,对于在行驶中的汽车内接收,由于多径失真及高大建筑物等的影响,接收时噪声较大。目前SCA广播正逐步由声音广播向声音与数据广播并重发展。(待续)(胡国辉)